Запчасти Volvo L180D 36740 Adjustable steering wheel L180D

Схема запчастей Volvo L180D - 36740 Adjustable steering wheel L180D
FIT
1:1
100%

Артикул

Название

Примечание

Количество

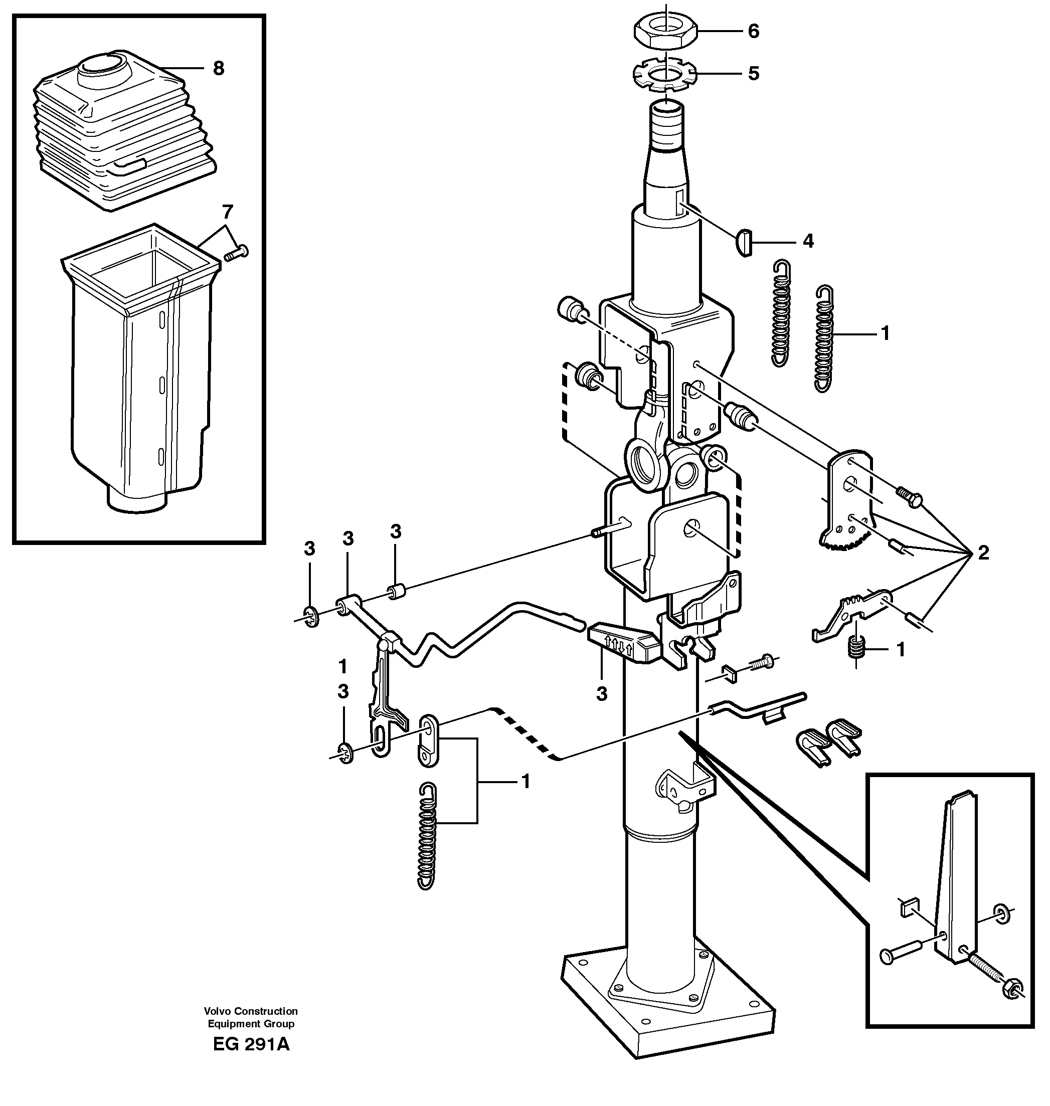
VOE 11006235

Рулевая колонка

1шт.

VOE 11006235

Рулевая колонка

1шт.

1

VOE 11704312

Комплект пружин

1шт.

1

VOE 11704312

Комплект пружин

1шт.

2

VOE 11704313

Locking Device

1шт.

2

VOE 11704313

Locking Device

1шт.

3

VOE 11704314

Lever Kit

1шт.

3

VOE 11704314

Lever Kit

1шт.

4

VOE 4760805

Key

1шт.

4

VOE 4760805

Key

1шт.

6

VOE 955822

Hexagon Nut

1шт.

6

VOE 955822

Hexagon Nut

1шт.

7

VOE 11704315

Крышка

1шт.

7

VOE 11704315

Крышка

1шт.

8

VOE 11704316

Boot

1шт.

8

VOE 11704316

Boot

1шт.

Выбрано товаров: 16