Запчасти Volvo L180D 22415 Servo valve with fitting parts L180D

Схема запчастей Volvo L180D - 22415 Servo valve with fitting parts L180D
FIT
1:1
100%

Артикул

Название

Примечание

Количество

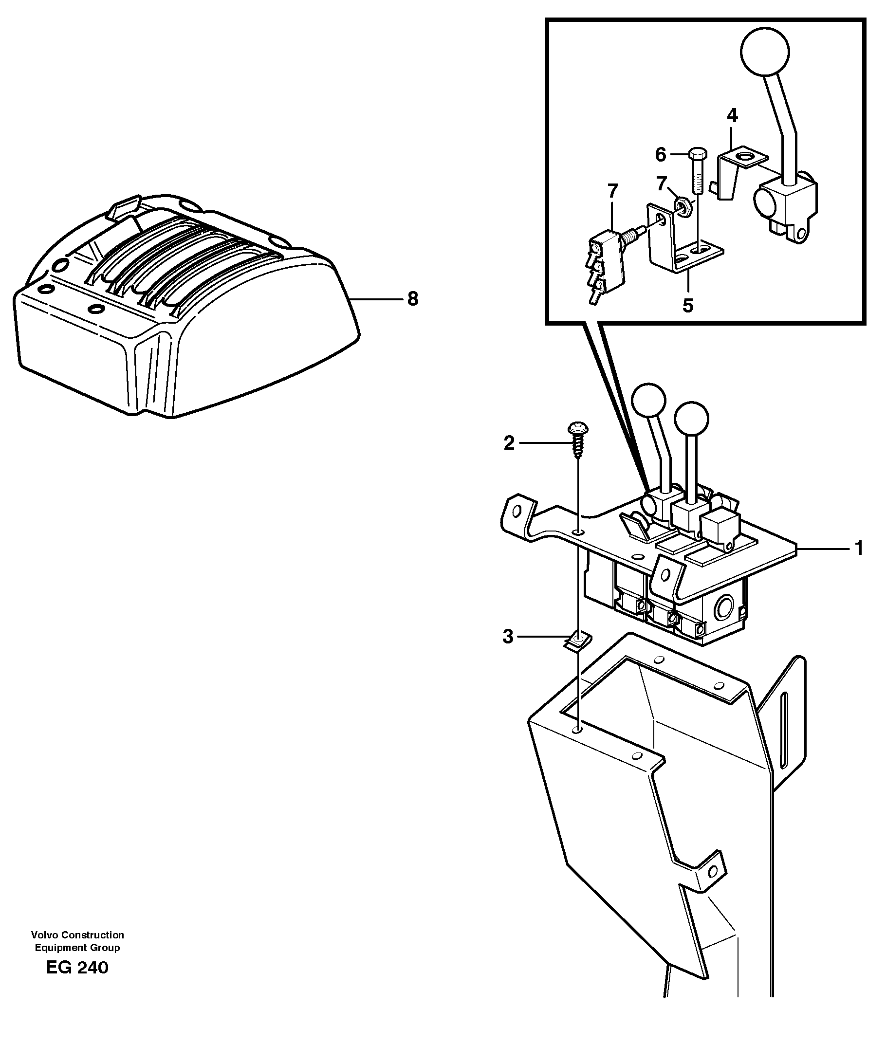
2

VOE 13976479

Винт шестигранник (торцевой ключ)

1шт.

2

VOE 13976479

Болт

1шт.

3

VOE 13949867

Spring Nut

1шт.

3

VOE 13949867

Spring Nut

1шт.

4

VOE 11007484

Attaching Bracket

1шт.

4

VOE 11007484

Attaching Bracket

1шт.

5

VOE 11007483

Attaching Bracket

1шт.

5

VOE 11007483

Attaching Bracket

1шт.

6

VOE 13946544

Болт

1шт.

6

VOE 13946544

Flange screw

1шт.

7

VOE 4787427

Microswitch

SE903

1шт.

7

VOE 4787427

Microswitch

SE903

1шт.

Выбрано товаров: 12