Запчасти Volvo L180E 65340 Cross member L180E HIGH-LIFT S/N 8002 - 9407

Схема запчастей Volvo L180E - 65340 Cross member L180E HIGH-LIFT S/N 8002 - 9407
FIT
1:1
100%

Артикул

Название

Примечание

Количество

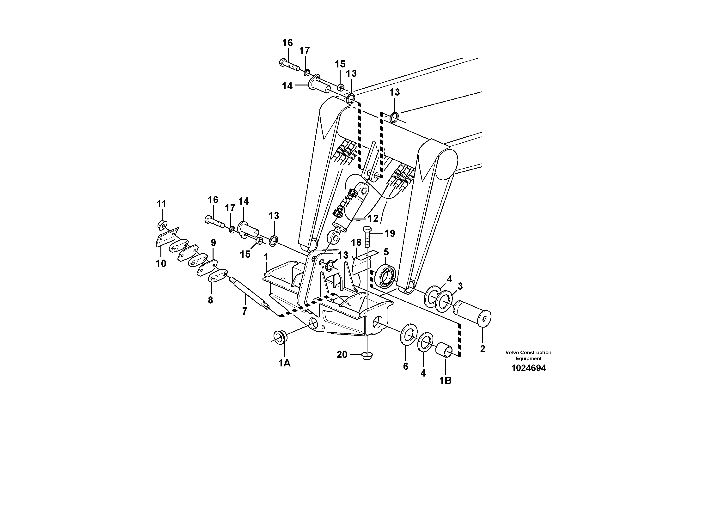
1

VOE 11180923

Cross member

1шт.

10

VOE 11176929

Зажим

1шт.

11

VOE 13967934

Flange lock nut

1шт.

11

VOE 13967934

Flange lock nut

1шт.

13

VOE 4782479

Кольцо уплотнительное

1шт.

13

VOE 4782479

Кольцо уплотнительное

1шт.

14

VOE 4859488

Палец

1шт.

15

VOE 4859489

Spacer

1шт.

15

VOE 4859489

Вставка

1шт.

16

VOE 13965191

Screw

1шт.

16

VOE 13965191

Болт

1шт.

17

VOE 13947355

Шайба

1шт.

17

VOE 13947355

Шайба

1шт.

18

VOE 11081817

Protection

1шт.

19

VOE 968593

Flange screw

1шт.

19

VOE 968593

Flange screw

1шт.

1A

VOE 11106501

Bearing sleeve

1шт.

1B

VOE 11012394

Втулка

1шт.

2

VOE 11012386

Палец

1шт.

20

VOE 13967934

Flange lock nut

1шт.

20

VOE 13967934

Flange lock nut

1шт.

3

VOE 11081520

Шайба

1шт.

4

VOE 11081521

Шайба

1шт.

5

VOE 356313

Link bearing

1шт.

5

VOE 356313

Link bearing

1шт.

6

VOE 11081996

Шайба

1шт.

7

VOE 4849255

Guide pin

1шт.

7

VOE 4849255

Guide pin

1шт.

8

VOE 11045770

Absorber

1шт.

8

VOE 11045770

Absorber

1шт.

9

VOE 11045772

Пластина

1шт.

Выбрано товаров: 31