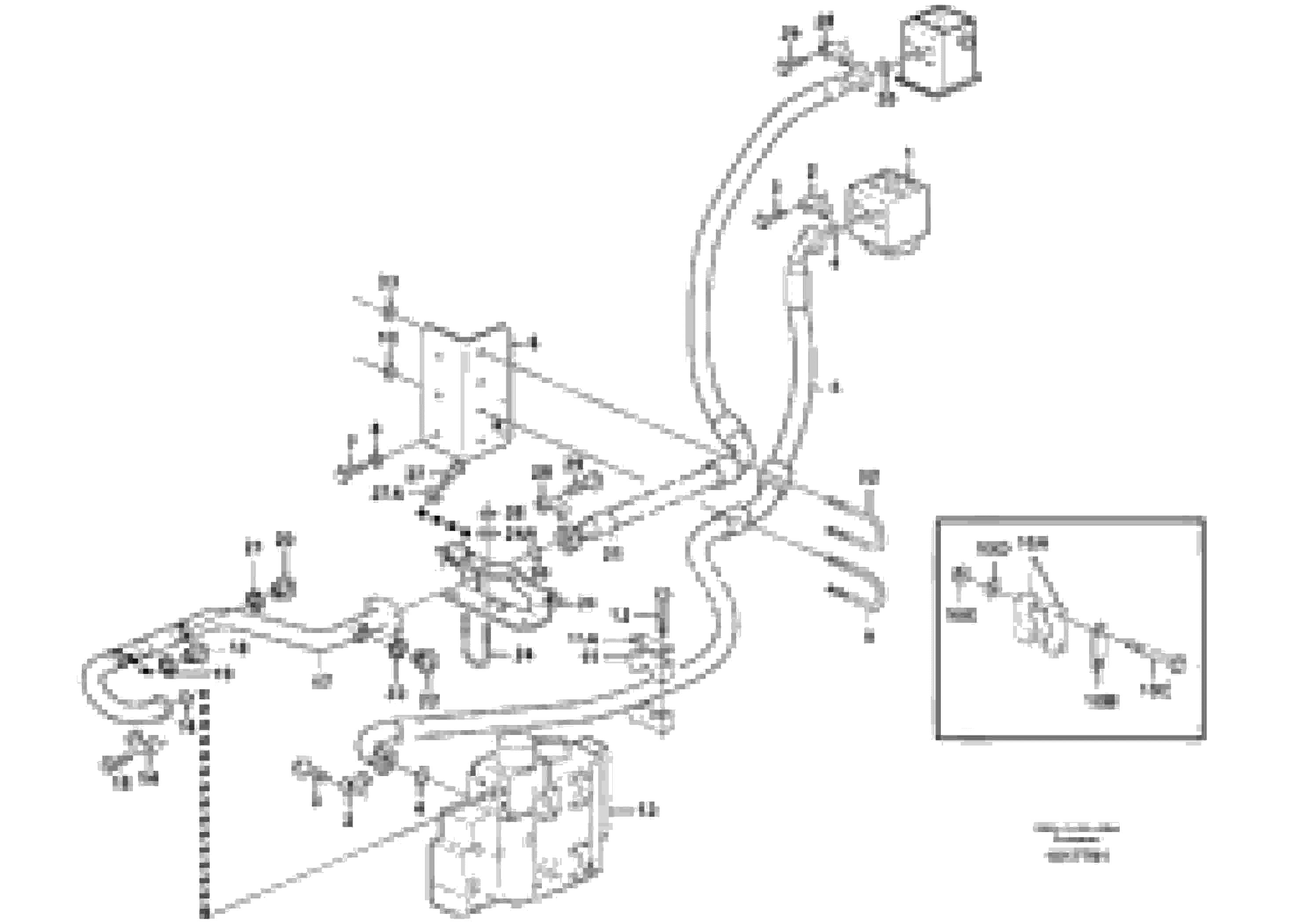
Запчасти Volvo L180E 49629 Feed- and return lines - control valve L180E S/N 5004 - 7398 S/N 62501 - 62543 USA

Схема запчастей Volvo L180E - 49629 Feed- and return lines - control valve L180E S/N 5004 - 7398 S/N 62501 - 62543 USA
FIT
1:1
100%

Артикул

Название

Примечание

Количество

VOE 11173525

Зажим

SER NO 5116 -

1шт.

VOE 13947790

Болт

SER NO 5116 -

1шт.

VOE 13947790

Screw

SER NO 5116 -

1шт.

VOE 13966145

Пробка (заглушка)

1шт.

VOE 13966145

Пробка (заглушка)

1шт.

VOE 948885

Plane gasket

1шт.

VOE 948885

Plane gasket

1шт.

VOE 11173520

Attachment

SER NO 5116 -

1шт.

10

VOE 13971098

Flange nut

SER NO - 5115

1шт.

10

VOE 13971098

Flange nut

SER NO - 5115

1шт.

10A

VOE 11173571

Зажим

SER NO 5116 -

1шт.

10B

VOE 11172507

Пластина

SER NO 5116 -

1шт.

10C

VOE 979934

Flange screw

SER NO 5116 -

1шт.

10C

VOE 979934

Flange screw

SER NO 5116 -

1шт.

10D

VOE 13960145

Шайба

SER NO 5116 -

1шт.

10D

VOE 13960145

Шайба

SER NO 5116 -

1шт.

10E

VOE 971099

Flange lock nut

SER NO 5116 -

1шт.

10E

VOE 971099

Flange lock nut

SER NO 5116 -

1шт.

11

VOE 11148752

Зажим

SER NO - 5115

1шт.

11A

VOE 11173526

Шайба

SER NO 5116 -

1шт.

12

VOE 13946474

Flange screw

SER NO - 5115

1шт.

14

VOE 935309

Flange half

1шт.

14

VOE 935309

Flange half

1шт.

15

VOE 965225

Flange screw

1шт.

15

VOE 965225

Flange screw

1шт.

16

VOE 990743

Кольцо уплотнительное (О-кольцо)

1шт.

16

VOE 990743

Кольцо уплотнительное (О-кольцо)

1шт.

17

VOE 11163155

Return line

1шт.

18

VOE 13966143

Пробка (заглушка)

1шт.

18

VOE 13966143

Пробка (заглушка)

1шт.

19

VOE 948883

Plane gasket

1шт.

19

VOE 948883

Plane gasket

1шт.

2

VOE 14236931

Flange half

1шт.

2

VOE 14236931

Flange half

1шт.

20

VOE 13966145

Пробка (заглушка)

1шт.

20

VOE 13966145

Пробка (заглушка)

1шт.

21

VOE 948885

Plane gasket

1шт.

21

VOE 948885

Plane gasket

1шт.

22

VOE 13966146

Пробка (заглушка)

1шт.

22

VOE 13966146

Пробка (заглушка)

1шт.

23

VOE 13964110

Прокладка

1шт.

23

VOE 13964110

Прокладка

1шт.

24

VOE 11153252

Зажим

1шт.

24

VOE 11153252

Зажим

1шт.

24A

VOE 13960141

Шайба

1шт.

24A

VOE 13960141

Шайба

1шт.

25

VOE 948645

Flange lock nut

1шт.

25

VOE 948645

Flange lock nut

1шт.

26

VOE 11148623

Attachment

1шт.

27

VOE 13965192

Screw

1шт.

27

VOE 13965192

Болт

1шт.

27A

VOE 13960145

Шайба

1шт.

27A

VOE 13960145

Шайба

1шт.

28

VOE 935309

Flange half

1шт.

28

VOE 935309

Flange half

1шт.

29

VOE 965225

Flange screw

1шт.

29

VOE 965225

Flange screw

1шт.

3

VOE 13966360

Flange screw

1шт.

3

VOE 13966360

Flange screw

1шт.

30

VOE 990743

Кольцо уплотнительное (О-кольцо)

1шт.

30

VOE 990743

Кольцо уплотнительное (О-кольцо)

1шт.

31

VOE 11411844

Hose assembly

L = 2090 MM

1шт.

32

VOE 11018851

Зажим

1шт.

33

VOE 13971098

Flange nut

1шт.

33

VOE 13971098

Flange nut

1шт.

4

VOE 13949238

Кольцо уплотнительное (О-кольцо)

1шт.

4

VOE 13949238

Кольцо уплотнительное (О-кольцо)

1шт.

5

VOE 11411843

Hose assembly

1шт.

6

VOE 11148663

Attachment

SER NO - 5115

1шт.

7

VOE 13965192

Screw

1шт.

7

VOE 13965192

Болт

1шт.

8

VOE 13960145

Шайба

1шт.

8

VOE 13960145

Шайба

1шт.

9

VOE 11148390

Зажим

SER NO - 5115

1шт.

Выбрано товаров: 74