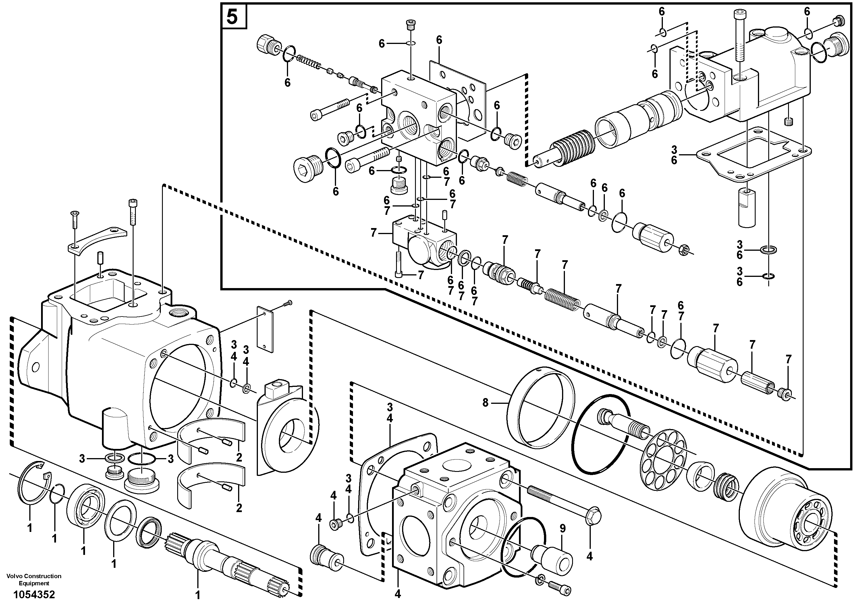
Запчасти Volvo L180E 63284 Гидронасос (основной насос) L180E S/N 5004 - 7398 S/N 62501 - 62543 USA

Схема запчастей Volvo L180E - 63284 Гидронасос (основной насос) L180E S/N 5004 - 7398 S/N 62501 - 62543 USA
FIT
1:1
100%

Артикул

Название

Примечание

Количество

VOE 11709023

Гидронасос (основной насос)

100CC

1шт.

1

VOE 11712608

Вал

1шт.

2

VOE 11708350

Подшипник

1шт.

2

VOE 11708350

Подшипник

1шт.

3

VOE 11988343

Sealing kit

1шт.

3

VOE 11988343

Sealing kit

1шт.

4

VOE 11712610

Клапан

1шт.

6

VOE 11712612

Sealing kit

1шт.

6

VOE 11712612

Sealing kit

1шт.

7

VOE 11704286

Клапан

1шт.

7

VOE 11704286

Клапан

1шт.

8

VOE 15164922

Подшипник

1шт.

9

VOE 11708929

Engaging sleeve

1шт.

Выбрано товаров: 13