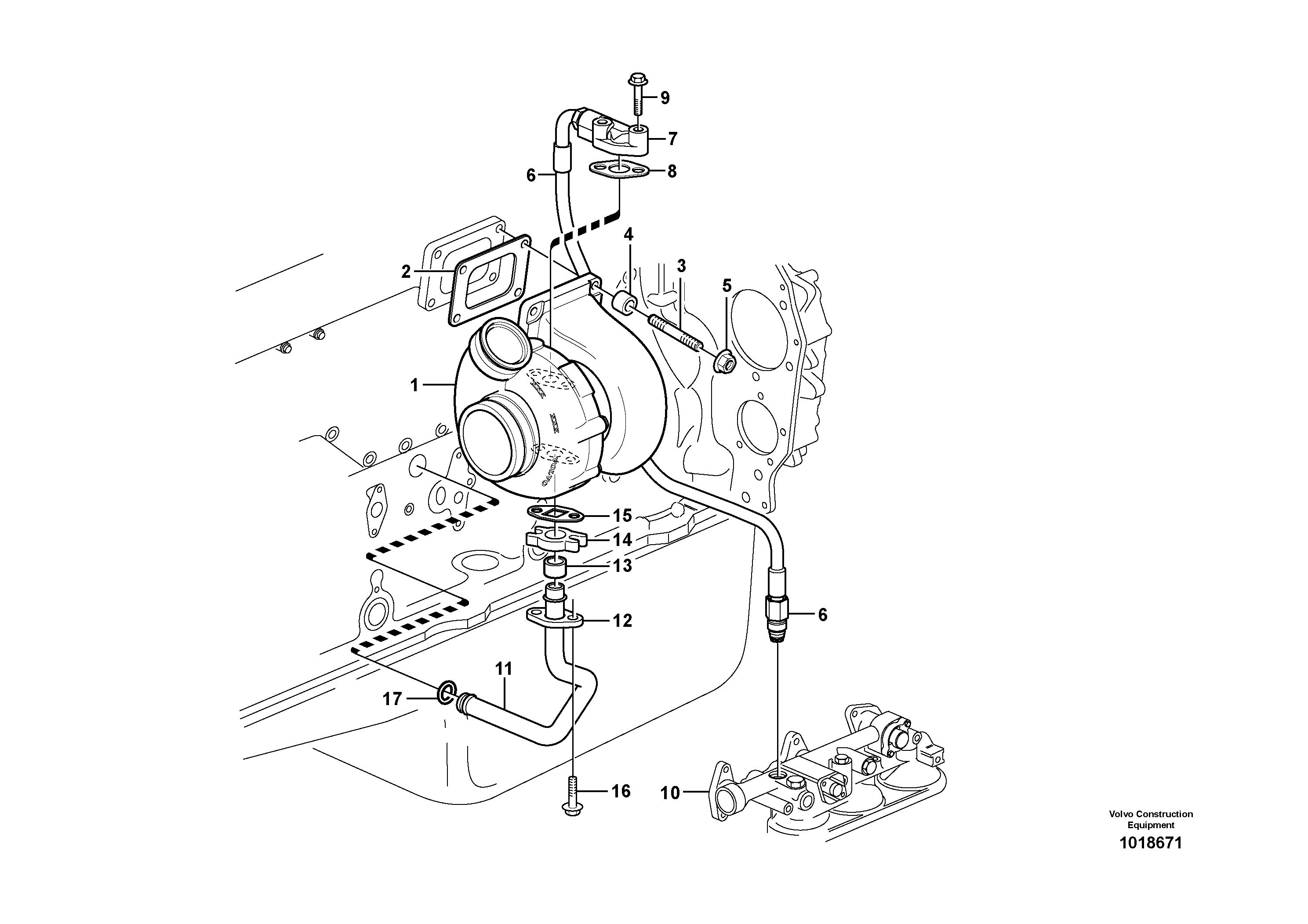
Запчасти Volvo L180E 20925 Турбокомпрессор (турбина) с установочными деталями L180E HIGH-LIFT S/N 8002 - 9407

Схема запчастей Volvo L180E - 20925 Турбокомпрессор (турбина) с установочными деталями L180E HIGH-LIFT S/N 8002 - 9407
FIT
1:1
100%

Артикул

Название

Примечание

Количество

1

VOE 11423684

Турбокомпрессор (турбина)

1шт.

11

VOE 11128938

Oil pipe

1шт.

12

VOE 469543

Фланец

1шт.

13

VOE 469601

Кольцо уплотнительное

1шт.

14

VOE 8148729

Соединитель

1шт.

15

VOE 420643

Прокладка

1шт.

15

VOE 420643

Прокладка

1шт.

16

VOE 13947760

Болт

1шт.

16

VOE 13947760

Screw

1шт.

17

VOE 1547255

Кольцо уплотнительное

1шт.

2

VOE 8194365

Прокладка

1шт.

2

VOE 8194365

Прокладка

1шт.

3

VOE 20579303

Шпилька

1шт.

4

VOE 478344

Spacer sleeve

1шт.

5

VOE 471622

Flange lock nut

1шт.

6

VOE 11423115

Oil pipe

1шт.

7

VOE 8192268

Фланец

1шт.

8

VOE 420641

Прокладка

1шт.

8

VOE 420641

Прокладка

1шт.

9

VOE 946470

Flange screw

1шт.

9

VOE 946470

Flange screw

1шт.

Выбрано товаров: 0