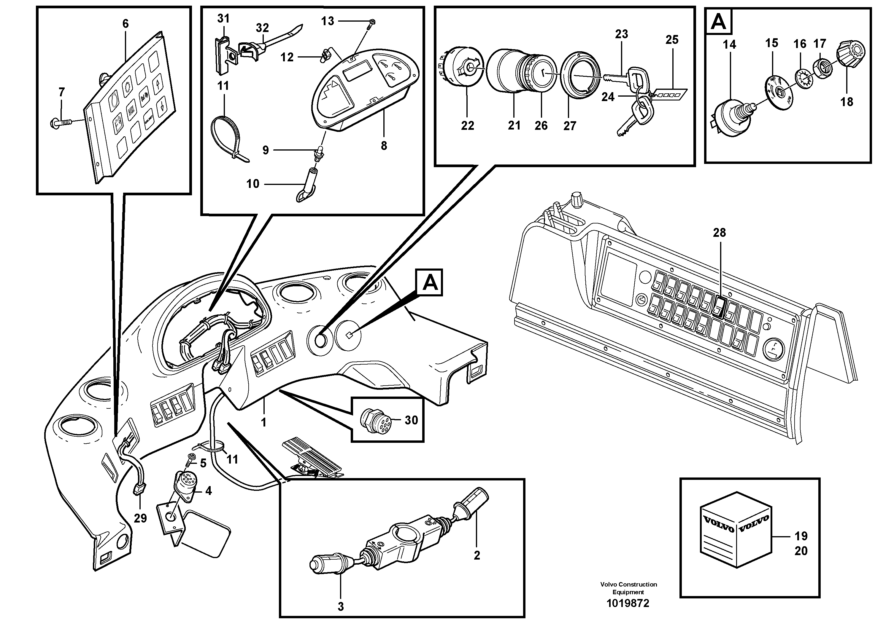
Запчасти Volvo L180E 97603 Instrument panel L180E HIGH-LIFT S/N 8002 - 9407

Схема запчастей Volvo L180E - 97603 Instrument panel L180E HIGH-LIFT S/N 8002 - 9407
FIT
1:1
100%

Артикул

Название

Примечание

Количество

VOE 11007280

Lock Kit

1шт.

VOE 11039220

Starter switch

1шт.

VOE 11039220

Starter switch

1шт.

VOE 11170209

Control unit

1шт.

VOE 11171772

Переключатель

L PROD SWE

1шт.

VOE 11171771

Переключатель

L PROD SWE

1шт.

VOE 11039228

Pass key

GREEN

1шт.

VOE 11039228

Pass key

GREEN

1шт.

10

VOE 1089953

Tool

1шт.

11

VOE 4881440

Cable tie

1шт.

11

VOE 4881440

Cable tie

1шт.

12

VOE 977980

Spring nut

1шт.

12

VOE 977980

Spring nut

1шт.

13

VOE 975371

Болт

1шт.

13

VOE 975371

Винт шестигранник (торцевой ключ)

1шт.

14

VOE 11039224

Fan switch

APS

1шт.

15

VOE 11164817

Крышка

ARS

1шт.

16

VOE 13940097

Шайба

1шт.

16

VOE 13940097

Шайба

1шт.

17

VOE 1212859

Гайка

1шт.

18

VOE 11039535

Knob

1шт.

19

VOE 11006988

Lock kit

1шт.

2

VOE 11039248

11039248

E PROD SWE

1шт.

22

VOE 1626372

Starter switch

1шт.

23

VOE 11039226

Pass key

BLACK

1шт.

24

VOE 1272253

Key strip

1шт.

25

VOE 3503280

Key badge

1шт.

26

VOE 859955

Гайка

1шт.

27

VOE 11104514

Symbol strip

1шт.

3

VOE 11171771

Переключатель

E PROD SWE

1шт.

30

VOE 828587

Buzzer

1шт.

30

VOE 828587

Buzzer

1шт.

31

VOE 11039688

Скоба (хомут)

1шт.

31

VOE 11039688

Скоба (хомут)

1шт.

32

VOE 11039689

Strip clamp

1шт.

32

VOE 11039689

Strip clamp

1шт.

4

VOE 1589502

Foot operated switch

1шт.

4

VOE 1589502

Foot operated switch

1шт.

5

VOE 969278

Винт шестигранник (торцевой ключ)

1шт.

5

VOE 969278

Винт шестигранник (торцевой ключ)

1шт.

6

VOE 11170210

Control unit

1шт.

7

VOE 975358

Винт шестигранник (торцевой ключ)

1шт.

7

VOE 975358

Болт

1шт.

8

VOE 11184402

ECU

I-ECU

1шт.

9

VOE 966327

Bulb

1шт.

Выбрано товаров: 45