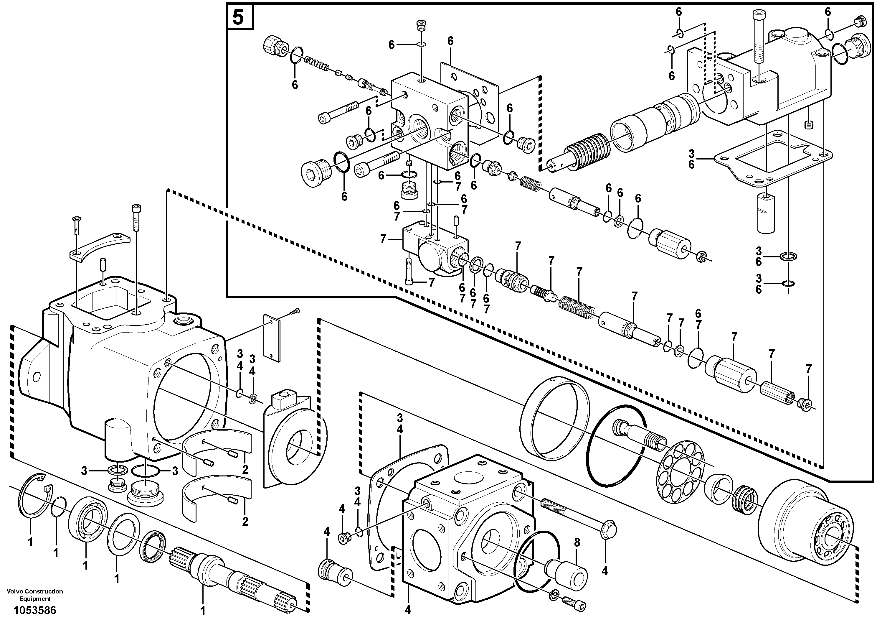
Запчасти Volvo L180E 53883 Гидронасос (основной насос) L180E HIGH-LIFT S/N 8002 - 9407

Схема запчастей Volvo L180E - 53883 Гидронасос (основной насос) L180E HIGH-LIFT S/N 8002 - 9407
FIT
1:1
100%

Артикул

Название

Примечание

Количество

VOE 11709024

Гидронасос (основной насос)

130 CC

1шт.

1

VOE 11712608

Вал

1шт.

2

VOE 11708350

Подшипник

1шт.

2

VOE 11708350

Подшипник

1шт.

3

VOE 11988343

Sealing kit

1шт.

3

VOE 11988343

Sealing kit

1шт.

4

VOE 11712780

Valve plate

1шт.

5

VOE 11712781

Compensator

1шт.

6

VOE 11712782

Sealing kit

1шт.

7

VOE 11704286

Клапан

1шт.

7

VOE 11704286

Клапан

1шт.

8

VOE 15131481

Coupling kit

1шт.

Выбрано товаров: 12