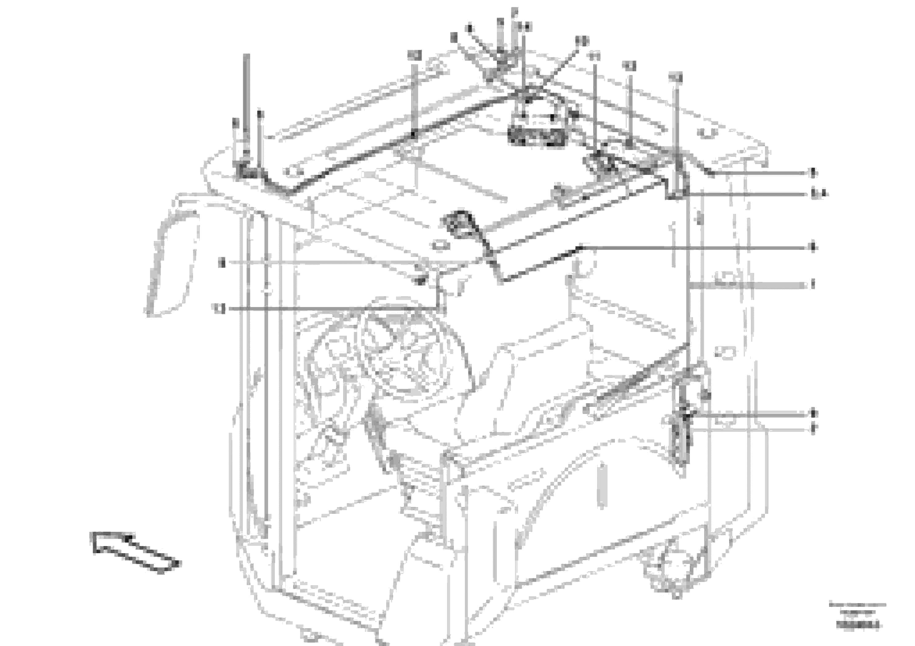
Запчасти Volvo L180F 82698 Cable harness, ceiling with radio L180F

Схема запчастей Volvo L180F - 82698 Cable harness, ceiling with radio L180F
FIT
1:1
100%

Артикул

Название

Примечание

Количество

1

VOE 15019079

Cable harness

CAB 11118 - SWE

1шт.

1

VOE 11171718

Cable harness

CAB - 11117 SWE

1шт.

10

VOE 20429800

Картер (корпус)

A

1шт.

11

VOE 11171713

Cable harness

CAB - 11117 SWE

1шт.

11

VOE 15019082

Cable harness

CAB 11118 - SWE

1шт.

12

VOE 20367823

Картер (корпус)

1шт.

13

VOE 13949597

Изолятор

1шт.

13

VOE 13949597

Protecting sleeve

1шт.

14

VOE 20429801

Картер (корпус)

B

1шт.

2

VOE 20367826

Картер (корпус)

CA

1шт.

3

VOE 3987479

Картер (корпус)

CK

1шт.

4

VOE 1078186

Locking plate

1шт.

5

VOE 874955

Картер (корпус)

1шт.

5

VOE 874955

Изолятор

1шт.

6

VOE 13949597

Изолятор

1шт.

6

VOE 13949597

Protecting sleeve

1шт.

7

VOE 1624477

Receptacle housing

1шт.

7

VOE 1624477

Receptacle housing

1шт.

8

VOE 1259854

Уплотнительная втулка

1шт.

8

VOE 1259854

Уплотнительная втулка

1шт.

9

VOE 8159086

Receptacle housing

SO3901

1шт.

9

VOE 8159086

Receptacle housing

SO3901

1шт.

Выбрано товаров: 22