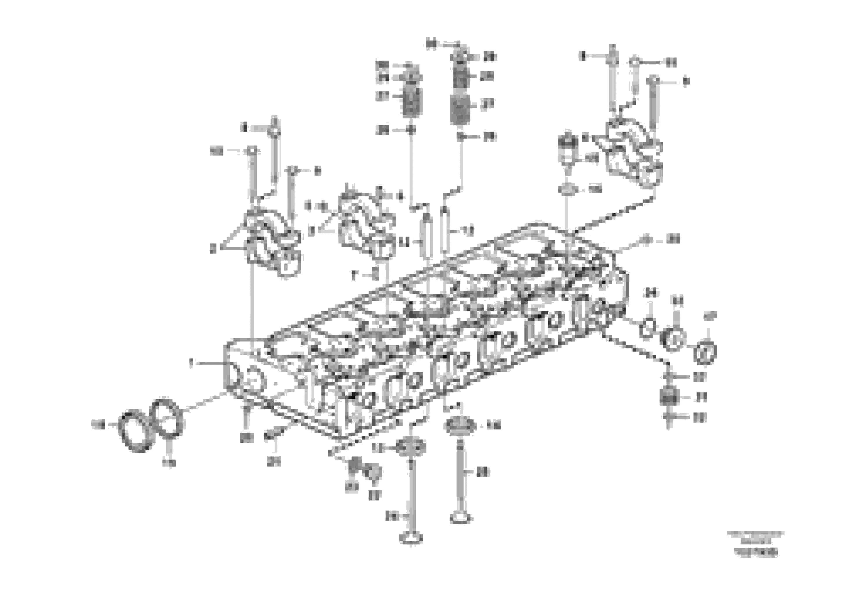
Запчасти Volvo L180F 81462 Головка блока цилиндров L180F HL HIGH-LIFT

Схема запчастей Volvo L180F - 81462 Головка блока цилиндров L180F HL HIGH-LIFT
FIT
1:1
100%

Артикул

Название

Примечание

Количество

VOE 3165025

Пробка (заглушка)

1шт.

VOE 3165025

Пробка (заглушка)

1шт.

VOE 21086450

Головка блока цилиндров

1шт.

VOE 24426421

Головка блока цилиндров

1шт.

1

VOE 20478371

Головка блока цилиндров

1шт.

10

VOE 21344752

Болт

L = 106 MM

1шт.

10

VOE 21344752

Болт

L = 106 MM

1шт.

11

VOE 1677283

Болт

L = 70 MM

1шт.

11

VOE 1677283

Болт

L = 70 MM

1шт.

12

VOE 20817648

Valve guide

1шт.

13

VOE 20459329

Valve seat

INLET

1шт.

13

VOE 20459329

Valve seat

INLET

1шт.

14

VOE 20412798

Valve seat

EXHAUST

1шт.

15

VOE 3183368

Втулка (распорная)

1шт.

15

VOE 3183368

Втулка (распорная)

1шт.

16

VOE 20536487

Кольцо уплотнительное (О-кольцо)

1шт.

16

VOE 20536487

Кольцо уплотнительное (О-кольцо)

1шт.

17

VOE 8131707

Cap plug

1шт.

17

VOE 8131707

Cap plug

1шт.

18

VOE 8170553

Cap plug

1шт.

18

VOE 8170553

Cap plug

1шт.

19

VOE 1544710

Кольцо уплотнительное

1шт.

19

VOE 1544710

Кольцо уплотнительное

1шт.

2

VOE 3165130

Bearing housing

1шт.

2

VOE 3165130

Bearing housing

1шт.

20

VOE 990830

Пробка (заглушка)

1шт.

21

VOE 422426

Палец

1шт.

22

VOE 20441335

Пробка (заглушка)

1шт.

22

VOE 20441335

Пробка (заглушка)

1шт.

23

VOE 13947281

Прокладка

1шт.

23

VOE 13947281

Прокладка

1шт.

24

VOE 20459326

Клапан впускной

1шт.

24

VOE 20459326

Клапан впускной

1шт.

25

VOE 20441486

Клапан выпускной

1шт.

26

VOE 859171

Valve seal

1шт.

26

VOE 859171

Valve seal

1шт.

27

VOE 21310068

Пружина клапана

1шт.

28

VOE 3183211

Пружина клапана

1шт.

28

VOE 3183211

Пружина клапана

1шт.

29

VOE 1546487

Valve spring washer

1шт.

29

VOE 1546487

Valve spring washer

1шт.

3

VOE 3165133

Bearing housing

1шт.

3

VOE 3165133

Bearing housing

1шт.

30

VOE 1677875

Valve Collet

1шт.

31

VOE 20463179

Адаптер

1шт.

32

VOE 13949721

Кольцо уплотнительное (О-кольцо)

1шт.

32

VOE 13949721

Кольцо уплотнительное (О-кольцо)

1шт.

33

VOE 3155171

Пробка (заглушка)

1шт.

33

VOE 3155171

Пробка (заглушка)

1шт.

34

VOE 949659

Кольцо уплотнительное (О-кольцо)

1шт.

34

VOE 949659

Кольцо уплотнительное (О-кольцо)

1шт.

4

VOE 3165136

Bearing housing

1шт.

4

VOE 3165136

Bearing housing

1шт.

5

VOE 950542

Палец

1шт.

6

VOE 1677189

Палец

1шт.

6

VOE 1677189

Палец

1шт.

6

VOE 1677189

Втулка (распорная)

1шт.

7

VOE 950562

Палец

1шт.

8

VOE 21344812

Шпилька

1шт.

9

VOE 21344776

Болт

L = 127 MM

1шт.

Выбрано товаров: 60