Запчасти Volvo L180F 88549 Air cond. control panel L180F HL HIGH-LIFT

Схема запчастей Volvo L180F - 88549 Air cond. control panel L180F HL HIGH-LIFT
FIT
1:1
100%

Артикул

Название

Примечание

Количество

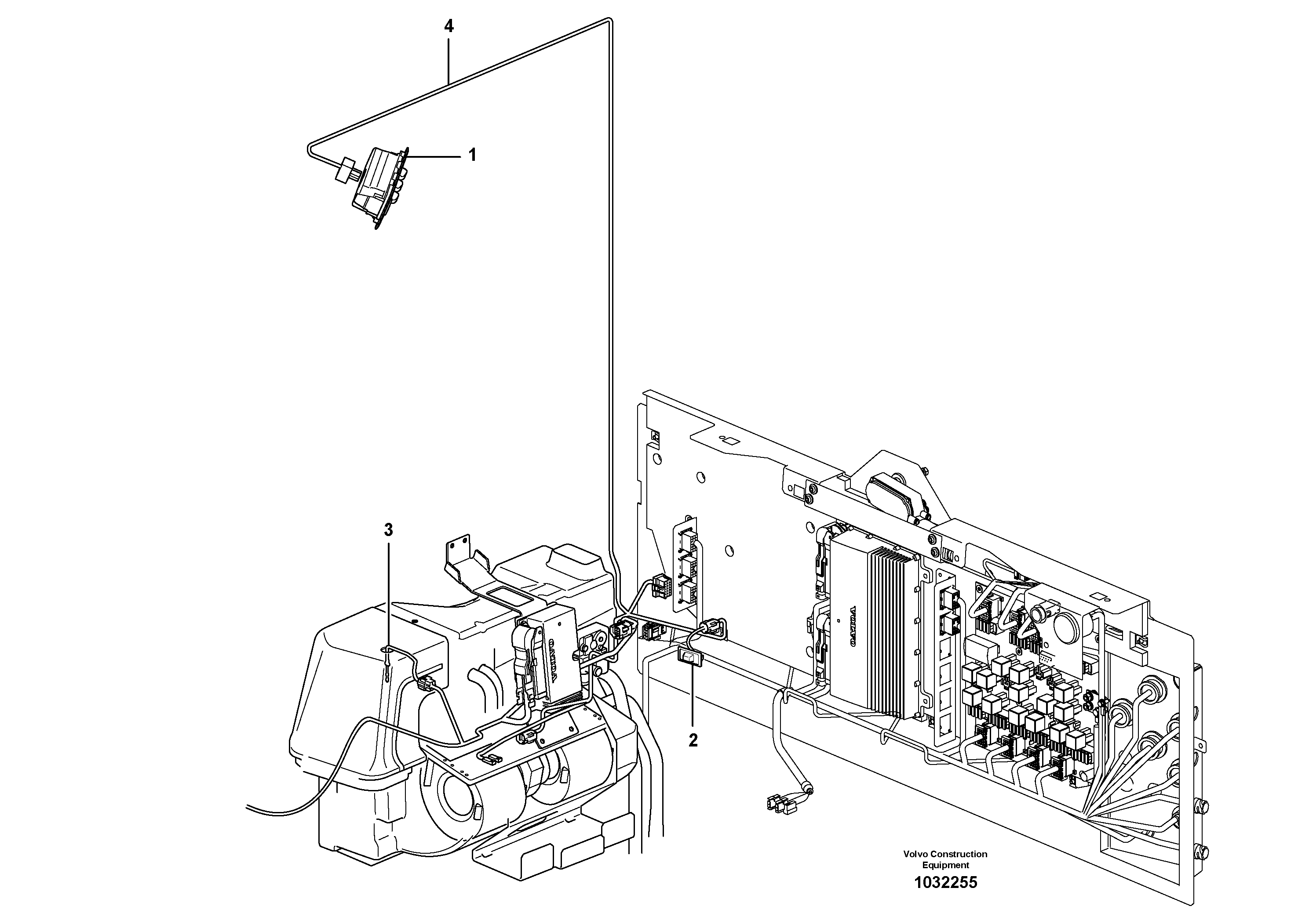
VOE 11412641

Control panel

SW8701

1шт.

VOE 11412641

Control panel

SW8701

1шт.

1

VOE 11412405

Control panel

SW8701

1шт.

1

VOE 11412405

Control panel

SW8701

1шт.

2

VOE 14514330

Sensor

SE8706

1шт.

3

VOE 14509344

Sensor

SE8708

1шт.

3

VOE 14509344

Sensor

SE8708

1шт.

Выбрано товаров: 7