Запчасти Volvo L220D 22427 Головка блока цилиндров L220D SER NO 1001-

Схема запчастей Volvo L220D - 22427 Головка блока цилиндров L220D SER NO 1001-
FIT
1:1
100%

Артикул

Название

Примечание

Количество

VOE 479952

Головка блока цилиндров

1шт.

VOE 423208

Valve seat

0.2 MM O SZ

1шт.

VOE 468449

Valve seat

0.2 MM O SZ

1шт.

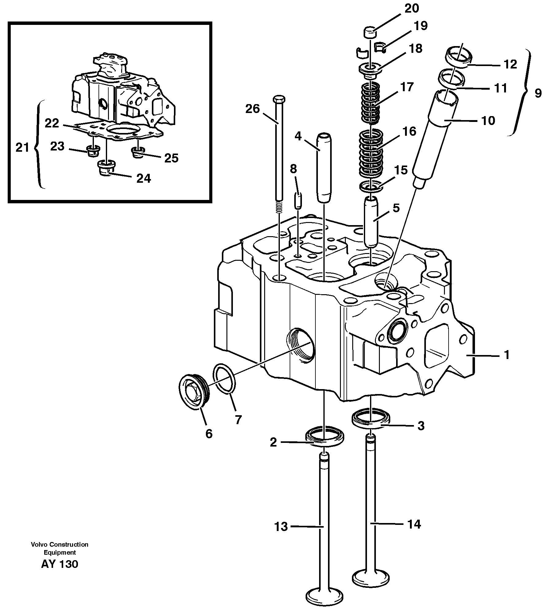
1

VOE 479942

Головка блока цилиндров

1шт.

10

VOE 470247

Втулка (распорная)

1шт.

11

VOE 466405

Кольцо уплотнительное

1шт.

11

VOE 466405

Кольцо уплотнительное

1шт.

12

VOE 466420

Кольцо

1шт.

12

VOE 466420

Кольцо

1шт.

13

VOE 468302

Клапан

Inlet / inlopp

1шт.

14

VOE 468303

Клапан

Outlet / utlopp

1шт.

15

VOE 468065

Шайба

1шт.

16

VOE 468067

Пружина

1шт.

17

VOE 468066

Пружина

1шт.

18

VOE 468304

Шайба

1шт.

19

VOE 468305

Valve Collet

1шт.

2

VOE 423011

Valve seat

STD D

1шт.

20

VOE 478074

Valve Cap

1шт.

20

VOE 478074

Valve Cap

1шт.

21

VOE 270949

Gasket Kit

1шт.

22

VOE 470837

Прокладка

1шт.

23

VOE 422415

Кольцо уплотнительное

1шт.

23

VOE 422415

Кольцо уплотнительное

1шт.

24

VOE 423326

Кольцо уплотнительное

1шт.

25

VOE 422413

Кольцо уплотнительное

1шт.

25

VOE 422413

Кольцо уплотнительное

1шт.

26

VOE 470261

Болт

1шт.

3

VOE 468448

Valve seat

STD D

1шт.

4

VOE 422320

Valve Guide

1шт.

4

VOE 422320

Valve Guide

1шт.

5

VOE 1545135

Valve Guide

1шт.

5

VOE 1545135

Valve Guide

1шт.

6

VOE 467365

Пробка (заглушка)

(467714)

1шт.

6

VOE 467365

Пробка (заглушка)

(467714)

1шт.

7

VOE 469327

Прокладка

1шт.

7

VOE 469327

Прокладка

1шт.

8

VOE 14025455

цилиндр контактный

1шт.

9

VOE 273983

Ремкомплект

1шт.

Выбрано товаров: 38