Запчасти Volvo L220D 56989 Система масляной смазки L220D SER NO 1001-

Схема запчастей Volvo L220D - 56989 Система масляной смазки L220D SER NO 1001-
FIT
1:1
100%

Артикул

Название

Примечание

Количество

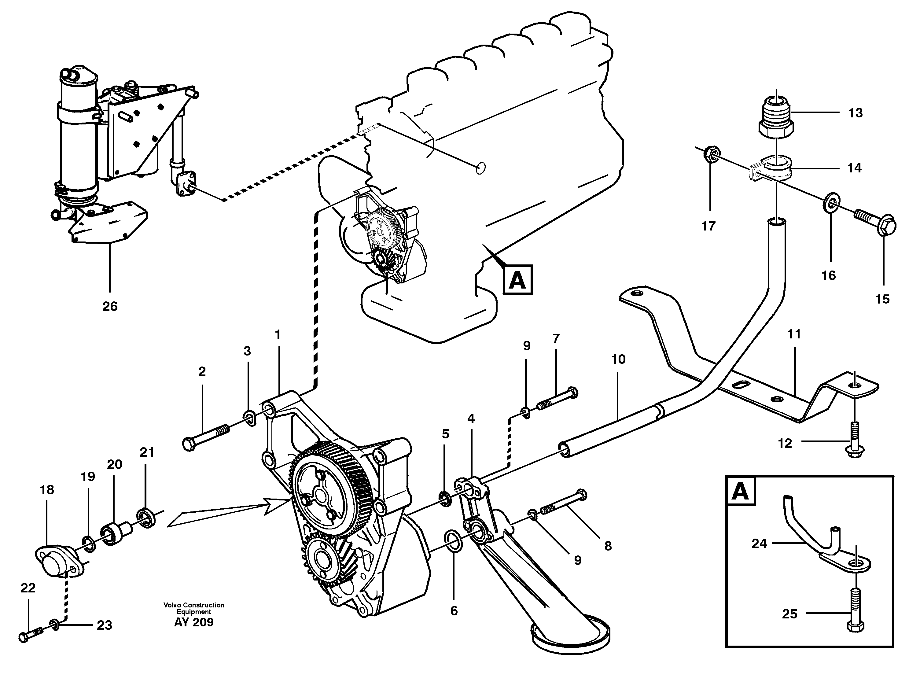
VOE 478596

Nozzle

ENG 249225 -

1шт.

1

VOE 478649

Насос масляный

1шт.

10

VOE 470375

Delivery pipe

1шт.

11

VOE 470918

Кронштейн

1шт.

12

VOE 942402

Flange screw

1шт.

12

VOE 942402

Flange screw

1шт.

13

VOE 466908

Фиттинг

1шт.

14

VOE 11000239

Зажим

1шт.

14

VOE 11000239

Зажим

1шт.

15

VOE 942402

Flange screw

1шт.

15

VOE 942402

Flange screw

1шт.

16

VOE 13955894

Шайба

(955894)

1шт.

16

VOE 13955894

Шайба

(955894)

1шт.

17

VOE 945467

Lock nut

1шт.

17

VOE 945467

Lock nut

1шт.

18

VOE 471752

Крышка

1шт.

19

VOE 949658

Кольцо уплотнительное (О-кольцо)

1шт.

19

VOE 949658

Кольцо уплотнительное (О-кольцо)

1шт.

2

VOE 955538

Винт шестигранник

1шт.

2

VOE 955538

Винт шестигранник

1шт.

20

VOE 471707

Reduction valve

1шт.

20

VOE 471707

Reduction valve

1шт.

21

VOE 469846

Кольцо уплотнительное

1шт.

21

VOE 469846

Кольцо уплотнительное

1шт.

22

VOE 940100

Винт шестигранник

1шт.

22

VOE 940100

Винт шестигранник

1шт.

23

VOE 13941906

Шайба

(941906)

1шт.

23

VOE 13941906

Шайба

(941906)

1шт.

24

VOE 468539

Nozzle

ENG - 249224

1шт.

25

VOE 13948587

Lock screw

(948587)

1шт.

25

VOE 13948587

Lock screw

(948587)

1шт.

3

VOE 13942336

Шайба пружинная

(942336)

1шт.

3

VOE 13942336

Шайба пружинная

(942336)

1шт.

4

VOE 479325

Oil strainer

1шт.

5

VOE 470263

Кольцо уплотнительное

1шт.

5

VOE 470263

Кольцо уплотнительное

1шт.

6

VOE 949659

Кольцо уплотнительное (О-кольцо)

1шт.

6

VOE 949659

Кольцо уплотнительное (О-кольцо)

1шт.

7

VOE 192546

Болт

1шт.

8

VOE 959795

Болт

L = 140 MM

1шт.

8

VOE 959795

Винт шестигранник

L = 140 MM

1шт.

9

VOE 13941907

Шайба пружинная

(941907)

1шт.

9

VOE 13941907

Шайба

(941907)

1шт.

Выбрано товаров: 43