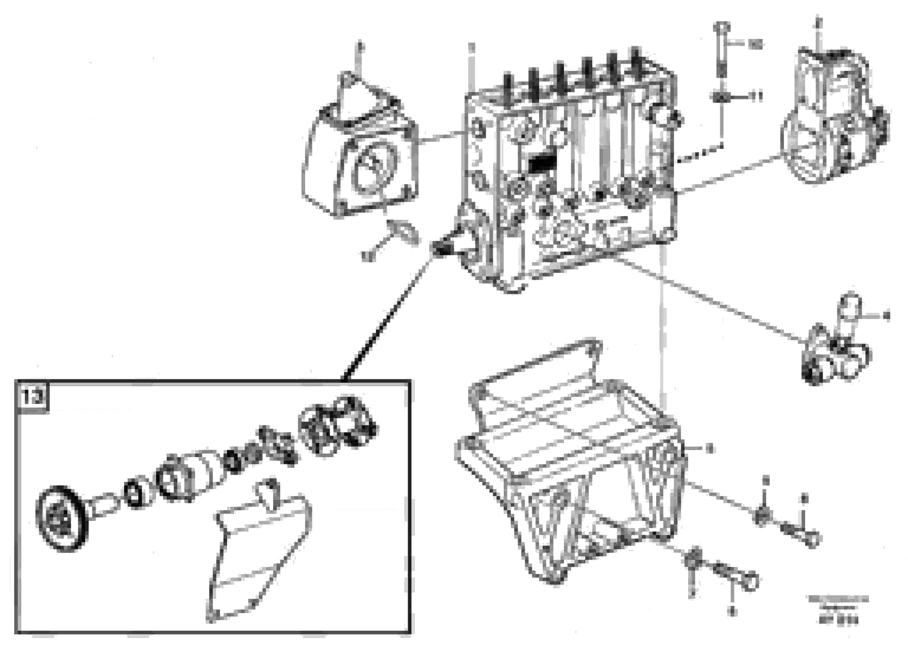
Запчасти Volvo L220D 57567 Fuel injection pump with fitting parts L220D SER NO 1001-

Схема запчастей Volvo L220D - 57567 Fuel injection pump with fitting parts L220D SER NO 1001-
FIT
1:1
100%

Артикул

Название

Примечание

Количество

VOE 11127026

Насос

1шт.

10

VOE 940156

Болт

1шт.

10

VOE 940156

Винт шестигранник

1шт.

11

VOE 190509

Шайба

1шт.

11

VOE 190509

Шайба

1шт.

12

VOE 422525

Towing eye

1шт.

12

VOE 422525

Towing eye

1шт.

5

VOE 866784

866784

1шт.

6

VOE 955566

Винт шестигранник

1шт.

6

VOE 955566

Винт шестигранник

1шт.

7

VOE 940280

Шайба пружинная

1шт.

7

VOE 940280

Шайба пружинная

1шт.

8

VOE 479696

Болт

1шт.

8

VOE 479696

Болт

1шт.

9

VOE 13940097

Шайба

(940097)

1шт.

9

VOE 13940097

Шайба

(940097)

1шт.

Выбрано товаров: 16