Запчасти Volvo L220D 21417 Alternator L220D SER NO 1001-

Схема запчастей Volvo L220D - 21417 Alternator L220D SER NO 1001-
FIT
1:1
100%

Артикул

Название

Примечание

Количество

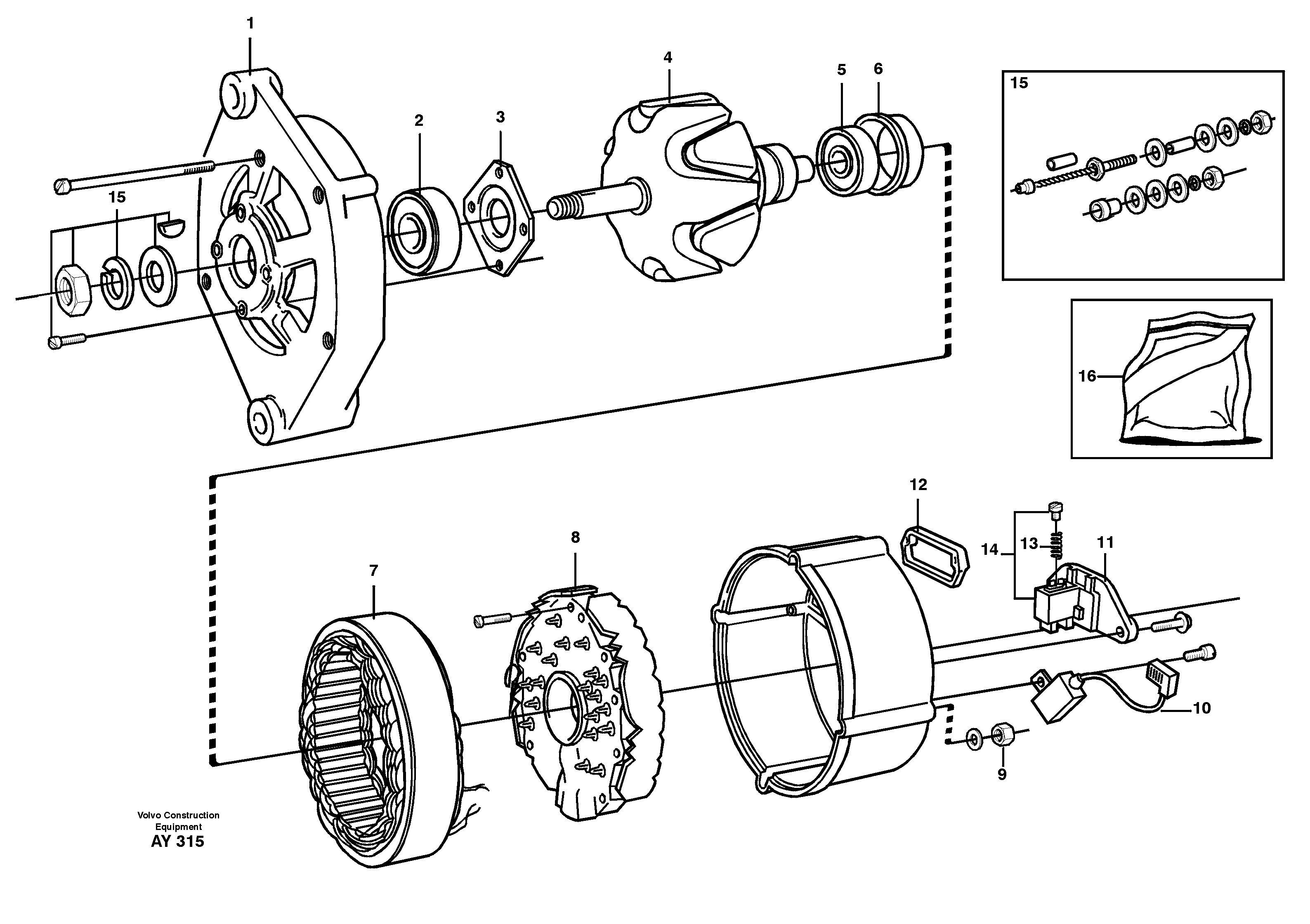
VOE 1089862

Alternator

1шт.

VOE 1089862

Alternator

1шт.

10

VOE 244347

Capacitor

1шт.

10

VOE 244347

Capacitor

1шт.

11

VOE 1625880

Regulator

1шт.

12

VOE 3090261

Прокладка

1шт.

12

VOE 3090261

Прокладка

1шт.

13

VOE 1323485

Пружина

1шт.

13

VOE 1323485

Пружина

1шт.

14

VOE 1362710

Carbon Brush Set

1шт.

15

VOE 11000286

Small Parts Kit

1шт.

15

VOE 11000286

Small Parts Kit

1шт.

16

VOE 244611

Small Parts Kit

1шт.

16

VOE 244611

Small Parts Kit

1шт.

2

VOE 3090258

Ball Bearing

1шт.

3

VOE 3544558

Тарелка клапана

1шт.

3

VOE 3544558

Тарелка клапана

1шт.

4

VOE 1698180

Sealing Washer

1шт.

5

VOE 85100098

Ball Bearing

1шт.

6

VOE 1698183

Втулка

1шт.

6

VOE 1698183

Втулка

1шт.

7

VOE 1698186

Stator

1шт.

8

VOE 3090262

Rectifier

1шт.

9

VOE 940197

Hexagon Nut

1шт.

9

VOE 940197

Hexagon Nut

1шт.

Выбрано товаров: 25