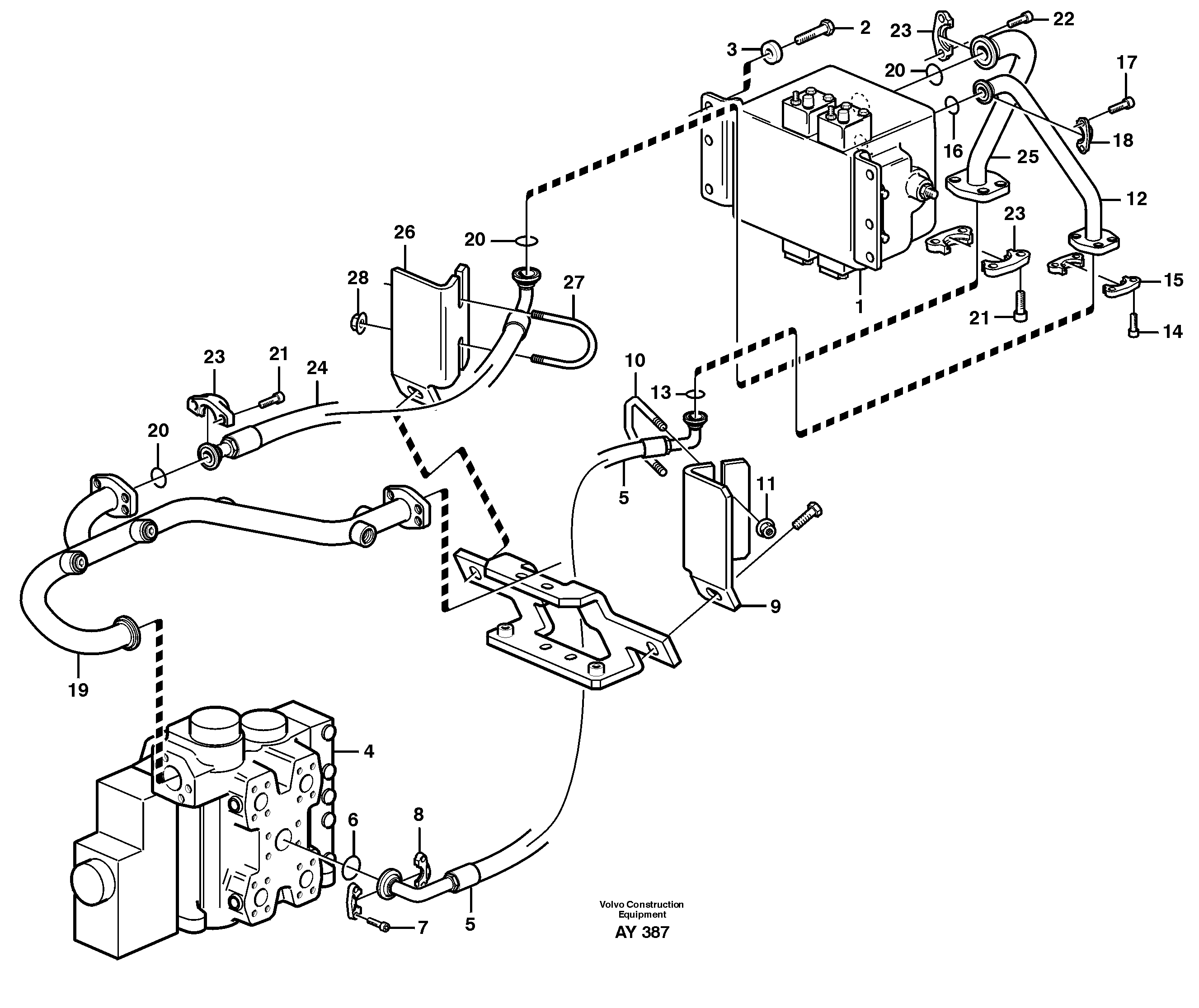
Запчасти Volvo L220D 54722 Hydraulic system, 3rd and 4th function. Feed and return lines L220D SER NO 1001-

Схема запчастей Volvo L220D - 54722 Hydraulic system, 3rd and 4th function. Feed and return lines L220D SER NO 1001-
FIT
1:1
100%

Артикул

Название

Примечание

Количество

1

VOE 11130289

Direction valve

1шт.

10

VOE 4739983

Зажим

1шт.

10

VOE 4739983

Зажим

1шт.

11

VOE 948645

Flange lock nut

1шт.

11

VOE 948645

Flange lock nut

1шт.

12

VOE 11130427

Feed line

1шт.

13

VOE 13948700

Кольцо уплотнительное (О-кольцо)

1шт.

13

VOE 13948700

Кольцо уплотнительное (О-кольцо)

1шт.

14

VOE 13965226

Болт

1шт.

14

VOE 13965226

Болт

1шт.

15

VOE 14048189

Flange half

1шт.

15

VOE 14048189

Flange half

1шт.

16

VOE 13949238

Кольцо уплотнительное (О-кольцо)

1шт.

16

VOE 13949238

Кольцо уплотнительное (О-кольцо)

1шт.

17

VOE 13966360

Flange screw

1шт.

17

VOE 13966360

Flange screw

1шт.

18

VOE 14236931

Flange half

1шт.

18

VOE 14236931

Flange half

1шт.

19

VOE 11130435

Return line

1шт.

2

VOE 13965192

Screw

1шт.

2

VOE 13965192

Болт

1шт.

20

VOE 13949239

Кольцо уплотнительное (О-кольцо)

1шт.

20

VOE 13949239

Кольцо уплотнительное (О-кольцо)

1шт.

21

VOE 968304

Allen Hd Screw

1шт.

22

VOE 965225

Flange screw

1шт.

22

VOE 965225

Flange screw

1шт.

23

VOE 931936

Flange half

1шт.

23

VOE 931936

Flange half

1шт.

24

VOE 935379

Hose assembly

1шт.

25

VOE 11130431

Return line

1шт.

26

VOE 11130669

Пластина

1шт.

27

VOE 11018851

Зажим

1шт.

28

VOE 13971098

Flange nut

1шт.

28

VOE 13971098

Flange nut

1шт.

3

VOE 4850822

Вставка

1шт.

3

VOE 4850822

Вставка

1шт.

5

VOE 935378

Hose assembly

1шт.

9

VOE 11130670

Пластина

1шт.

Выбрано товаров: 38