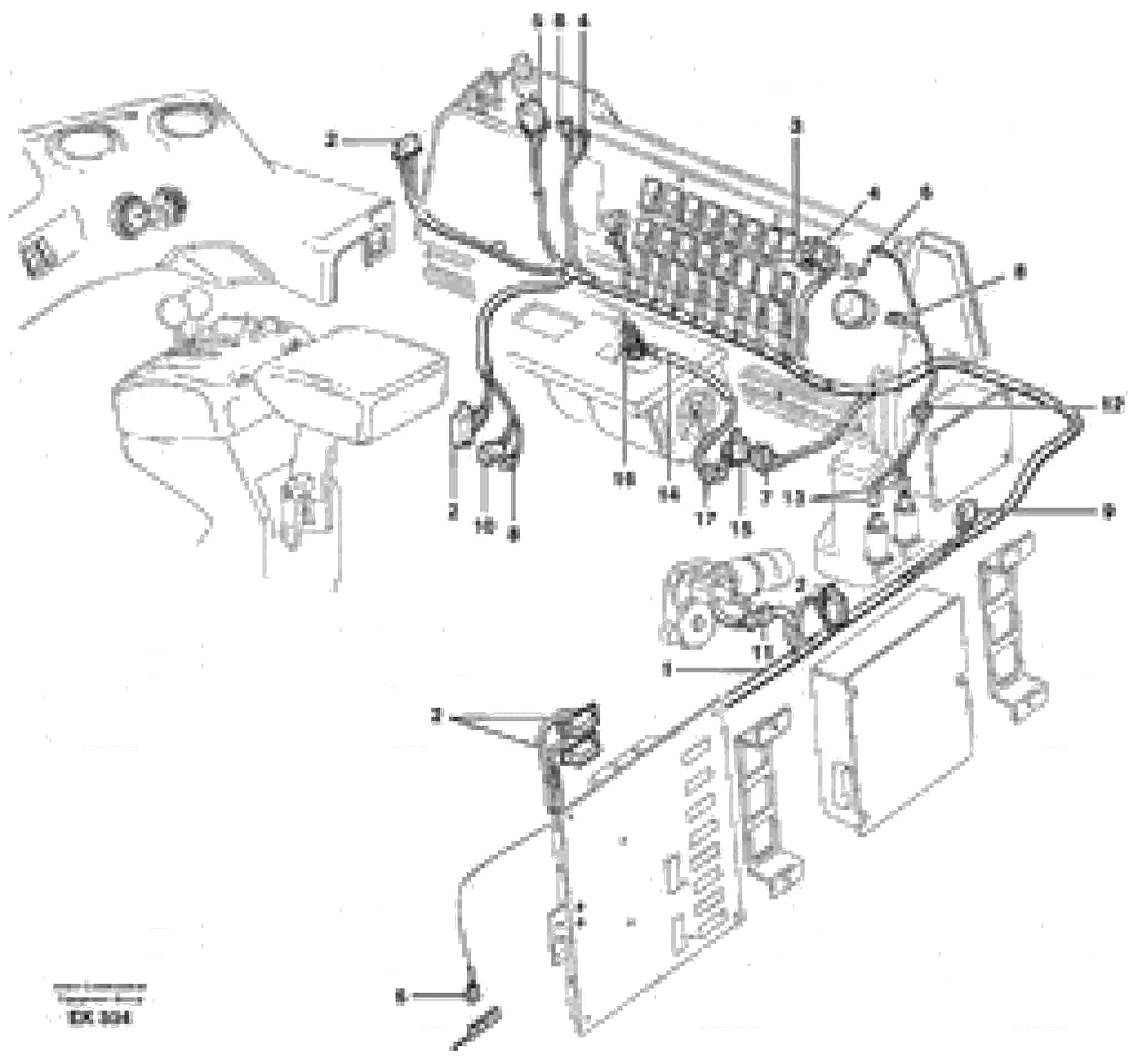
Запчасти Volvo L220E 29614 Cable harnesses, cab L220E SER NO 4003 - 5020

Схема запчастей Volvo L220E - 29614 Cable harnesses, cab L220E SER NO 4003 - 5020
FIT
1:1
100%

Артикул

Название

Примечание

Количество

1

VOE 11171081

Cable harness

1шт.

10

VOE 948295

Insulator

1шт.

10

VOE 948295

Изолятор

1шт.

11

VOE 968388

Картер (корпус)

1шт.

12

VOE 961970

Пробка (заглушка)

1шт.

12

VOE 961970

Пробка (заглушка)

1шт.

13

VOE 1259830

Изолятор

1шт.

13

VOE 1259830

Картер (корпус)

1шт.

14

VOE 11041350

11041350

1шт.

15

VOE 1096614

Картер (корпус)

1шт.

15

VOE 1096614

Изолятор

1шт.

16

VOE 13949597

Изолятор

1шт.

16

VOE 13949597

Protecting sleeve

1шт.

17

VOE 13961962

Protecting bushing

1шт.

17

VOE 13961962

Protecting bushing

1шт.

2

VOE 1096619

Картер (корпус)

1шт.

2

VOE 1096619

Изолятор

1шт.

3

VOE 4803454

Receptacle housing

1шт.

3

VOE 4803454

Receptacle housing

1шт.

4

VOE 4803532

Socket housing

1шт.

4

VOE 4803532

Socket housing

1шт.

5

VOE 1307600

Картер (корпус)

1шт.

5

VOE 1307600

Изолятор

1шт.

6

VOE 13949597

Изолятор

1шт.

6

VOE 13949597

Protecting sleeve

1шт.

7

VOE 1096618

Receptacle housing

1шт.

7

VOE 1096618

Receptacle housing

1шт.

8

VOE 13958210

Receptacle housing

1шт.

8

VOE 13958210

Receptacle housing

1шт.

9

VOE 8159086

Receptacle housing

1шт.

9

VOE 8159086

Receptacle housing

1шт.

Выбрано товаров: 31