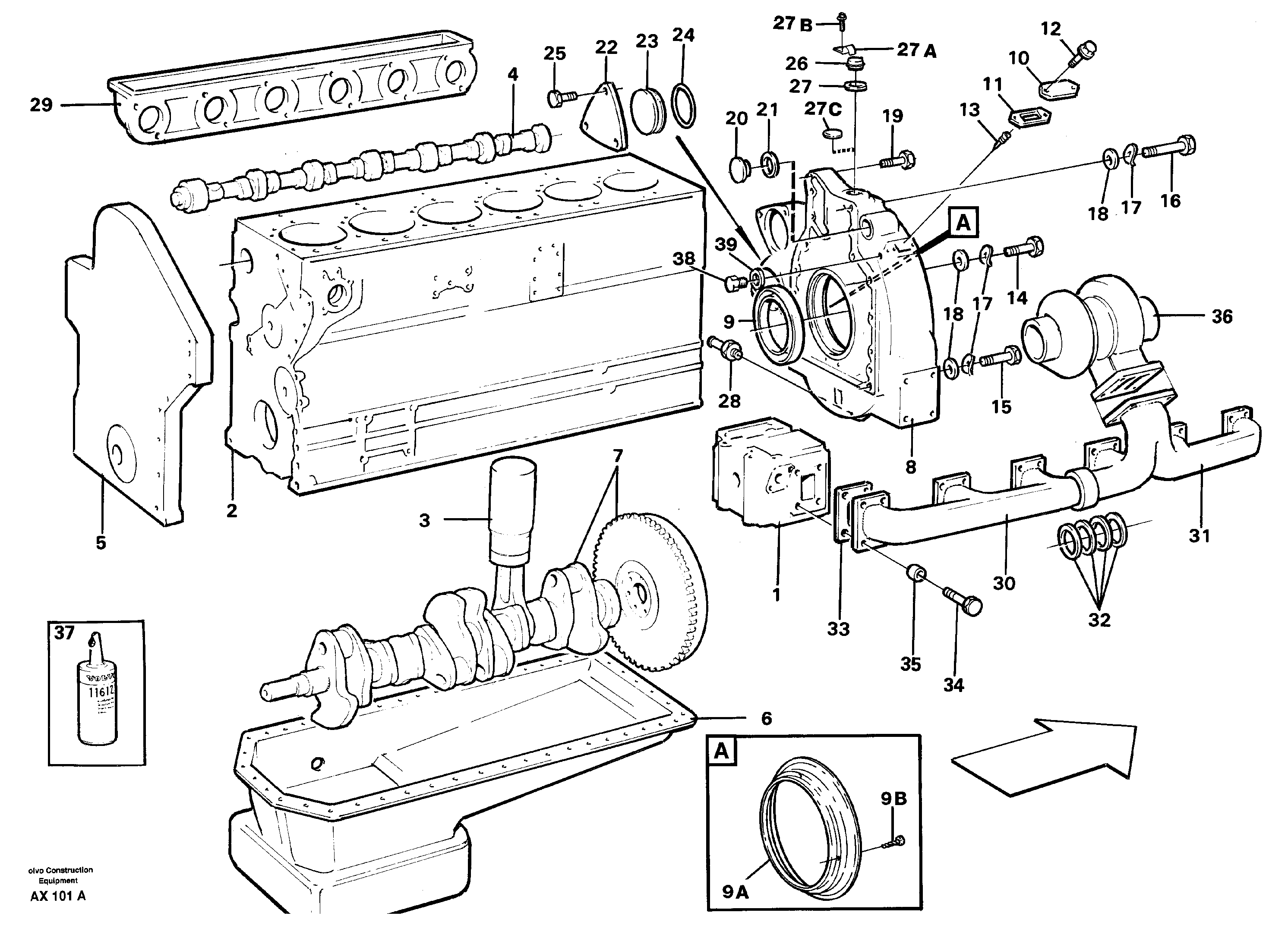
Запчасти Volvo L330C 12160 Engine with fitting parts L330C SER NO 60188-

Схема запчастей Volvo L330C - 12160 Engine with fitting parts L330C SER NO 60188-
FIT
1:1
100%

Артикул

Название

Примечание

Количество

VOE 11032160

Картер маховика

ENG 28294 -

1шт.

VOE 497773

Двигатель в сборе

TD 164 KAE

1шт.

VOE 497773

Двигатель в сборе

TD 164 KAE

1шт.

10

VOE 4772168

Cover

1шт.

10

VOE 4772168

Крышка

1шт.

11

VOE 4804167

Прокладка

1шт.

11

VOE 4804167

Прокладка

1шт.

12

VOE 13946934

Болт

1шт.

12

VOE 13946934

Болт

1шт.

13

VOE 4772141

Setting indicator

1шт.

14

VOE 971003

Винт шестигранник

M14x70 MM

1шт.

14

VOE 971003

Винт шестигранник

M14x70 MM

1шт.

15

VOE 971005

Винт шестигранник

M14x80 MM

1шт.

15

VOE 971005

Винт шестигранник

M14x80 MM

1шт.

16

VOE 13971008

Винт шестигранник

M14x110 MM

1шт.

17

VOE 941911

Шайба пружинная

1шт.

17

VOE 941911

Шайба пружинная

1шт.

18

VOE 955899

Шайба

1шт.

18

VOE 955899

Шайба

1шт.

19

VOE 13965181

Болт

M8x70 MM

1шт.

19

VOE 13965181

Screw

M8x70 MM

1шт.

20

VOE 467367

Пробка (заглушка)

1шт.

20

VOE 467367

Пробка (заглушка)

1шт.

21

VOE 1556907

Прокладка

1шт.

21

VOE 1556907

Прокладка

1шт.

22

VOE 849135

Крышка

1шт.

22

VOE 849135

Крышка

1шт.

23

VOE 11032027

Крышка

1шт.

24

VOE 967344

Кольцо уплотнительное (О-кольцо)

1шт.

24

VOE 967344

Кольцо уплотнительное (О-кольцо)

1шт.

25

VOE 13959253

Allen Hd Screw

1шт.

26

VOE 11031785

Пробка (заглушка)

ENG - 28293

1шт.

26

VOE 11031785

Пробка (заглушка)

ENG - 28293

1шт.

27

VOE 421158

Кольцо уплотнительное

ENG - 28293

1шт.

27

VOE 421158

Кольцо уплотнительное

ENG - 28293

1шт.

27A

VOE 11032071

Зажим

ENG - 28293

1шт.

27B

VOE 13944926

Болт

ENG - 28293

1шт.

27B

VOE 13944926

Болт

ENG - 28293

1шт.

27C

VOE 955100

Заглушка

ENG 28294 -

1шт.

27C

VOE 955100

Заглушка

ENG 28294 -

1шт.

30

VOE 1543534

Exhaust pipe

1шт.

30

VOE 1543534

Exhaust pipe

1шт.

31

VOE 11032263

Exhaust pipe

1шт.

31

VOE 11032263

Exhaust pipe

1шт.

32

VOE 470323

Кольцо уплотнительное

1шт.

32

VOE 470323

Кольцо уплотнительное

1шт.

33

VOE 11987587

Прокладка

1шт.

34

VOE 13965189

Screw

1шт.

34

VOE 13965189

Болт

1шт.

35

VOE 1546517

Spacer sleeve

1шт.

35

VOE 1546517

Spacer sleeve

1шт.

37

VOE 11713514

Sealant

1шт.

37

VOE 11713514

Sealant

1шт.

38

VOE 180761

Пробка (заглушка)

1шт.

38

VOE 180761

Пробка (заглушка)

1шт.

39

VOE 7011996

Прокладка

1шт.

39

VOE 7011996

Прокладка

1шт.

8

VOE 11701055

Картер маховика

(11032062), ENG - 28293

1шт.

9

VOE 1543896

Кольцо уплотнительное

1шт.

9

VOE 1543896

Кольцо уплотнительное

1шт.

9A

VOE 11030271

Oil deflector ring

ENG 28294 -

1шт.

9A

VOE 11030271

Oil deflector ring

ENG 28294 -

1шт.

9B

VOE 13905650

Drive screw

ENG 28294 -

1шт.

9B

VOE 13905650

Drive screw

ENG 28294 -

1шт.

Выбрано товаров: 64