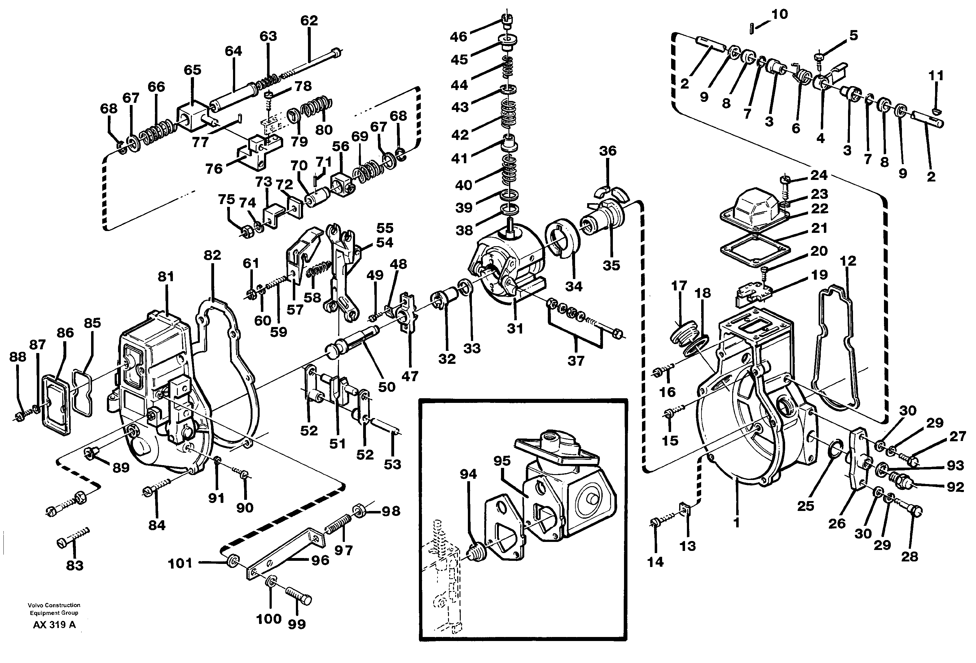
Запчасти Volvo L330C 57673 Centrifugal governor L330C SER NO 60188-

Схема запчастей Volvo L330C - 57673 Centrifugal governor L330C SER NO 60188-
FIT
1:1
100%

Артикул

Название

Примечание

Количество

VOE 244770

Прокладка

THICK = 2,11 MM

1шт.

VOE 244771

Прокладка

THICK = 2,14 MM

1шт.

VOE 244754

Прокладка

THICK = 1,63 MM

1шт.

VOE 244755

Прокладка

THICK = 1,66 MM

1шт.

VOE 244757

Прокладка

THICK = 1,72 MM

1шт.

VOE 244758

Прокладка

THICK = 1,75 MM

1шт.

VOE 244759

Прокладка

THICK = 1,78 MM

1шт.

VOE 244760

Прокладка

THICK = 1,81 MM

1шт.

VOE 244761

Прокладка

THICK = 1,84 MM

1шт.

VOE 244763

Прокладка

THICK = 1,90 MM

1шт.

VOE 244764

Прокладка

THICK = 1,93 MM

1шт.

VOE 244765

Прокладка

THICK = 1,96 MM

1шт.

VOE 244766

Прокладка

THICK = 1,99 MM

1шт.

VOE 244767

Прокладка

THICK = 2,02 MM

1шт.

VOE 244768

Прокладка

THICK = 2,05 MM

1шт.

VOE 244769

Прокладка

THICK = 2,08 MM

1шт.

VOE 244756

Прокладка

THICK = 1,69 MM

1шт.

VOE 11987537

Прокладка

THICK = 1,87 MM

1шт.

1

VOE 11701912

Regulator housing

1шт.

10

VOE 244979

Lock Pin

1шт.

100

VOE 13949607

Шайба

1шт.

100

VOE 13949607

Шайба

1шт.

101

VOE 11998416

Intermediate ring

1шт.

11

VOE 7077582

Key

1шт.

11

VOE 7077582

Key

1шт.

12

VOE 11996356

Кольцо уплотнительное

1шт.

13

VOE 1699559

Шайба

1шт.

14

VOE 862428

Болт

1шт.

16

VOE 11994532

Болт

1шт.

17

VOE 240688

240688

1шт.

18

VOE 1699836

Шайба

1шт.

20

VOE 847991

Болт

1шт.

21

VOE 1699638

Прокладка

1шт.

22

VOE 1699637

Крышка

1шт.

23

VOE 13949607

Шайба

1шт.

23

VOE 13949607

Шайба

1шт.

24

VOE 847452

Болт

1шт.

24

VOE 847452

Болт

1шт.

25

VOE 1698746

Кольцо уплотнительное (О-кольцо)

1шт.

25

VOE 1698746

Кольцо уплотнительное (О-кольцо)

1шт.

26

VOE 1698744

Connecting flange

1шт.

26

VOE 1698744

Connecting flange

1шт.

27

VOE 239707

Болт

1шт.

28

VOE 1698745

Болт

1шт.

29

VOE 11701982

Spring ring

1шт.

30

VOE 13955894

Шайба

1шт.

30

VOE 13955894

Шайба

1шт.

31

VOE 3094402

Regulator hub

1шт.

31

VOE 3094402

Regulator hub

1шт.

33

VOE 244753

Прокладка

THICK = 1,60 MM

1шт.

34

VOE 11998389

Cap

1шт.

35

VOE 1698750

Companion flange

1шт.

36

VOE 864745

Rubber cushion

1шт.

37

VOE 3094403

Small parts kit

1шт.

38

VOE 244745

Шайба

1шт.

39

VOE 243087

Шайба

1шт.

4

VOE 244588

244588

1шт.

40

VOE 238612

Пружина

1шт.

41

VOE 1698741

Spring washer

1шт.

41

VOE 1698741

Шайба пружинная

1шт.

42

VOE 244621

Compression spring

1шт.

43

VOE 239300

Шайба

1шт.

44

VOE 3094385

Compression spring

1шт.

45

VOE 244622

Spring disc

1шт.

46

VOE 244623

Round nut

1шт.

47

VOE 1698514

Втулка

1шт.

47

VOE 1698514

Втулка (распорная)

1шт.

47

VOE 1698514

Bushing

1шт.

48

VOE 240565

Striker plate

1шт.

49

VOE 13955271

Болт

1шт.

49

VOE 13955271

Болт

1шт.

5

VOE 241102

Болт

1шт.

5

VOE 241102

Болт

1шт.

50

VOE 1699632

Bearing bolt

1шт.

51

VOE 1699633

Тяга поворотная

1шт.

52

VOE 1699634

Steering arm

1шт.

53

VOE 1699611

1699611

1шт.

54

VOE 11701913

Link Yoke

1шт.

55

VOE 1699591

Control arm

1шт.

56

VOE 1699592

Тяга поворотная

1шт.

57

VOE 1699593

Коромысло клапанов

1шт.

58

VOE 1699602

Пружина

1шт.

59

VOE 1699605

Шпилька

1шт.

6

VOE 1697936

Пружина

1шт.

60

VOE 955919

Шайба пружинная

1шт.

60

VOE 955919

Шайба пружинная

1шт.

61

VOE 940197

Hexagon nut

1шт.

61

VOE 940197

Hexagon nut

1шт.

63

VOE 1699598

Пружина

1шт.

67

VOE 239009

Прокладка

1шт.

69

VOE 1699595

Пружина

1шт.

7

VOE 244630

Кольцо уплотнительное (О-кольцо)

1шт.

7

VOE 244630

Кольцо уплотнительное (О-кольцо)

1шт.

71

VOE 1699600

Палец

1шт.

72

VOE 1699601

Гайка

1шт.

73

VOE 1699606

Sstiker plate

1шт.

74

VOE 241705

Spring ring

1шт.

75

VOE 955780

Hexagon nut

1шт.

75

VOE 955780

Hexagon nut

1шт.

77

VOE 1698742

Lock Pin

1шт.

81

VOE 11701914

Regulator Cover

1шт.

82

VOE 1699627

Прокладка

1шт.

83

VOE 1699522

Болт

1шт.

84

VOE 3825265

Болт

1шт.

85

VOE 1699640

Кольцо уплотнительное

1шт.

86

VOE 1699639

Крышка

1шт.

87

VOE 13949607

Шайба

1шт.

87

VOE 13949607

Шайба

1шт.

88

VOE 241779

Болт

1шт.

89

VOE 865113

Protecting casing

1шт.

89

VOE 865113

Protecting casing

1шт.

9

VOE 11704613

Шайба

(233372)

1шт.

9

VOE 11704613

Шайба

(233372)

1шт.

90

VOE 3094395

Болт

1шт.

91

VOE 3094394

Сальник

1шт.

92

VOE 3094583

Пробка (заглушка)

1шт.

92

VOE 3094583

Пробка (заглушка)

1шт.

93

VOE 13947624

Plane gasket

1шт.

93

VOE 13947624

Plane gasket

1шт.

94

VOE 240120

Втулка

1шт.

95

VOE 11701915

Smoke Limiter

1шт.

97

VOE 11704472

регулировочный винт

1шт.

98

VOE 940197

Hexagon nut

1шт.

98

VOE 940197

Hexagon nut

1шт.

99

VOE 13955272

Болт

1шт.

99

VOE 13955272

Болт

1шт.

Выбрано товаров: 126