Запчасти Volvo L330C 20454 Propeller shaft, mounting L330C SER NO 60188-

Схема запчастей Volvo L330C - 20454 Propeller shaft, mounting L330C SER NO 60188-
FIT
1:1
100%

Артикул

Название

Примечание

Количество

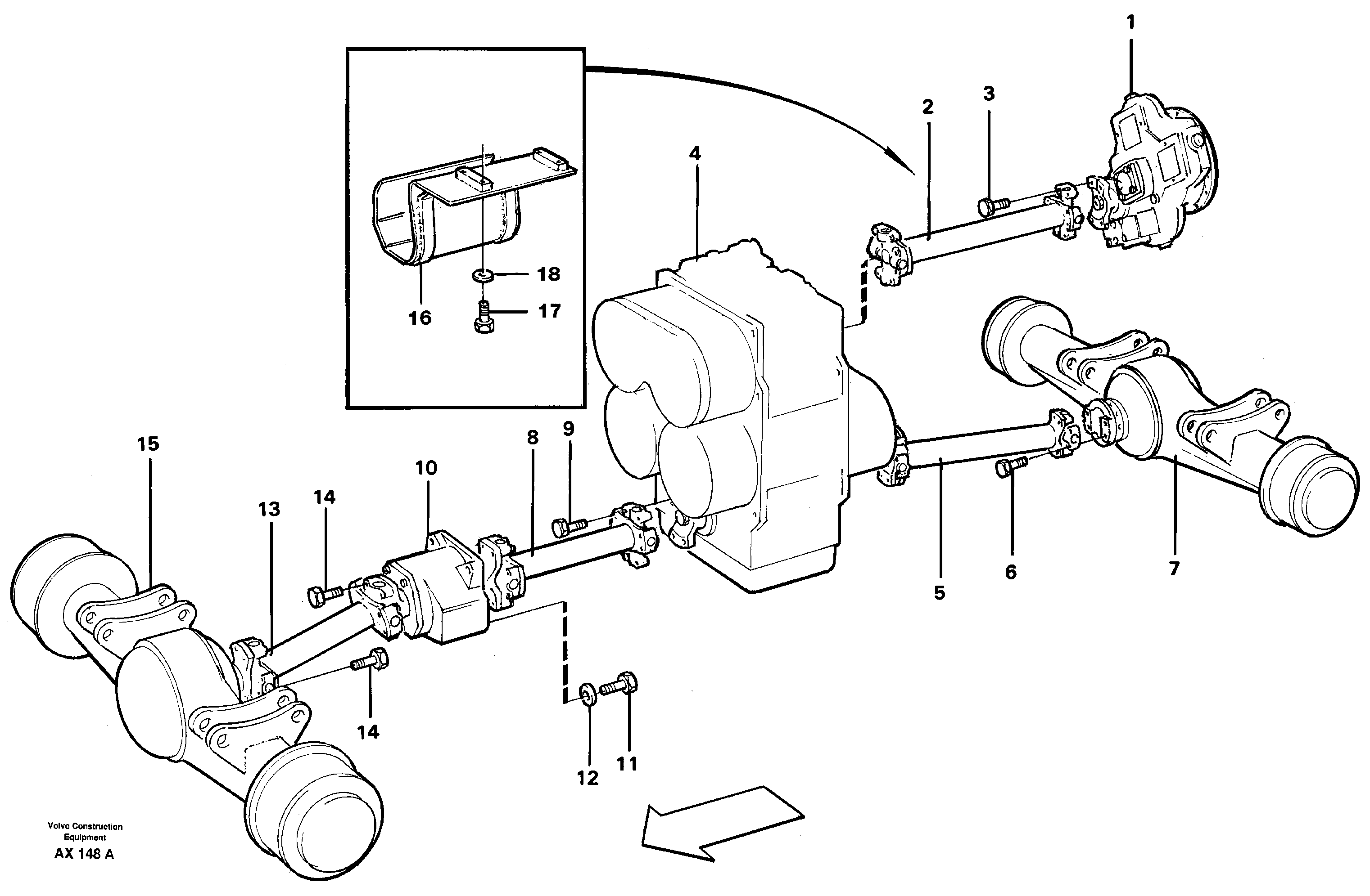
10

VOE 12610183

Подшипник

1шт.

11

VOE 13809427

Винт шестигранник

1шт.

12

VOE 11160899

Шайба

(13802920)

1шт.

12

VOE 11160899

Шайба

(13802920)

1шт.

13

VOE 12569673

Вал карданный

1шт.

14

VOE 13810902

Болт

1шт.

16

VOE 11141972

Guard

1шт.

17

VOE 13811077

Болт

1шт.

18

VOE 11160896

Шайба

1шт.

18

VOE 11160896

Шайба

1шт.

2

VOE 12569673

Вал карданный

1шт.

3

VOE 13810902

Болт

1шт.

5

VOE 11079691

Вал карданный

1шт.

6

VOE 13810902

Болт

1шт.

8

VOE 12569672

Вал карданный

1шт.

9

VOE 13810902

Болт

1шт.

Выбрано товаров: 16