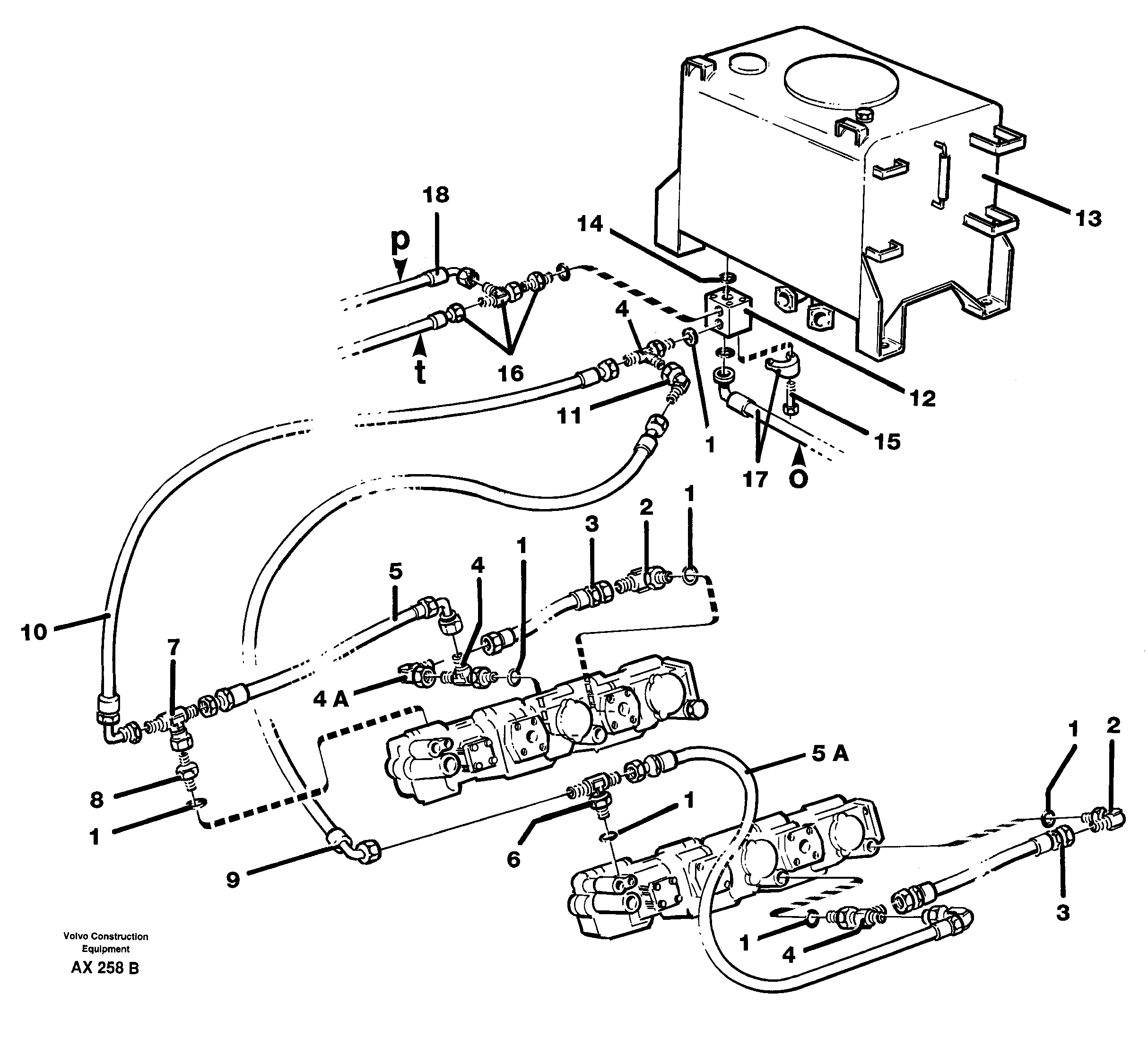
Запчасти Volvo L330C 50759 Hydraulic system, return line, pump L330C SER NO 60188-

Схема запчастей Volvo L330C - 50759 Hydraulic system, return line, pump L330C SER NO 60188-
FIT
1:1
100%

Артикул

Название

Примечание

Количество

VOE 935208

Hose assembly

SER NO 60330 -

1шт.

1

VOE 932041

Кольцо уплотнительное (О-кольцо)

1шт.

1

VOE 932041

Кольцо уплотнительное (О-кольцо)

1шт.

10

VOE 935207

Hose assembly

1шт.

11

VOE 4821885

Clutch

SER NO - 60329

1шт.

12

VOE 11109501

Connection block

1шт.

14

VOE 982737

Кольцо уплотнительное (О-кольцо)

1шт.

14

VOE 982737

Кольцо уплотнительное (О-кольцо)

1шт.

15

VOE 13948825

Болт

1шт.

15

VOE 13948825

Болт

1шт.

2

VOE 13807508

Elbow

1шт.

2

VOE 13807508

Elbow

1шт.

3

VOE 11079973

Hose assembly

1шт.

4

VOE 13807613

Tee

1шт.

4

VOE 13807613

Tee

1шт.

4A

VOE 4821880

L-connection

1шт.

4A

VOE 4821880

L-connection

1шт.

5

VOE 11046947

Hose assembly

1шт.

5A

VOE 13933762

Hose assembly

1шт.

6

VOE 13807534

Tee

1шт.

7

VOE 13801656

Tee

1шт.

8

VOE 13807495

Соединитель

1шт.

8

VOE 13807495

Фиттинг

1шт.

9

VOE 13933763

Hose assembly

SER NO - 60329

1шт.

Выбрано товаров: 24