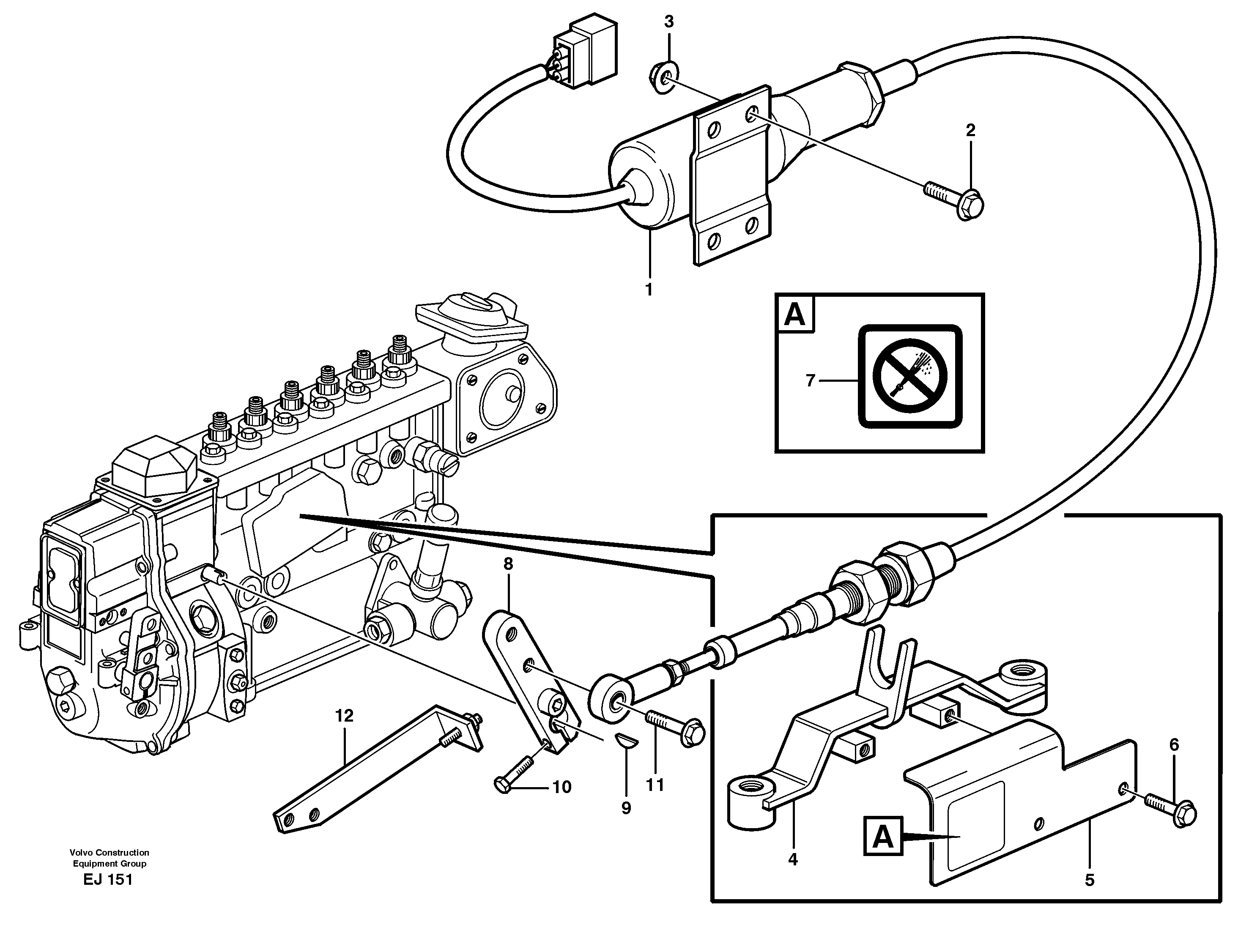
Запчасти Volvo L330D 84422 Stop control L330D

Схема запчастей Volvo L330D - 84422 Stop control L330D
FIT
1:1
100%

Артикул

Название

Примечание

Количество

1

VOE 11110030

Соленоид (электромагнитный клапан)

MA201

1шт.

10

VOE 955246

Винт шестигранник

1шт.

10

VOE 955246

Винт шестигранник

1шт.

11

VOE 980829

Flange screw

1шт.

2

VOE 13946173

Screw

1шт.

2

VOE 13946173

Болт

1шт.

3

VOE 13945408

Гайка

1шт.

3

VOE 13945408

Гайка

1шт.

4

VOE 11032152

11032152

1шт.

5

VOE 11032165

Protection

1шт.

6

VOE 946671

Flange screw

1шт.

6

VOE 946671

Flange screw

1шт.

7

VOE 13935005

Warning decal

1шт.

7

VOE 13935005

Warning decal

1шт.

8

VOE 11032817

11032817

1шт.

9

VOE 7077582

Key

1шт.

9

VOE 7077582

Key

1шт.

Выбрано товаров: 17