Запчасти Volvo L330E 57193 Гидронасос (основной насос) L330E

Схема запчастей Volvo L330E - 57193 Гидронасос (основной насос) L330E
FIT
1:1
100%

Артикул

Название

Примечание

Количество

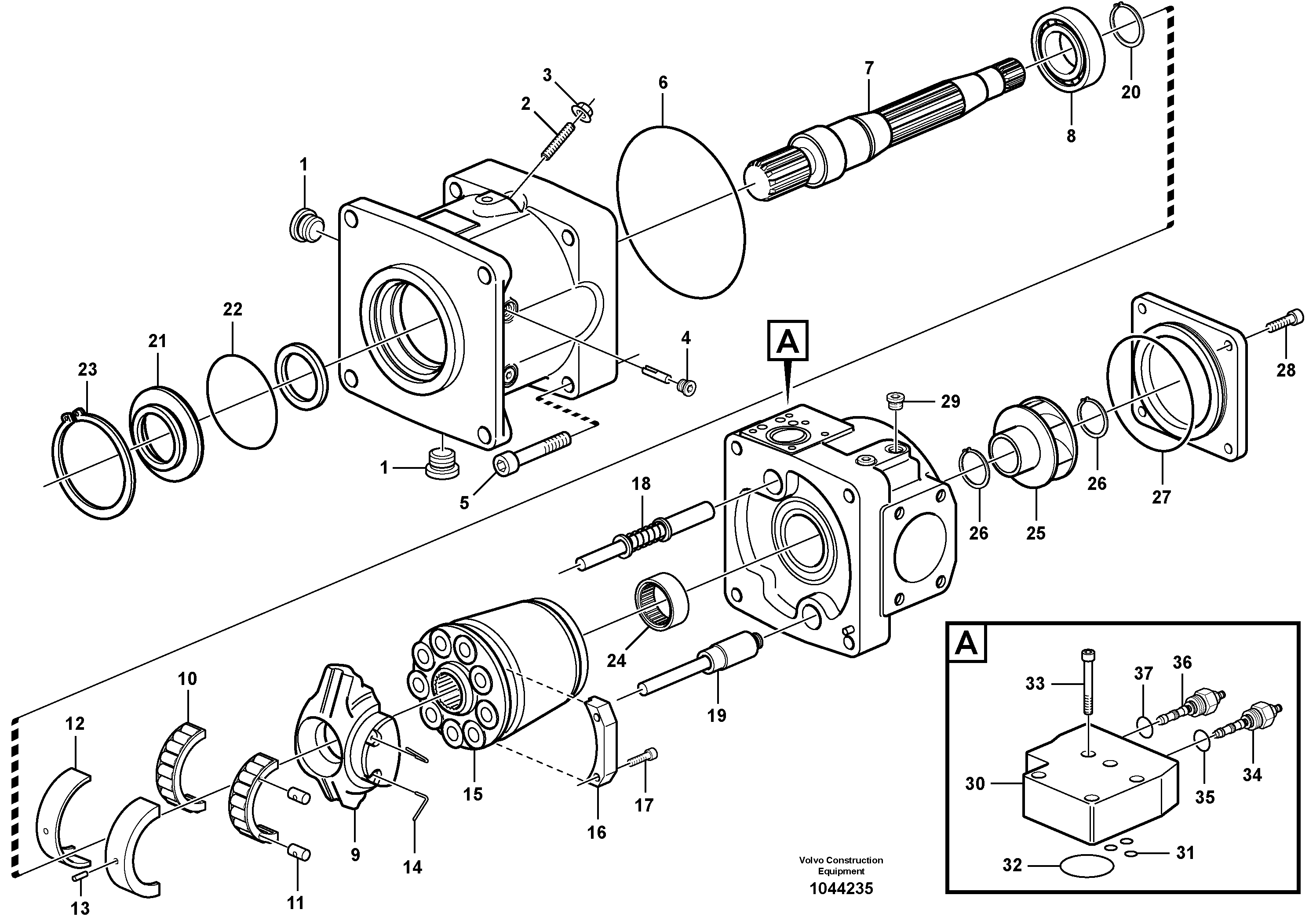
VOE 11715724

Regulator

1шт.

VOE 11715731

Клапан

1шт.

VOE 11715732

Sealing kit

1шт.

VOE 11096959

Гидронасос (основной насос)

S/N - 60224

1шт.

VOE 11096959

Гидронасос (основной насос)

S/N - 60224

1шт.

VOE 11411497

Гидронасос (основной насос)

S/N 60225 -

1шт.

1

VOE 11370746

Пробка (заглушка)

1шт.

10

VOE 11708395

Подшипник

1шт.

11

VOE 11708391

Подшипник

1шт.

12

VOE 11708392

Подшипник

1шт.

13

VOE 11708384

11708384

1шт.

14

VOE 11708390

Wire

1шт.

15

VOE 11708387

Pump unit

1шт.

16

VOE 11708394

Lock catch

1шт.

17

VOE 11708398

Болт

1шт.

18

VOE 11708374

Control unit

1шт.

19

VOE 11708375

Control unit

1шт.

2

VOE 11708380

регулировочный винт

1шт.

20

VOE 11708396

Retaining ring

1шт.

21

VOE 11701471

Кольцо уплотнительное

1шт.

21

VOE 11701471

Кольцо уплотнительное

1шт.

22

VOE 11708335

Кольцо уплотнительное (О-кольцо)

1шт.

23

VOE 11708397

Retaining ring

1шт.

24

VOE 11708399

Подшипник

1шт.

25

VOE 11708376

Pump rotor

1шт.

26

VOE 11708385

Lock ring

1шт.

27

VOE 11708340

Кольцо уплотнительное (О-кольцо)

1шт.

28

VOE 959274

Allen Hd Screw

1шт.

29

VOE 11708386

Lock screw

1шт.

3

VOE 11708381

Lock

1шт.

30

VOE 11708373

Regulator

1шт.

31

VOE 11708337

Кольцо уплотнительное (О-кольцо)

1шт.

32

VOE 11708338

Кольцо уплотнительное (О-кольцо)

1шт.

33

VOE 959227

Allen Hd Screw

1шт.

34

VOE 11708400

Клапан

1шт.

35

VOE 11708339

Кольцо уплотнительное (О-кольцо)

1шт.

36

VOE 11708401

Клапан

1шт.

37

VOE 11708339

Кольцо уплотнительное (О-кольцо)

1шт.

4

VOE 11708382

Lock

1шт.

5

VOE 974159

Allen Hd Screw

1шт.

6

VOE 11708336

Кольцо уплотнительное (О-кольцо)

1шт.

7

VOE 11708389

Полуось

1шт.

8

VOE 11708393

Подшипник

1шт.

9

VOE 11708388

Вилка

1шт.

Выбрано товаров: 44