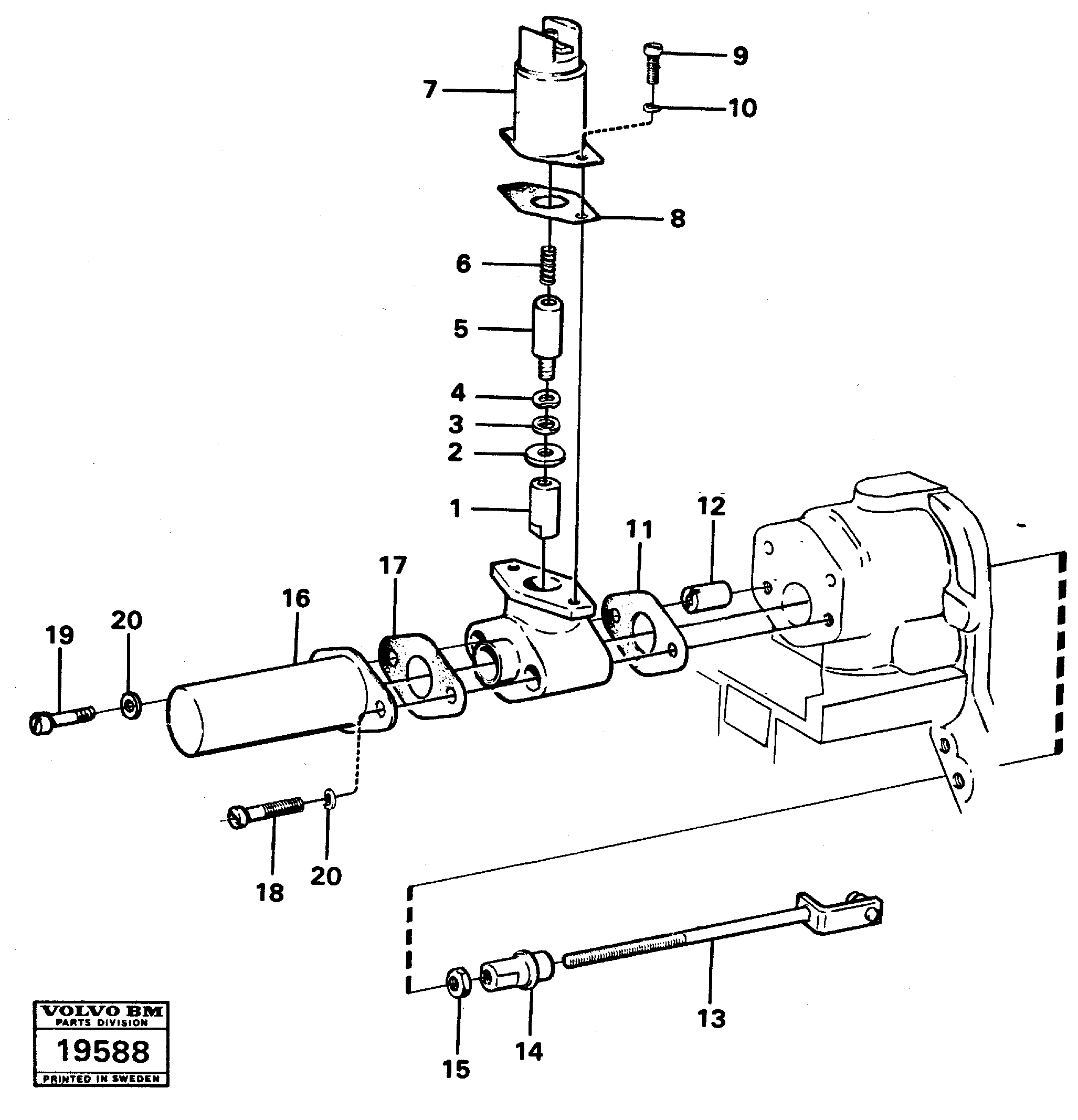
Запчасти Volvo L50 469 Cold-starting device L50 L50 S/N -6400/-60300 USA

Схема запчастей Volvo L50 - 469 Cold-starting device L50 L50 S/N -6400/-60300 USA
FIT
1:1
100%

Артикул

Название

Примечание

Количество

VOE 240695

Cold Start Dvc

1шт.

VOE 7120278

Шайба

THICK=0,5

1шт.

VOE 240699

Шайба

THICK=1,0

1шт.

1

VOE 240697

Болт

1шт.

10

VOE 941905

Шайба пружинная

1шт.

10

VOE 941905

Шайба пружинная

1шт.

11

VOE 1698173

Прокладка

1шт.

11

VOE 1698173

Прокладка

1шт.

12

VOE 240704

Гайка

1шт.

12

VOE 240704

Гайка

1шт.

14

VOE 240696

Втулка

1шт.

15

VOE 955780

Hexagon Nut

1шт.

15

VOE 955780

Hexagon Nut

1шт.

16

VOE 6648454

Ptct Casing

1шт.

16

VOE 6648454

Ptct Casing

1шт.

17

VOE 1698174

Сальник

1шт.

18

VOE 6210714

Болт

1шт.

18

VOE 6210714

Болт

1шт.

19

VOE 14014666

Болт

L=10

1шт.

19

VOE 14014666

Болт

L=10

1шт.

2

VOE 7240698

Шайба

1шт.

20

VOE 13941906

Шайба

1шт.

20

VOE 13941906

Шайба

1шт.

3

VOE 120279

Шайба

THICK=0,2

1шт.

4

VOE 941905

Шайба пружинная

1шт.

4

VOE 941905

Шайба пружинная

1шт.

5

VOE 240700

Болт

1шт.

6

VOE 240701

Пружина

1шт.

7

VOE 240702

Magnet

1шт.

7

VOE 240702

Magnet

1шт.

8

VOE 1698170

Прокладка

1шт.

8

VOE 1698170

Прокладка

1шт.

9

VOE 956075

X Rec Screw

1шт.

9

VOE 956075

X Rec Screw

1шт.

Выбрано товаров: 34