Запчасти Volvo L50 90226 Насос L50 L50 S/N -6400/-60300 USA

Схема запчастей Volvo L50 - 90226 Насос L50 L50 S/N -6400/-60300 USA
FIT
1:1
100%

Артикул

Название

Примечание

Количество

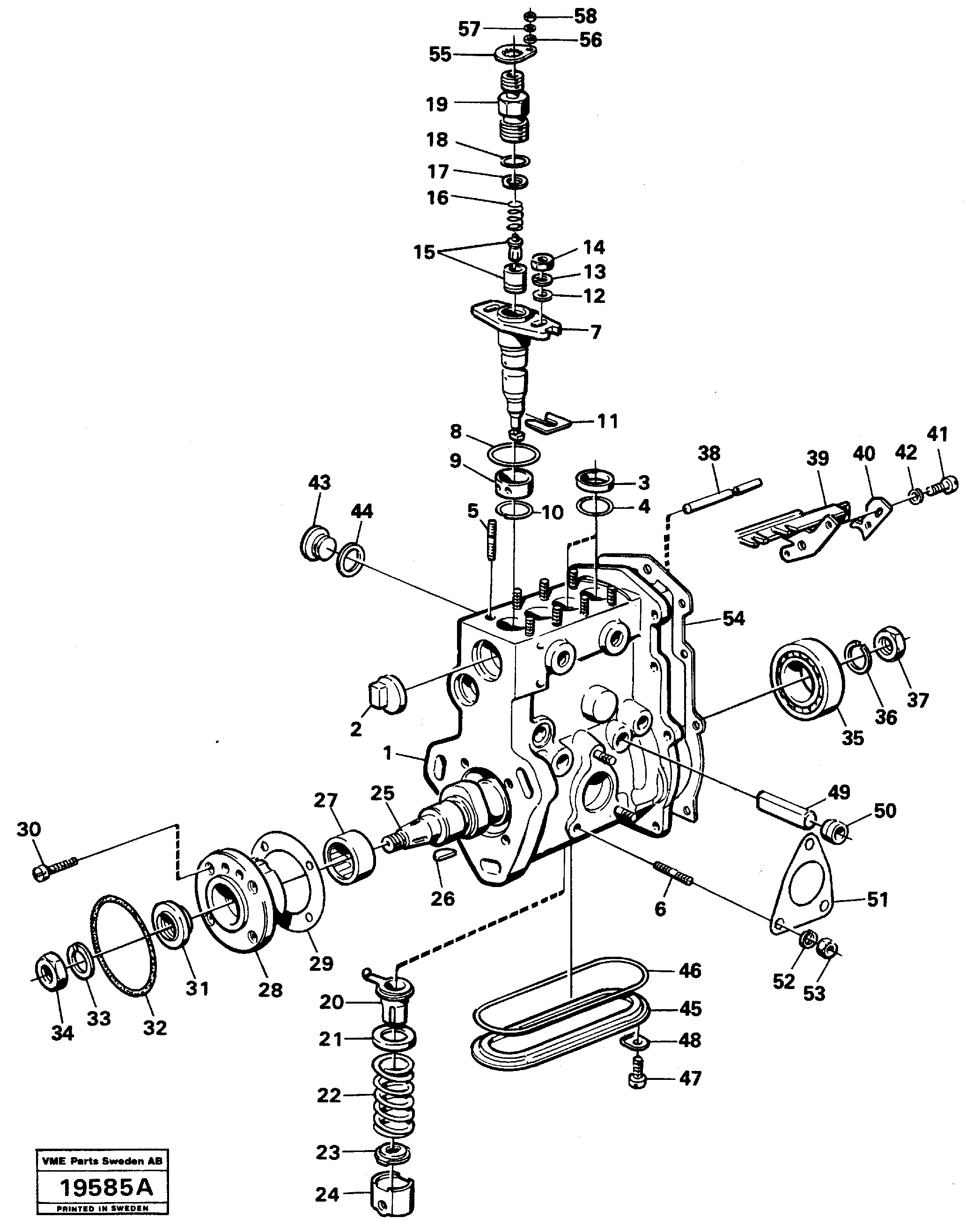
VOE 244089

244089

THICK=2.40

1шт.

VOE 244083

244083

THICK=1.80

1шт.

VOE 244087

244087

THICK=2.20

1шт.

VOE 244085

244085

THICK=2.00

1шт.

VOE 244081

244081

THICK=1.60

1шт.

VOE 244080

244080

THICK=1.50

1шт.

VOE 11992407

Pump element

1шт.

VOE 6212660

Клапан

1шт.

VOE 6213569

Насос

1шт.

VOE 244088

244088

THICK=2.30

1шт.

VOE 244086

244086

THICK=2.10

1шт.

VOE 244084

244084

THICK=1.90

1шт.

VOE 244090

244090

THICK=2.50

1шт.

VOE 1698693

Втулка (распорная)

1шт.

VOE 6212647

Насос

STD

1шт.

VOE 244082

244082

THICK=1.70

1шт.

VOE 6212665

Ремкомплект

1шт.

VOE 6212665

Ремкомплект

1шт.

10

VOE 1698857

Lock ring

1шт.

11

VOE 244786

244786

THICK=1.45

1шт.

12

VOE 244060

Spacer ring

1шт.

13

VOE 13941907

Шайба пружинная

1шт.

13

VOE 13941907

Шайба

1шт.

14

VOE 955782

Hexagon nut

1шт.

14

VOE 955782

Hexagon nut

1шт.

15

VOE 6212660

Клапан

1шт.

16

VOE 7238309

Пружина

1шт.

17

VOE 6212663

Шайба

1шт.

18

VOE 6212664

Кольцо уплотнительное (О-кольцо)

1шт.

19

VOE 6212659

Тарелка клапана

1шт.

2

VOE 244498

Крышка

1шт.

20

VOE 1698693

Втулка (распорная)

1шт.

21

VOE 244514

Spring disc

1шт.

22

VOE 6213548

Пружина

1шт.

23

VOE 244066

Spring disc

1шт.

24

VOE 11998507

Tappet

1шт.

25

VOE 6213198

Распредвал

1шт.

26

VOE 243734

Key

1шт.

27

VOE 6212651

Подшипник

1шт.

28

VOE 848736

Крышка

1шт.

29

VOE 863371

Прокладка

1шт.

3

VOE 244499

Spacer ring

1шт.

30

VOE 956093

Cross recessed screw

1шт.

31

VOE 6212654

Кольцо уплотнительное

1шт.

32

VOE 1698556

Кольцо уплотнительное (О-кольцо)

1шт.

32

VOE 1698556

Кольцо уплотнительное (О-кольцо)

1шт.

33

VOE 941911

Шайба пружинная

1шт.

33

VOE 941911

Шайба пружинная

1шт.

34

VOE 955804

Hexagon nut

1шт.

34

VOE 955804

Hexagon nut

1шт.

35

VOE 11998541

Ball bearing

1шт.

36

VOE 941915

Шайба пружинная

1шт.

36

VOE 941915

Шайба пружинная

1шт.

37

VOE 244527

Гайка

1шт.

38

VOE 6213590

6213590

1шт.

39

VOE 6212649

Control rod

1шт.

4

VOE 244500

Кольцо уплотнительное (О-кольцо)

1шт.

40

VOE 244512

Stop, Shoulder

1шт.

41

VOE 956095

Cross recessed screw

1шт.

41

VOE 956095

Cross recessed screw

1шт.

42

VOE 13941906

Шайба

1шт.

42

VOE 13941906

Шайба

1шт.

43

VOE 244092

Пробка (заглушка)

1шт.

44

VOE 13947624

Plane gasket

1шт.

44

VOE 13947624

Plane gasket

1шт.

45

VOE 6213546

Крышка

1шт.

46

VOE 1698556

Кольцо уплотнительное (О-кольцо)

1шт.

46

VOE 1698556

Кольцо уплотнительное (О-кольцо)

1шт.

47

VOE 14014666

Болт

1шт.

47

VOE 14014666

Болт

1шт.

48

VOE 11999936

Стопорная шайба (кольцо)

1шт.

49

VOE 6212655

6212655

1шт.

5

VOE 11998540

Шпилька

1шт.

50

VOE 11998400

Cap

1шт.

51

VOE 863370

Прокладка

1шт.

52

VOE 13941906

Шайба

1шт.

52

VOE 13941906

Шайба

1шт.

53

VOE 13955781

Гайка

1шт.

53

VOE 13955781

Гайка

1шт.

56

VOE 244060

Spacer ring

1шт.

57

VOE 13941907

Шайба пружинная

1шт.

57

VOE 13941907

Шайба

1шт.

58

VOE 955782

Hexagon nut

1шт.

58

VOE 955782

Hexagon nut

1шт.

6

VOE 130673

Шпилька

1шт.

7

VOE 6213587

Pump element

1шт.

8

VOE 11997534

Кольцо уплотнительное (О-кольцо)

1шт.

9

VOE 6212662

Втулка (распорная)

1шт.

Выбрано товаров: 88