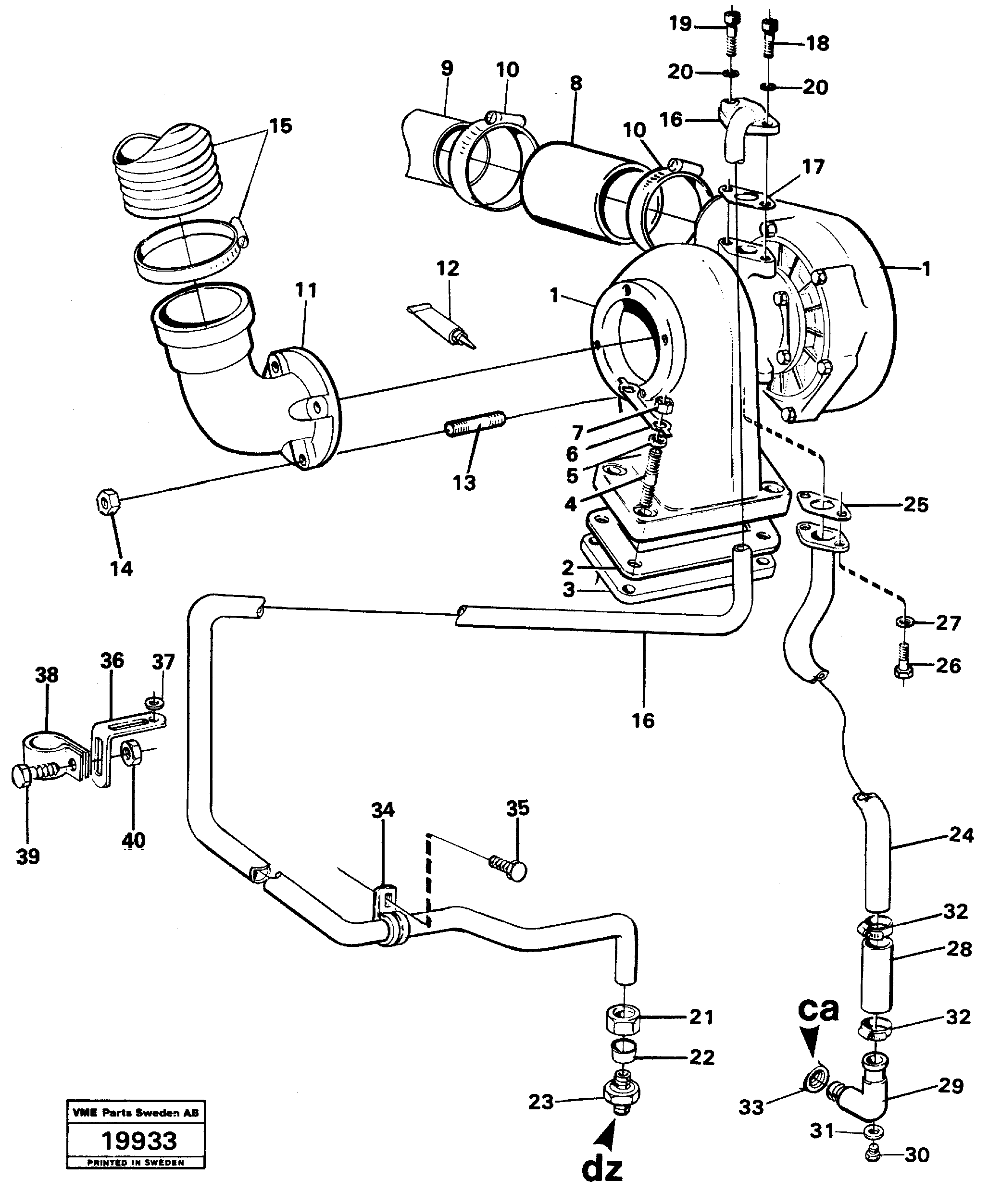
Запчасти Volvo L50 67523 Turbo compressor with fitting parts L50 L50 S/N -6400/-60300 USA

Схема запчастей Volvo L50 - 67523 Turbo compressor with fitting parts L50 L50 S/N -6400/-60300 USA
FIT
1:1
100%

Артикул

Название

Примечание

Количество

VOE 13924066

Шпилька

L=45

1шт.

VOE 4881650

Турбокомпрессор (турбина)

ENG 66110 -

1шт.

VOE 4881650

Турбокомпрессор (турбина)

ENG 66110 -

1шт.

1

VOE 4881090

Турбокомпрессор (турбина)

ENG - 66109

1шт.

1

VOE 4881090

Турбокомпрессор (турбина)

ENG - 66109

1шт.

10

VOE 943479

Hose clamp

1шт.

11

VOE 4804856

Exhaust pipe

1шт.

12

VOE 591247

Sealant

1шт.

12

VOE 591247

Sealant

1шт.

13

VOE 924060

Шпилька

L=30

1шт.

14

VOE 946330

Hexagon nut

1шт.

14

VOE 946330

Hexagon nut

1шт.

16

VOE 4804888

Oil feed pipe

1шт.

17

VOE 420641

Прокладка

1шт.

17

VOE 420641

Прокладка

1шт.

18

VOE 959222

Allen Hd Screw

L=25

1шт.

19

VOE 959223

Allen Hd Screw

L=30

1шт.

2

VOE 420618

Прокладка

1шт.

2

VOE 420618

Прокладка

1шт.

20

VOE 13941907

Шайба пружинная

1шт.

20

VOE 13941907

Шайба

1шт.

21

VOE 956984

Fitting nut

1шт.

22

VOE 956970

Ferrule

1шт.

24

VOE 4804670

Oil draining pipe

1шт.

25

VOE 420643

Прокладка

1шт.

25

VOE 420643

Прокладка

1шт.

26

VOE 955297

Винт шестигранник

1шт.

26

VOE 955297

Винт шестигранник

1шт.

27

VOE 13941907

Шайба пружинная

1шт.

27

VOE 13941907

Шайба

1шт.

28

VOE 466328

Шланг

1шт.

29

VOE 4804885

Nipple

1шт.

29

VOE 4804885

Nipple

1шт.

30

VOE 960628

Пробка (заглушка)

1шт.

31

VOE 13947281

Прокладка

1шт.

31

VOE 13947281

Прокладка

1шт.

32

VOE 943473

Hose clamp

1шт.

32

VOE 943473

Hose clamp

1шт.

34

VOE 13946834

Зажим

1шт.

34

VOE 13946834

Зажим

1шт.

35

VOE 940113

Болт

1шт.

35

VOE 940113

Винт шестигранник

1шт.

36

VOE 843711

843711

1шт.

37

VOE 13955900

Шайба

1шт.

37

VOE 13955900

Шайба

1шт.

38

VOE 7190635

Зажим

1шт.

39

VOE 955513

Винт шестигранник

1шт.

39

VOE 955513

Винт шестигранник

1шт.

4

VOE 953259

Шпилька

1шт.

4

VOE 953259

Шпилька

1шт.

40

VOE 955825

Hexagon nut

1шт.

40

VOE 955825

Гайка

1шт.

5

VOE 13940097

Шайба

1шт.

5

VOE 13940097

Шайба

1шт.

6

VOE 942167

Tab washer

1шт.

7

VOE 191894

Гайка

1шт.

7

VOE 191894

Гайка

1шт.

8

VOE 466327

Шланг

1шт.

Выбрано товаров: 58