Запчасти Volvo L50 81267 Выхлопная система L50 L50 S/N -6400/-60300 USA

Схема запчастей Volvo L50 - 81267 Выхлопная система L50 L50 S/N -6400/-60300 USA
FIT
1:1
100%

Артикул

Название

Примечание

Количество

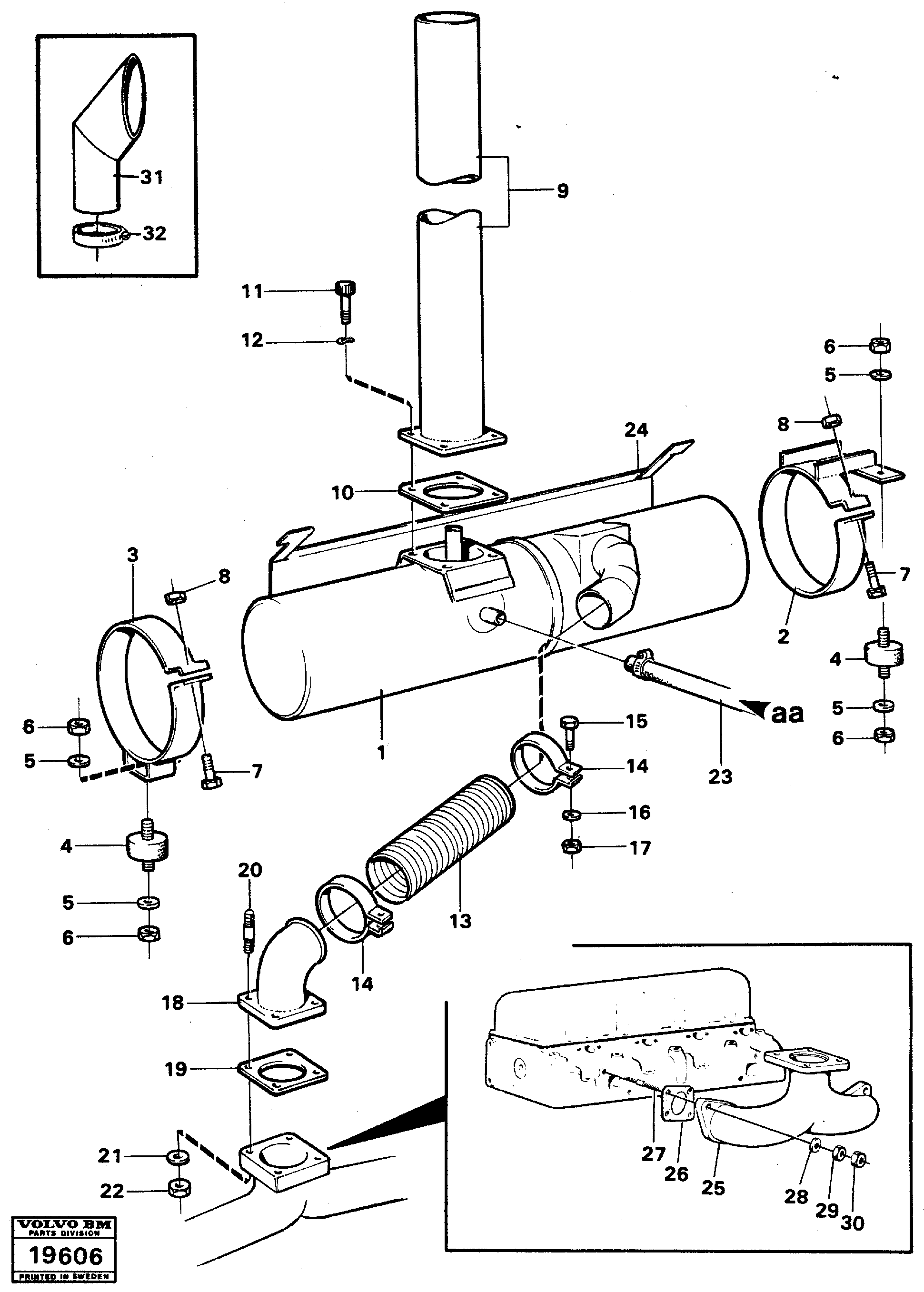
VOE 4804240

Exhaust pipe

1шт.

1

VOE 4775302

Silencer

1шт.

1

VOE 4775302

Silencer

1шт.

10

VOE 4773684

Прокладка

1шт.

10

VOE 4773684

Прокладка

1шт.

11

VOE 13970948

Винт шестигранник

1шт.

11

VOE 13970948

Винт шестигранник

1шт.

12

VOE 941908

Шайба пружинная

1шт.

12

VOE 941908

Шайба пружинная

1шт.

13

VOE 11003601

Exhaust hose

1шт.

14

VOE 4804826

Зажим

1шт.

14

VOE 4804826

Зажим

1шт.

15

VOE 13970958

Винт шестигранник

1шт.

15

VOE 13970958

Винт шестигранник

1шт.

16

VOE 976945

Шайба

1шт.

16

VOE 976945

Шайба

1шт.

17

VOE 971071

Hexagon nut

1шт.

17

VOE 971071

Hexagon nut

1шт.

18

VOE 4804731

Exhaust pipe

STD

1шт.

19

VOE 4804247

Прокладка

STD

1шт.

19

VOE 4804247

Прокладка

STD

1шт.

2

VOE 4932980

4932980

1шт.

20

VOE 953257

Шпилька

STD

1шт.

21

VOE 13940097

Шайба

STD

1шт.

21

VOE 13940097

Шайба

STD

1шт.

22

VOE 191894

Гайка

STD

1шт.

22

VOE 191894

Гайка

STD

1шт.

24

VOE 11002464

Protecting plate

SER NO 5153 -

1шт.

24

VOE 11002464

Protecting plate

SER NO 5153 -

1шт.

25

VOE 4804308

Exhaust pipe

STD

1шт.

26

VOE 4804249

Прокладка

1шт.

26

VOE 4804249

Прокладка

1шт.

27

VOE 953492

Шпилька

1шт.

28

VOE 422217

Spacer sleeve

1шт.

28

VOE 422217

Spacer sleeve

1шт.

29

VOE 942299

Flange nut

1шт.

29

VOE 942299

Flange nut

1шт.

3

VOE 4925131

Tensioning band

1шт.

30

VOE 955835

Гайка

1шт.

30

VOE 955835

Hexagon nut

1шт.

31

VOE 4804634

Rain cap

(USA) SER NO 60167 -

1шт.

31

VOE 4804634

Rain cap

(USA) SER NO 60167 -

1шт.

32

VOE 943483

Hose clamp

(USA) SER NO 60167 -

1шт.

32

VOE 943483

Hose clamp

(USA) SER NO 60167 -

1шт.

4

VOE 11110276

Rubber cushion

1шт.

4

VOE 11110276

Rubber cushion

1шт.

5

VOE 13955897

Шайба

1шт.

5

VOE 13955897

Шайба

1шт.

6

VOE 13971072

Hexagon nut

1шт.

6

VOE 13971072

Hexagon nut

1шт.

7

VOE 13970951

Винт шестигранник

1шт.

7

VOE 13970951

Винт шестигранник

1шт.

8

VOE 971071

Hexagon nut

1шт.

8

VOE 971071

Hexagon nut

1шт.

9

VOE 4804219

Exhaust pipe

1шт.

9

VOE 4804219

Exhaust pipe

1шт.

Выбрано товаров: 56