Запчасти Volvo L50 16474 Instrument L50 L50 S/N -6400/-60300 USA

Схема запчастей Volvo L50 - 16474 Instrument L50 L50 S/N -6400/-60300 USA
FIT
1:1
100%

Артикул

Название

Примечание

Количество

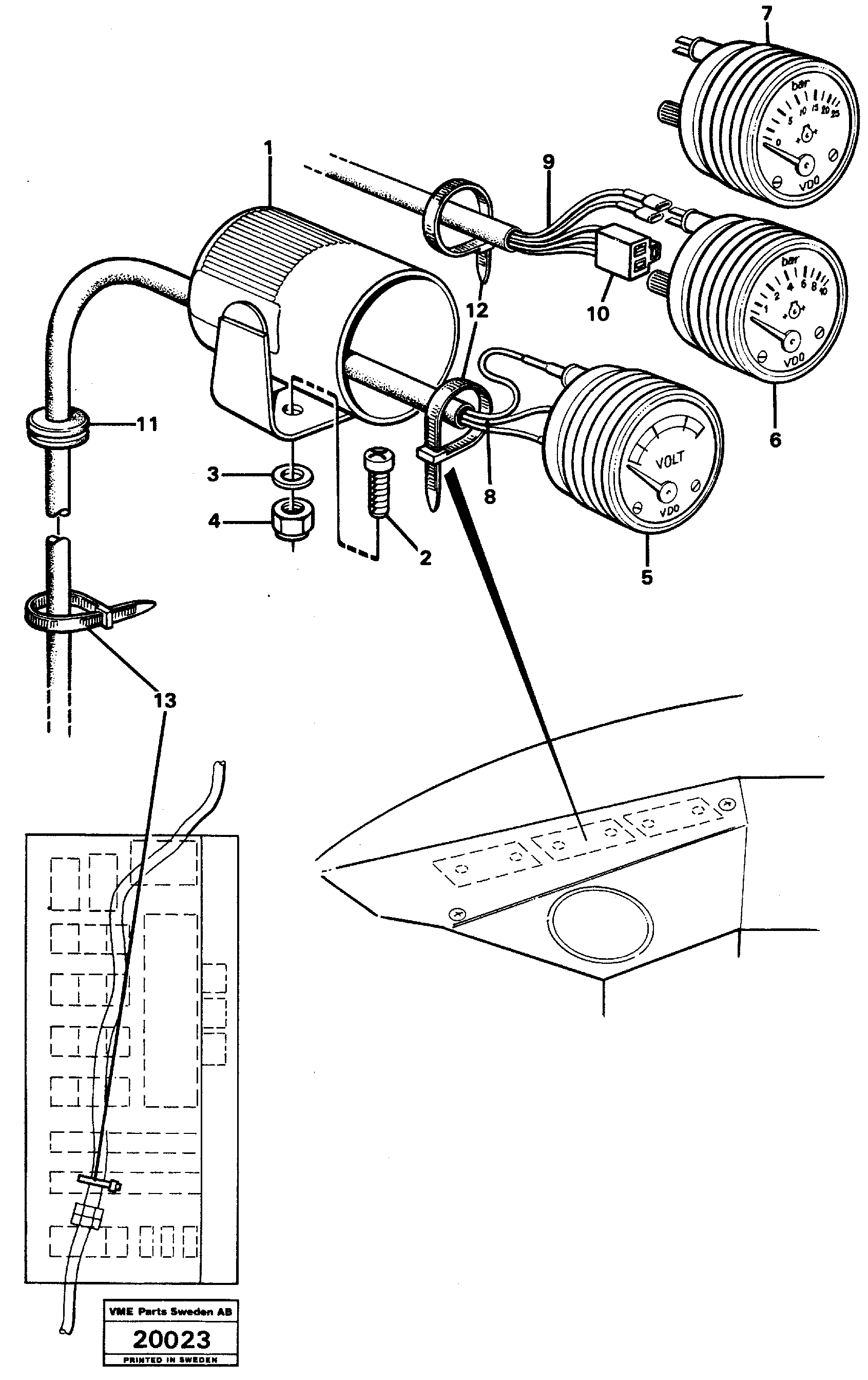
1

VOE 11039256

Instr Casing

1шт.

10

VOE 945469

Rcpt Housing

1шт.

10

VOE 945469

Rcpt Housing

1шт.

11

VOE 941269

Пробка (заглушка)

1шт.

11

VOE 941269

Пробка (заглушка)

1шт.

12

VOE 4881438

Strip Clamp

1шт.

12

VOE 4881438

Strip Clamp

1шт.

13

VOE 4881440

Strip Clamp

1шт.

13

VOE 4881440

Strip Clamp

1шт.

2

VOE 967366

X Rec Screw

1шт.

3

VOE 960137

Шайба

1шт.

3

VOE 960137

Шайба

1шт.

4

VOE 13963103

Lock nut

1шт.

4

VOE 13963103

Lock nut

1шт.

5

VOE 11039079

Voltmeter

1шт.

7

VOE 11039148

Pressure Gauge

1шт.

9

VOE 11041544

Cable harness

TRYCKMATARE - HYTTGOLV

1шт.

Выбрано товаров: 17