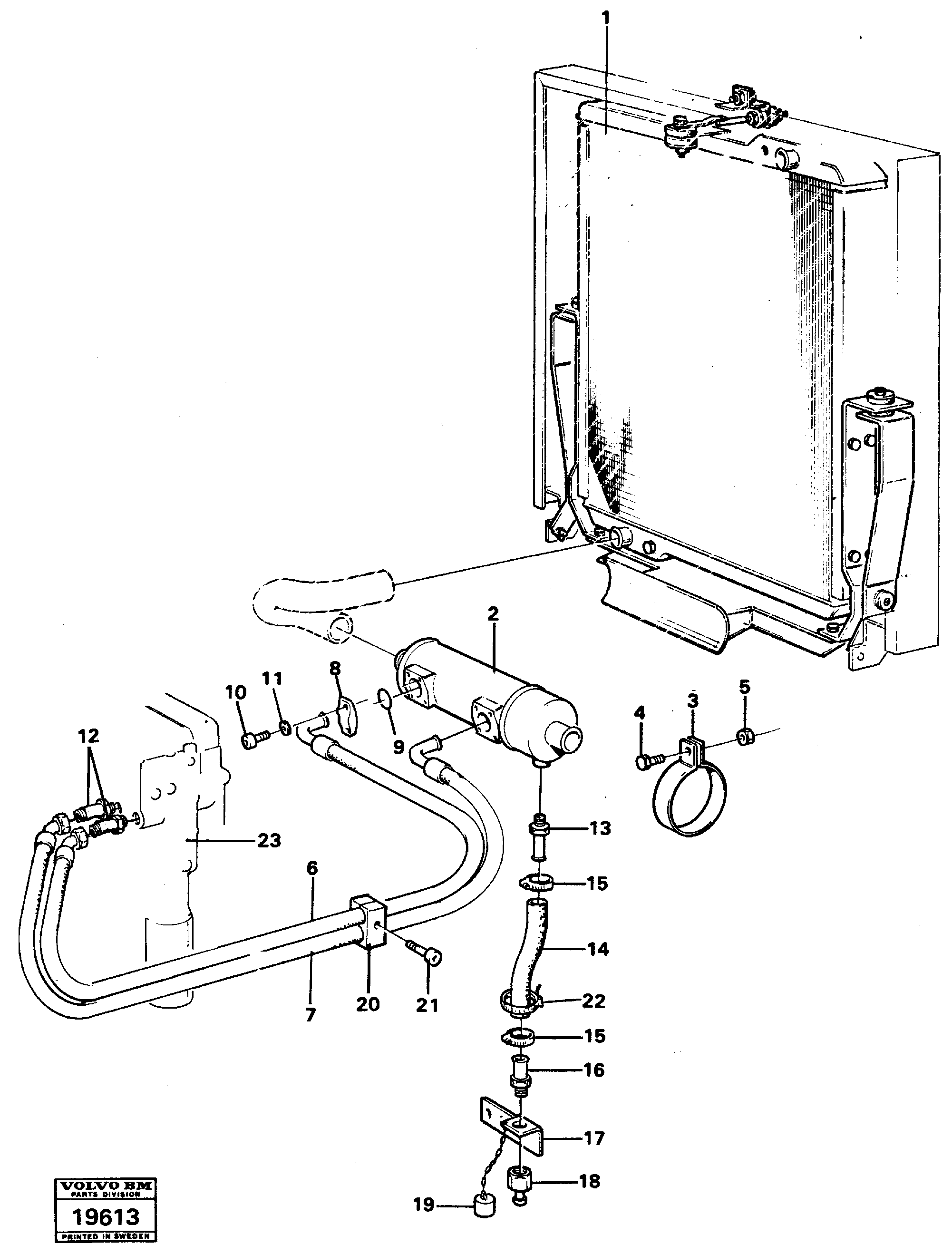
Запчасти Volvo L50 85811 Масляный радиатор L50 L50 S/N -6400/-60300 USA

Схема запчастей Volvo L50 - 85811 Масляный радиатор L50 L50 S/N -6400/-60300 USA
FIT
1:1
100%

Артикул

Название

Примечание

Количество

VOE 931212

Кольцо уплотнительное (О-кольцо)

1шт.

VOE 931212

Кольцо уплотнительное (О-кольцо)

1шт.

VOE 931219

Back-up ring

1шт.

VOE 931219

Back-up ring

1шт.

10

VOE 13970948

Винт шестигранник

1шт.

10

VOE 13970948

Винт шестигранник

1шт.

11

VOE 976945

Шайба

1шт.

11

VOE 976945

Шайба

1шт.

12

VOE 931242

Nipple

1шт.

12

VOE 931242

Nipple

1шт.

13

VOE 479978

Nipple

1шт.

14

VOE 13946652

Шланг

L=420

1шт.

15

VOE 13943472

Hose clamp

1шт.

16

VOE 4786606

Hose nipple

1шт.

16

VOE 4786606

Hose nipple

1шт.

18

VOE 4786585

Insert nipple

1шт.

18

VOE 4786585

Insert nipple

1шт.

19

VOE 11194108

Protecting sleeve

1шт.

19

VOE 11194108

Protecting sleeve

1шт.

2

VOE 4775422

Масляный радиатор

1шт.

20

VOE 4880576

Зажим

1шт.

21

VOE 941761

Винт шестигранник (торцевой ключ)

1шт.

22

VOE 4881440

Cable tie

1шт.

22

VOE 4881440

Cable tie

1шт.

3

VOE 4948822

Зажим

1шт.

4

VOE 940132

Винт шестигранник

1шт.

4

VOE 940132

Винт шестигранник

1шт.

5

VOE 955782

Hexagon nut

1шт.

5

VOE 955782

Hexagon nut

1шт.

6

VOE 932202

Hose assembly

L=1900

1шт.

7

VOE 932065

Hose assembly

L=1700

1шт.

8

VOE 927947

Flange half

1шт.

8

VOE 927947

Flange half

1шт.

9

VOE 13948700

Кольцо уплотнительное (О-кольцо)

1шт.

9

VOE 13948700

Кольцо уплотнительное (О-кольцо)

1шт.

Выбрано товаров: 35