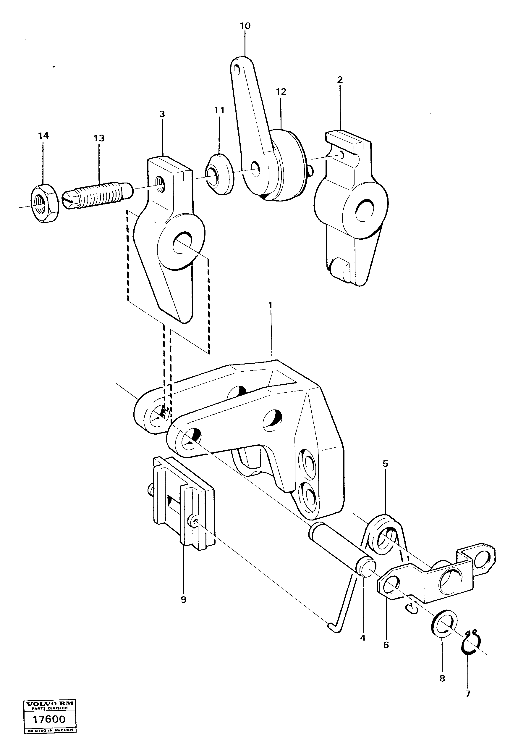
Запчасти Volvo L50 23611 Тормоз парковочный L50 L50 S/N -6400/-60300 USA

Схема запчастей Volvo L50 - 23611 Тормоз парковочный L50 L50 S/N -6400/-60300 USA
FIT
1:1
100%

Артикул

Название

Примечание

Количество

VOE 11034435

Handbrake

1шт.

10

VOE 6212868

6212868

1шт.

11

VOE 6212869

Sealing

1шт.

12

VOE 6212870

Sealing

1шт.

13

VOE 6212871

Болт

1шт.

14

VOE 955821

Hexagon nut

1шт.

14

VOE 955821

Hexagon nut

1шт.

2

VOE 6212861

6212861

1шт.

3

VOE 6212862

6212862

1шт.

4

VOE 6212863

Вал

1шт.

5

VOE 6212864

Пружина

1шт.

6

VOE 6212865

Striker plate

1шт.

7

VOE 914450

Retaining ring

1шт.

7

VOE 914450

Кольцо стопорное

1шт.

8

VOE 6212866

Шайба

1шт.

9

VOE 11992572

Brake lining

1шт.

Выбрано товаров: 16