Запчасти Volvo L50 39969 Equipment L50 L50 S/N -6400/-60300 USA

Схема запчастей Volvo L50 - 39969 Equipment L50 L50 S/N -6400/-60300 USA
FIT
1:1
100%

Артикул

Название

Примечание

Количество

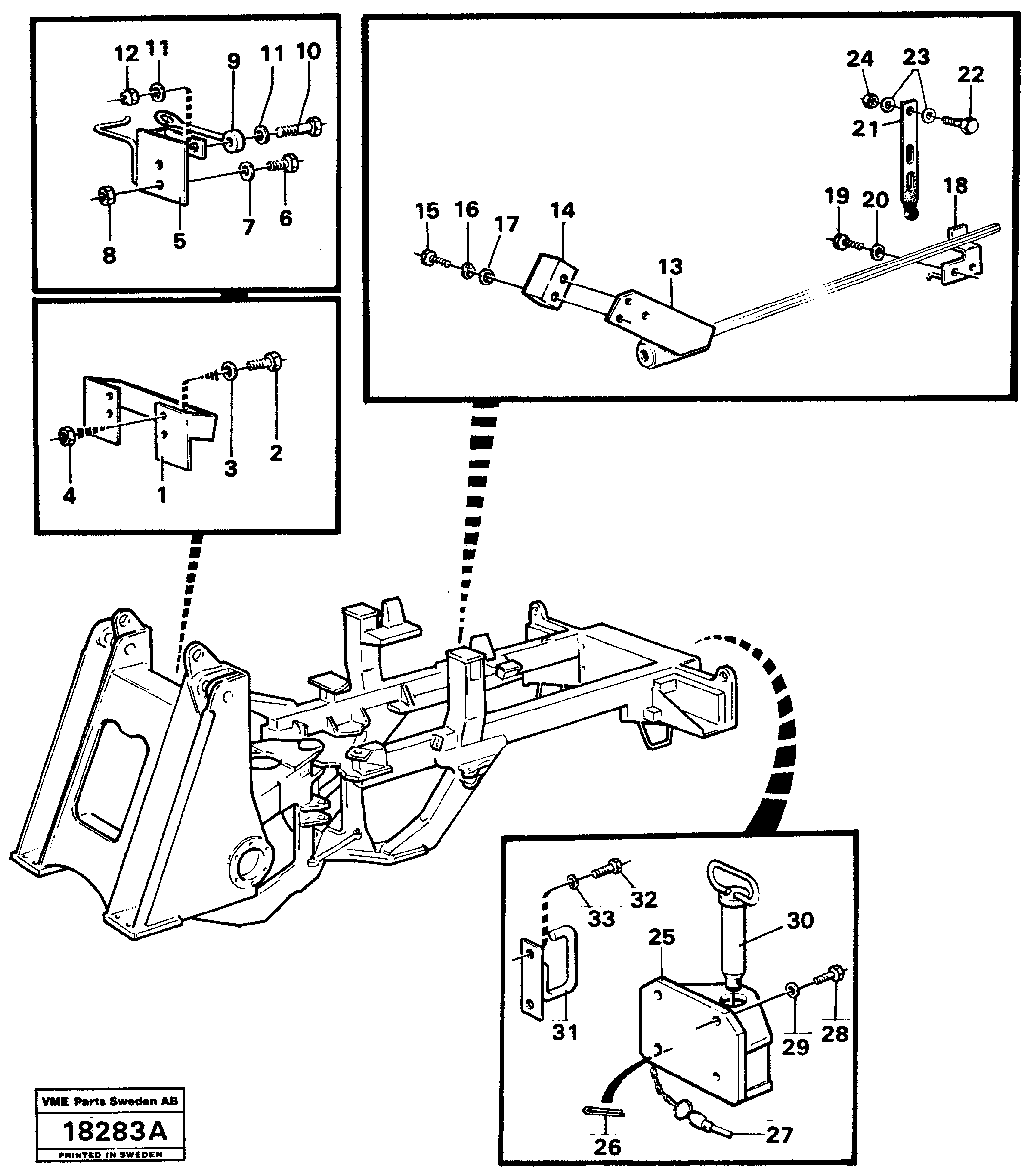
10

VOE 955274

Винт шестигранник

1шт.

10

VOE 955274

Винт шестигранник

1шт.

11

VOE 960139

Шайба

1шт.

11

VOE 960139

Шайба

1шт.

12

VOE 946035

Lock nut

1шт.

12

VOE 946035

Lock nut

1шт.

15

VOE 955304

Винт шестигранник

1шт.

15

VOE 955304

Винт шестигранник

1шт.

16

VOE 13941907

Шайба пружинная

1шт.

16

VOE 13941907

Шайба

1шт.

17

VOE 976944

Шайба

1шт.

17

VOE 976944

Шайба

1шт.

19

VOE 13955295

Болт

1шт.

19

VOE 13955295

Болт

1шт.

2

VOE 13955295

Болт

1шт.

2

VOE 13955295

Болт

1шт.

20

VOE 13955894

Шайба

1шт.

20

VOE 13955894

Шайба

1шт.

21

VOE 6211239

Strap

1шт.

21

VOE 6211239

Strap

1шт.

22

VOE 13955271

Болт

1шт.

22

VOE 13955271

Болт

1шт.

23

VOE 960139

Шайба

1шт.

23

VOE 960139

Шайба

1шт.

24

VOE 946035

Lock nut

1шт.

24

VOE 946035

Lock nut

1шт.

25

VOE 11002005

Towing hook

1шт.

26

VOE 907871

Cotter Pin

1шт.

27

VOE 11002450

11002450

1шт.

28

VOE 955388

Винт шестигранник

1шт.

28

VOE 955388

Винт шестигранник

1шт.

29

VOE 955903

Шайба

1шт.

29

VOE 955903

Шайба

1шт.

3

VOE 13955894

Шайба

1шт.

3

VOE 13955894

Шайба

1шт.

30

VOE 11002182

11002182

1шт.

30

VOE 11002182

Палец

1шт.

32

VOE 13970969

Винт шестигранник

1шт.

33

VOE 940280

Шайба пружинная

1шт.

33

VOE 940280

Шайба пружинная

1шт.

4

VOE 946036

Lock nut

1шт.

4

VOE 946036

Lock nut

1шт.

6

VOE 13955295

Болт

1шт.

6

VOE 13955295

Болт

1шт.

7

VOE 13955894

Шайба

1шт.

7

VOE 13955894

Шайба

1шт.

8

VOE 946036

Lock nut

1шт.

8

VOE 946036

Lock nut

1шт.

9

VOE 6211239

Strap

1шт.

9

VOE 6211239

Strap

1шт.

Выбрано товаров: 50