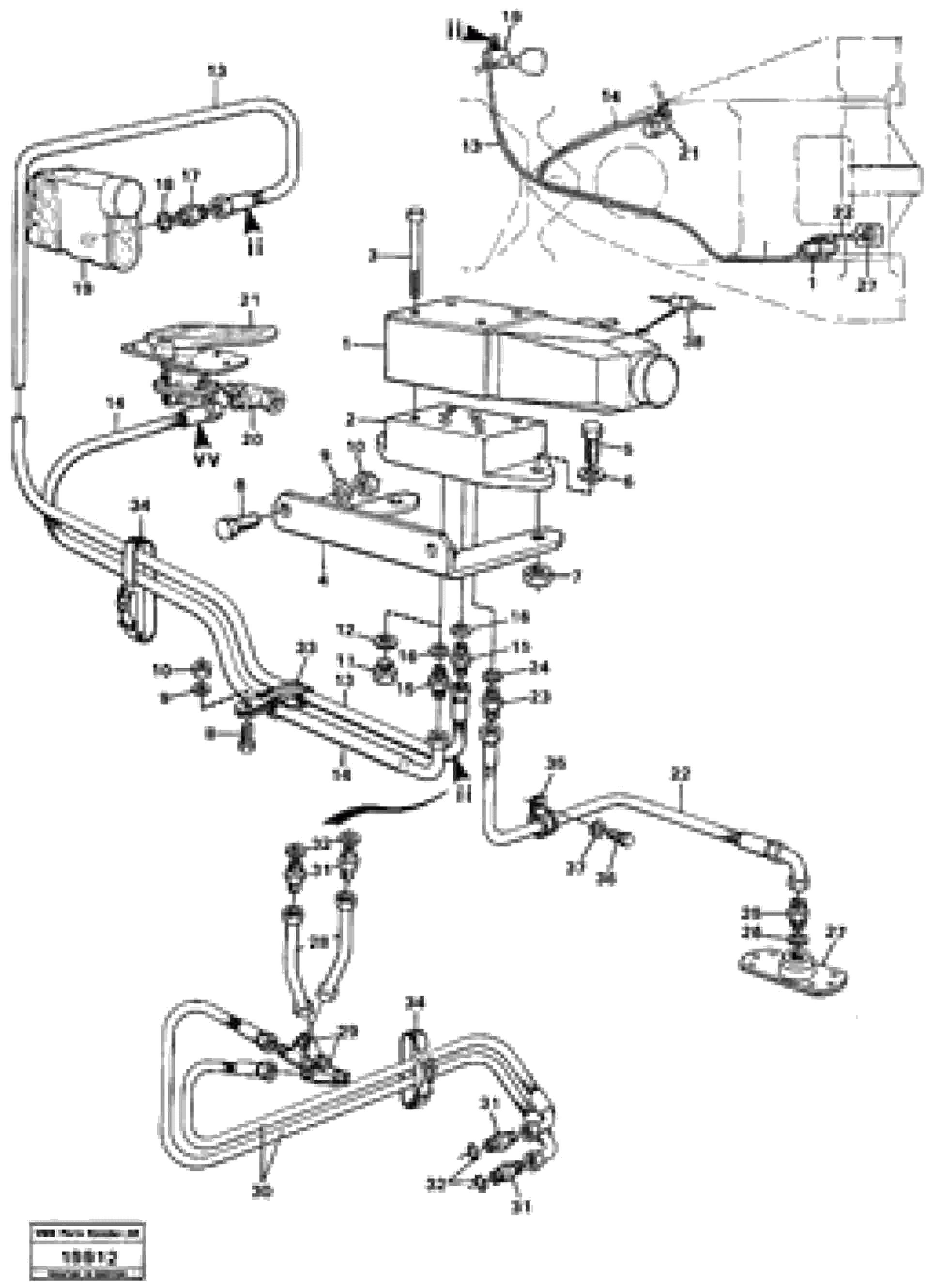
Запчасти Volvo L50 67795 Controls for differential lock L50 L50 S/N -6400/-60300 USA

Схема запчастей Volvo L50 - 67795 Controls for differential lock L50 L50 S/N -6400/-60300 USA
FIT
1:1
100%

Артикул

Название

Примечание

Количество

VOE 931209

Кольцо уплотнительное (О-кольцо)

1шт.

VOE 931209

Кольцо уплотнительное (О-кольцо)

1шт.

VOE 4881721

Кольцо уплотнительное (О-кольцо)

1шт.

VOE 4881721

Кольцо уплотнительное (О-кольцо)

1шт.

VOE 931216

Back-up ring

1шт.

VOE 931216

Back-up ring

1шт.

1

VOE 11008731

Клапан

1шт.

1

VOE 11008731

Встроенный клапан в сборе

1шт.

10

VOE 955782

Hexagon nut

1шт.

10

VOE 955782

Hexagon nut

1шт.

11

VOE 914390

Пробка (заглушка)

1шт.

11

VOE 914390

Пробка (заглушка)

1шт.

12

VOE 13947621

Plane gasket

1шт.

12

VOE 13947621

Plane gasket

1шт.

13

VOE 932168

Hose assembly

L=2700

1шт.

13

VOE 932168

Hose assembly

L=2700

1шт.

14

VOE 13932796

Hose assembly

L=2800

1шт.

14

VOE 13932796

Hose assembly

L=2800

1шт.

15

VOE 931224

Nipple

1шт.

15

VOE 931224

Nipple

1шт.

16

VOE 13947621

Plane gasket

1шт.

16

VOE 13947621

Plane gasket

1шт.

17

VOE 4949570

Nipple

1шт.

17

VOE 4949570

Nipple

1шт.

18

VOE 948883

Plane gasket

1шт.

18

VOE 948883

Plane gasket

1шт.

2

VOE 11306362

Connecting plate

1шт.

2

VOE 11306362

Connecting plate

1шт.

20

VOE 4821861

Nipple

1шт.

20

VOE 4821861

Nipple

1шт.

22

VOE 932352

Hose assembly

L=750

1шт.

22

VOE 932352

Hose assembly

L=750

1шт.

23

VOE 13944524

Nipple

1шт.

23

VOE 13944524

Nipple

1шт.

24

VOE 13947621

Plane gasket

1шт.

24

VOE 13947621

Plane gasket

1шт.

25

VOE 941754

Nipple

1шт.

25

VOE 941754

Nipple

1шт.

26

VOE 13945653

Plane gasket

1шт.

26

VOE 13945653

Plane gasket

1шт.

28

VOE 4948077

Трубка

1шт.

29

VOE 931265

Nipple

1шт.

3

VOE 959193

Hex. socket screw

1шт.

3

VOE 959193

Винт шестигранник (торцевой ключ)

1шт.

30

VOE 931959

Hose assembly

L=900

1шт.

30

VOE 931959

Hose assembly

L=900

1шт.

31

VOE 4881235

4881235

1шт.

32

VOE 931209

Кольцо уплотнительное (О-кольцо)

1шт.

32

VOE 931209

Кольцо уплотнительное (О-кольцо)

1шт.

34

VOE 11104606

Retaining strap

1шт.

34

VOE 11104606

Retaining strap

1шт.

35

VOE 952629

Зажим

1шт.

35

VOE 952629

Зажим

1шт.

36

VOE 955269

Винт шестигранник

1шт.

36

VOE 955269

Винт шестигранник

1шт.

37

VOE 955892

Шайба

1шт.

37

VOE 955892

Шайба

1шт.

38

VOE 4803274

Диод

1шт.

38

VOE 4803274

Диод

1шт.

5

VOE 940142

Винт шестигранник

1шт.

5

VOE 940142

Винт шестигранник

1шт.

6

VOE 13955894

Шайба

1шт.

6

VOE 13955894

Шайба

1шт.

7

VOE 955782

Hexagon nut

1шт.

7

VOE 955782

Hexagon nut

1шт.

8

VOE 955297

Винт шестигранник

1шт.

8

VOE 955297

Винт шестигранник

1шт.

9

VOE 13955894

Шайба

1шт.

9

VOE 13955894

Шайба

1шт.

Выбрано товаров: 69