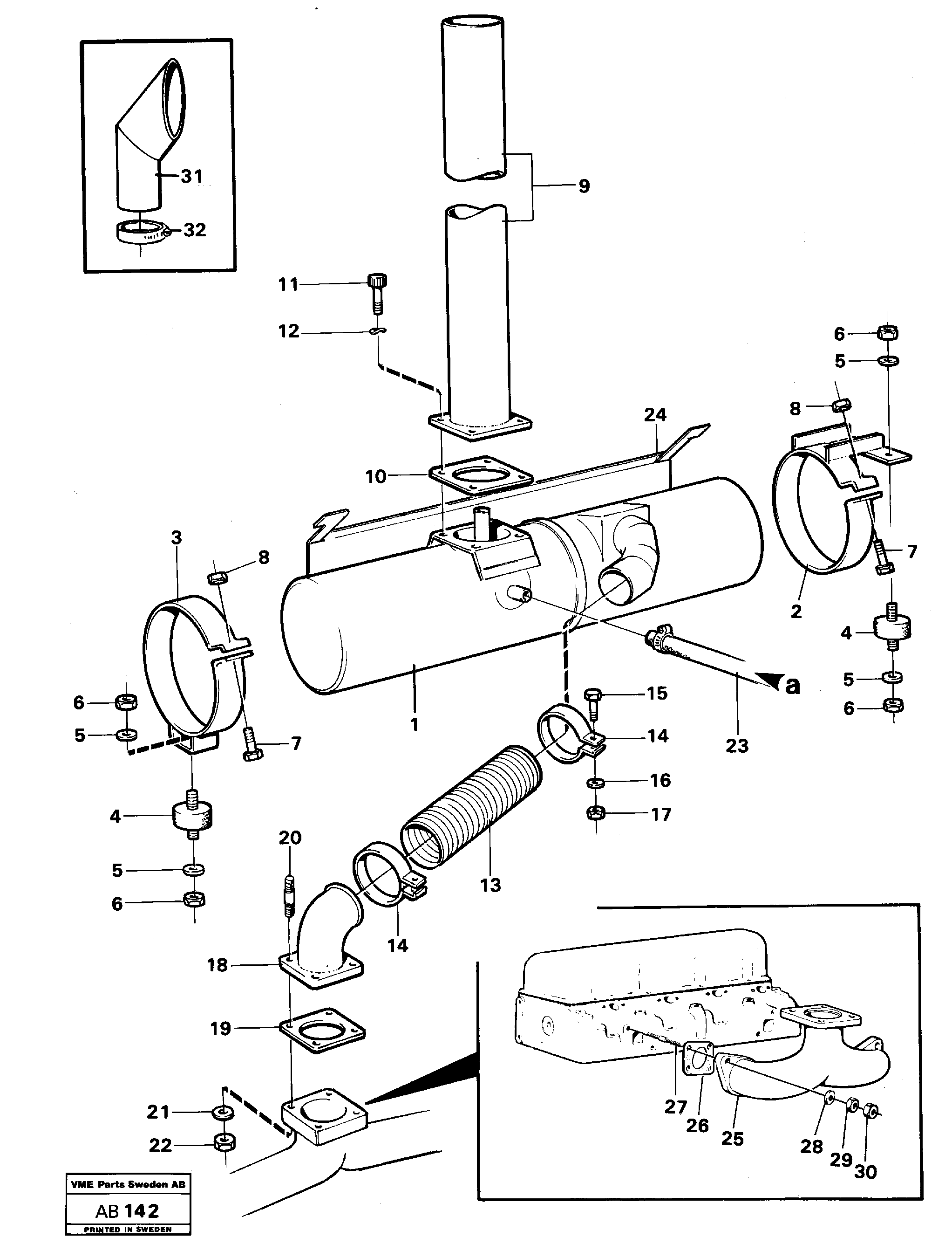
Запчасти Volvo L50 75853 Выхлопная система L50 L50 S/N 6401- / 60301- USA

Схема запчастей Volvo L50 - 75853 Выхлопная система L50 L50 S/N 6401- / 60301- USA
FIT
1:1
100%

Артикул

Название

Примечание

Количество

VOE 4804240

Exhaust pipe

1шт.

1

VOE 4775302

Silencer

1шт.

1

VOE 4775302

Silencer

1шт.

10

VOE 4773684

Прокладка

1шт.

10

VOE 4773684

Прокладка

1шт.

11

VOE 13971019

Болт

(971019)

1шт.

11

VOE 13971019

Болт

(971019)

1шт.

12

VOE 13942551

Шайба

(942551)

1шт.

12

VOE 13942551

Шайба

(942551)

1шт.

13

VOE 11003601

Exhaust hose

1шт.

14

VOE 4804826

Зажим

1шт.

14

VOE 4804826

Зажим

1шт.

15

VOE 13970959

Винт шестигранник

(970959)

1шт.

15

VOE 13970959

Винт шестигранник

(970959)

1шт.

16

VOE 976945

Шайба

(960148)

1шт.

16

VOE 976945

Шайба

(960148)

1шт.

17

VOE 13971074

Hexagon nut

(971074)

1шт.

17

VOE 13971074

Hexagon nut

(971074)

1шт.

18

VOE 4804731

Exhaust pipe

STD

1шт.

19

VOE 4804247

Прокладка

STD

1шт.

19

VOE 4804247

Прокладка

STD

1шт.

2

VOE 4932980

4932980

1шт.

20

VOE 953259

Шпилька

STD

1шт.

20

VOE 953259

Шпилька

STD

1шт.

21

VOE 13940097

Шайба

STD

1шт.

21

VOE 13940097

Шайба

STD

1шт.

22

VOE 191894

Гайка

STD

1шт.

22

VOE 191894

Гайка

STD

1шт.

24

VOE 11002464

Protecting plate

1шт.

24

VOE 11002464

Protecting plate

1шт.

25

VOE 4804308

Exhaust pipe

STD

1шт.

26

VOE 4804249

Прокладка

1шт.

26

VOE 4804249

Прокладка

1шт.

27

VOE 953492

Шпилька

1шт.

28

VOE 422217

Spacer sleeve

1шт.

28

VOE 422217

Spacer sleeve

1шт.

29

VOE 942299

Flange nut

1шт.

29

VOE 942299

Flange nut

1шт.

3

VOE 4925131

Tensioning band

1шт.

30

VOE 955835

Гайка

1шт.

30

VOE 955835

Hexagon nut

1шт.

31

VOE 4804634

Rain cap

(USA)

1шт.

31

VOE 4804634

Rain cap

(USA)

1шт.

32

VOE 943483

Hose clamp

(USA)

1шт.

32

VOE 943483

Hose clamp

(USA)

1шт.

4

VOE 11110276

Rubber cushion

1шт.

4

VOE 11110276

Rubber cushion

1шт.

5

VOE 13955897

Шайба

1шт.

5

VOE 13955897

Шайба

1шт.

6

VOE 13971072

Hexagon nut

(971072)

1шт.

6

VOE 13971072

Hexagon nut

(971072)

1шт.

7

VOE 13970951

Винт шестигранник

(970951)

1шт.

7

VOE 13970951

Винт шестигранник

(970951)

1шт.

8

VOE 13971074

Hexagon nut

(971074)

1шт.

8

VOE 13971074

Hexagon nut

(971074)

1шт.

9

VOE 4804219

Exhaust pipe

1шт.

9

VOE 4804219

Exhaust pipe

1шт.

Выбрано товаров: 57