Запчасти Volvo L50 5124 Водяной насос L50 L50 S/N 6401- / 60301- USA

Схема запчастей Volvo L50 - 5124 Водяной насос L50 L50 S/N 6401- / 60301- USA
FIT
1:1
100%

Артикул

Название

Примечание

Количество

VOE 787767

Водяной насос

1шт.

VOE 11701087

Ремкомплект

1шт.

VOE 11701087

Ремкомплект

1шт.

VOE 4804424

Водяной насос

1шт.

VOE 4804424

Водяной насос

1шт.

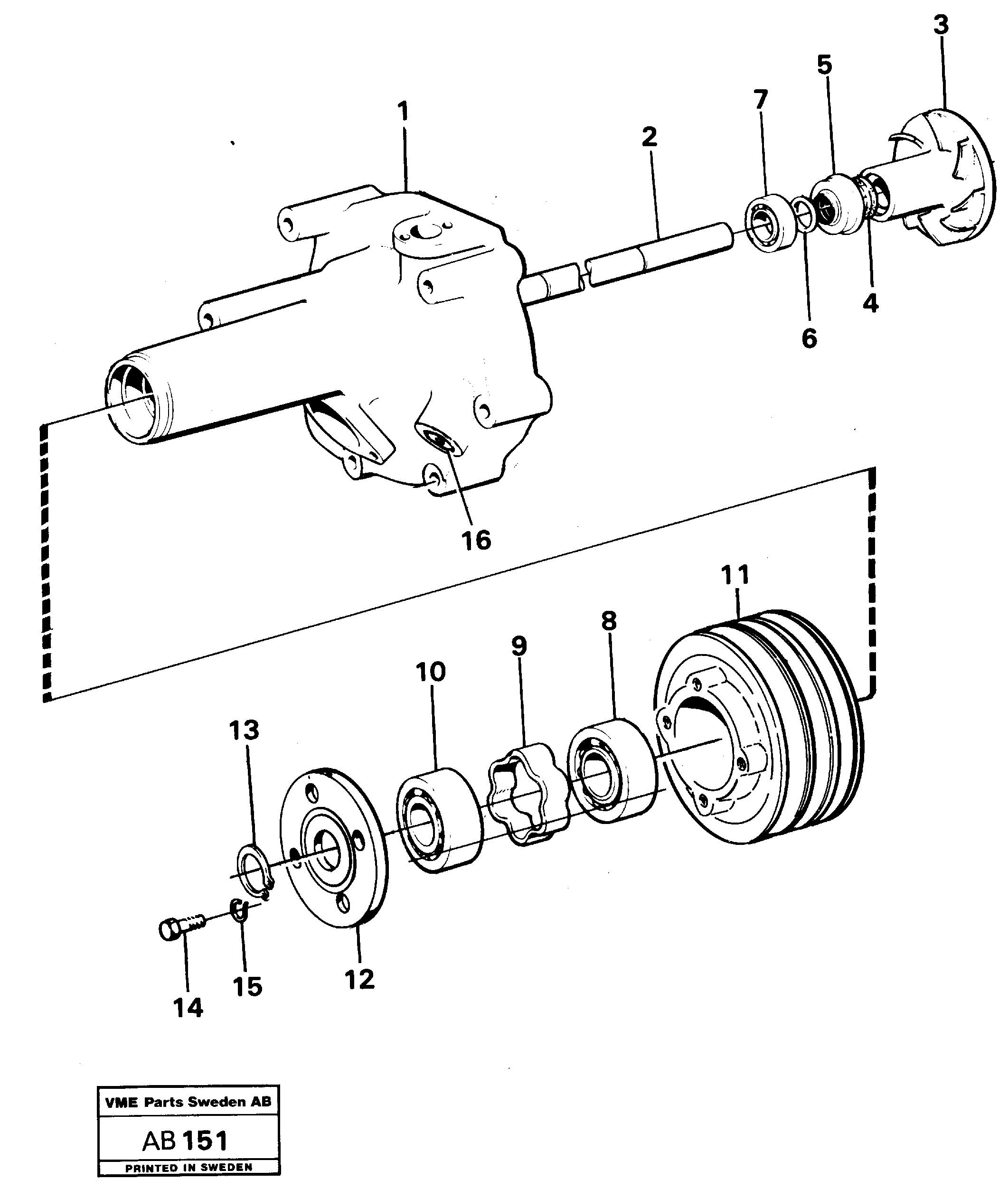
1

VOE 787612

Картер (корпус)

1шт.

1

VOE 787612

Картер (корпус)

1шт.

10

VOE 7011013

Подшипник

1шт.

10

VOE 7011013

Подшипник

1шт.

10

VOE 7011013

Подшипник

1шт.

10

VOE 7011013

Подшипник

1шт.

11

VOE 787768

Шкив

1шт.

11

VOE 787768

Strap

1шт.

11

VOE 787768

Шкив

1шт.

11

VOE 787768

Strap

1шт.

12

VOE 466286

Ступица

1шт.

12

VOE 466286

Ступица

1шт.

12

VOE 466286

Ступица

1шт.

12

VOE 466286

Ступица

1шт.

13

VOE 914462

Snap Ring

1шт.

13

VOE 914462

Кольцо стопорное

1шт.

13

VOE 914462

Snap Ring

1шт.

13

VOE 914462

Кольцо стопорное

1шт.

14

VOE 955524

Винт шестигранник

1шт.

14

VOE 955524

Винт шестигранник

1шт.

14

VOE 955524

Винт шестигранник

1шт.

14

VOE 955524

Винт шестигранник

1шт.

15

VOE 13941907

Шайба пружинная

1шт.

15

VOE 13941907

Шайба

1шт.

15

VOE 13941907

Шайба пружинная

(941907)

1шт.

15

VOE 13941907

Шайба

(941907)

1шт.

16

VOE 952076

Пробка (заглушка)

1шт.

16

VOE 952076

Пробка (заглушка)

1шт.

16

VOE 952076

Пробка (заглушка)

1шт.

16

VOE 952076

Пробка (заглушка)

1шт.

2

VOE 787605

Вал

1шт.

2

VOE 787605

Вал

1шт.

3

VOE 785505

Impeller

1шт.

3

VOE 785505

Impeller

1шт.

4

VOE 1676432

Кольцо уплотнительное

1шт.

4

VOE 1676432

Кольцо уплотнительное

1шт.

5

VOE 1545283

Кольцо уплотнительное

1шт.

5

VOE 1545283

Кольцо уплотнительное

1шт.

6

VOE 7070913

Deflector

1шт.

6

VOE 7070913

Deflector

1шт.

7

VOE 1660609

Ball Bearing

1шт.

7

VOE 1660609

Ball Bearing

1шт.

8

VOE 181538

Ball Bearing

1шт.

8

VOE 181538

Ball Bearing

1шт.

8

VOE 181538

Ball Bearing

1шт.

8

VOE 181538

Ball Bearing

1шт.

9

VOE 417638

Spacer Sleeve

1шт.

9

VOE 417638

Spacer Sleeve

1шт.

9

VOE 417638

Spacer Sleeve

1шт.

9

VOE 417638

Spacer Sleeve

1шт.

Выбрано товаров: 55