Запчасти Volvo L50 41222 Speed control L50 L50 S/N 6401- / 60301- USA

Схема запчастей Volvo L50 - 41222 Speed control L50 L50 S/N 6401- / 60301- USA
FIT
1:1
100%

Артикул

Название

Примечание

Количество

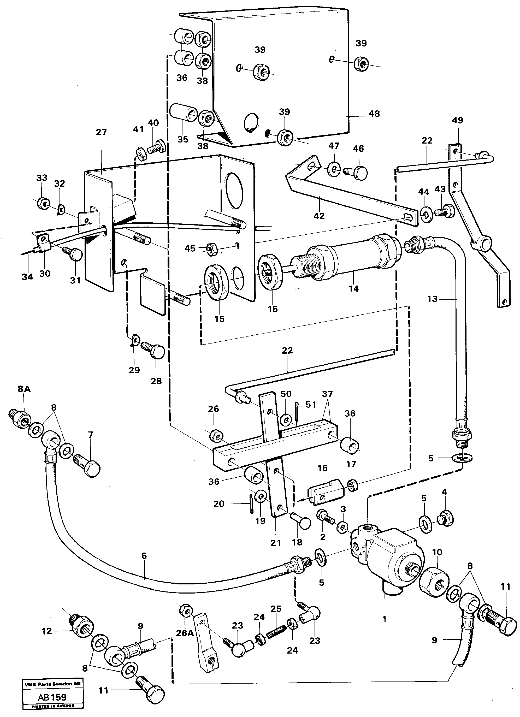
1

VOE 1589338

Клапан

1шт.

1

VOE 1589338

Встроенный клапан в сборе

1шт.

10

VOE 4804868

Nipple

1шт.

11

VOE 7048634

Hollow Screw

1шт.

11

VOE 7048634

Hollow Screw

1шт.

12

VOE 4804855

Пробка (заглушка)

1шт.

13

VOE 4804851

Oil Hose

1шт.

14

VOE 4804859

цилиндр

1шт.

16

VOE 4947872

Fork

1шт.

17

VOE 13955781

Гайка

1шт.

17

VOE 13955781

Гайка

1шт.

18

VOE 913113

Bolt

1шт.

18

VOE 913113

Болт

1шт.

19

VOE 13949607

Шайба

(949607)

1шт.

19

VOE 13949607

Шайба

(949607)

1шт.

2

VOE 13955271

Болт

1шт.

2

VOE 13955271

Болт

1шт.

20

VOE 907822

Cotter Pin

1шт.

21

VOE 4947871

Lever

1шт.

22

VOE 4947875

Толкатель штанги

1шт.

23

VOE 959079

Anl Ball Joint

1шт.

23

VOE 959079

Anl Ball Joint

1шт.

24

VOE 13955781

Гайка

1шт.

24

VOE 13955781

Гайка

1шт.

25

VOE 13963056

установочный винт

(963056)

1шт.

26

VOE 946035

Lock nut

1шт.

26

VOE 946035

Lock nut

1шт.

27

VOE 4947878

Attaching plate

1шт.

3

VOE 13949607

Шайба

(949607)

1шт.

3

VOE 13949607

Шайба

(949607)

1шт.

35

VOE 4948049

Вставка

1шт.

36

VOE 930418

Spacer Ring

1шт.

36

VOE 930418

Spacer Ring

1шт.

37

VOE 4947870

Guide

1шт.

38

VOE 955782

Hexagon Nut

1шт.

38

VOE 955782

Hexagon Nut

1шт.

39

VOE 946036

Lock nut

1шт.

39

VOE 946036

Lock nut

1шт.

4

VOE 960629

Пробка (заглушка)

1шт.

4

VOE 960629

Пробка (заглушка)

1шт.

40

VOE 955275

Винт шестигранник

1шт.

40

VOE 955275

Винт шестигранник

1шт.

41

VOE 13955781

Гайка

1шт.

41

VOE 13955781

Гайка

1шт.

42

VOE 4948048

Опора

1шт.

43

VOE 13955294

Болт

(955294)

1шт.

43

VOE 13955294

Болт

(955294)

1шт.

44

VOE 976944

Шайба

(960141)

1шт.

44

VOE 976944

Шайба

(960141)

1шт.

45

VOE 946036

Lock nut

1шт.

45

VOE 946036

Lock nut

1шт.

46

VOE 13955547

Болт

(955547)

1шт.

46

VOE 13955547

Болт

(955547)

1шт.

47

VOE 955896

Шайба

1шт.

47

VOE 955896

Шайба

1шт.

48

VOE 4947877

Cap

1шт.

5

VOE 13947282

Прокладка

(947282)

1шт.

5

VOE 13947282

Прокладка

(947282)

1шт.

6

VOE 4804854

Oil Hose

1шт.

7

VOE 7048634

Hollow Screw

1шт.

7

VOE 7048634

Hollow Screw

1шт.

8

VOE 13947281

Прокладка

(947281)

1шт.

8

VOE 13947281

Прокладка

(947281)

1шт.

8A

VOE 11002439

Nipple

1шт.

8A

VOE 11002439

Nipple

1шт.

9

VOE 4804869

Oil Hose

1шт.

Выбрано товаров: 66