Запчасти Volvo L50 5126 Alternator L50 L50 S/N 6401- / 60301- USA

Схема запчастей Volvo L50 - 5126 Alternator L50 L50 S/N 6401- / 60301- USA
FIT
1:1
100%

Артикул

Название

Примечание

Количество

VOE 11993561

Картер (корпус)

1шт.

VOE 4803774

Alternator

ENG - 74087

1шт.

VOE 4803774

Alternator

ENG - 74087

1шт.

VOE 863955

Alternator

ENG 74088 - 74386

1шт.

VOE 863955

Alternator

ENG 74088 - 74386

1шт.

VOE 872021

Alternator

ENG 75605 - 75629

1шт.

VOE 872021

Alternator

ENG 75605 - 75629

1шт.

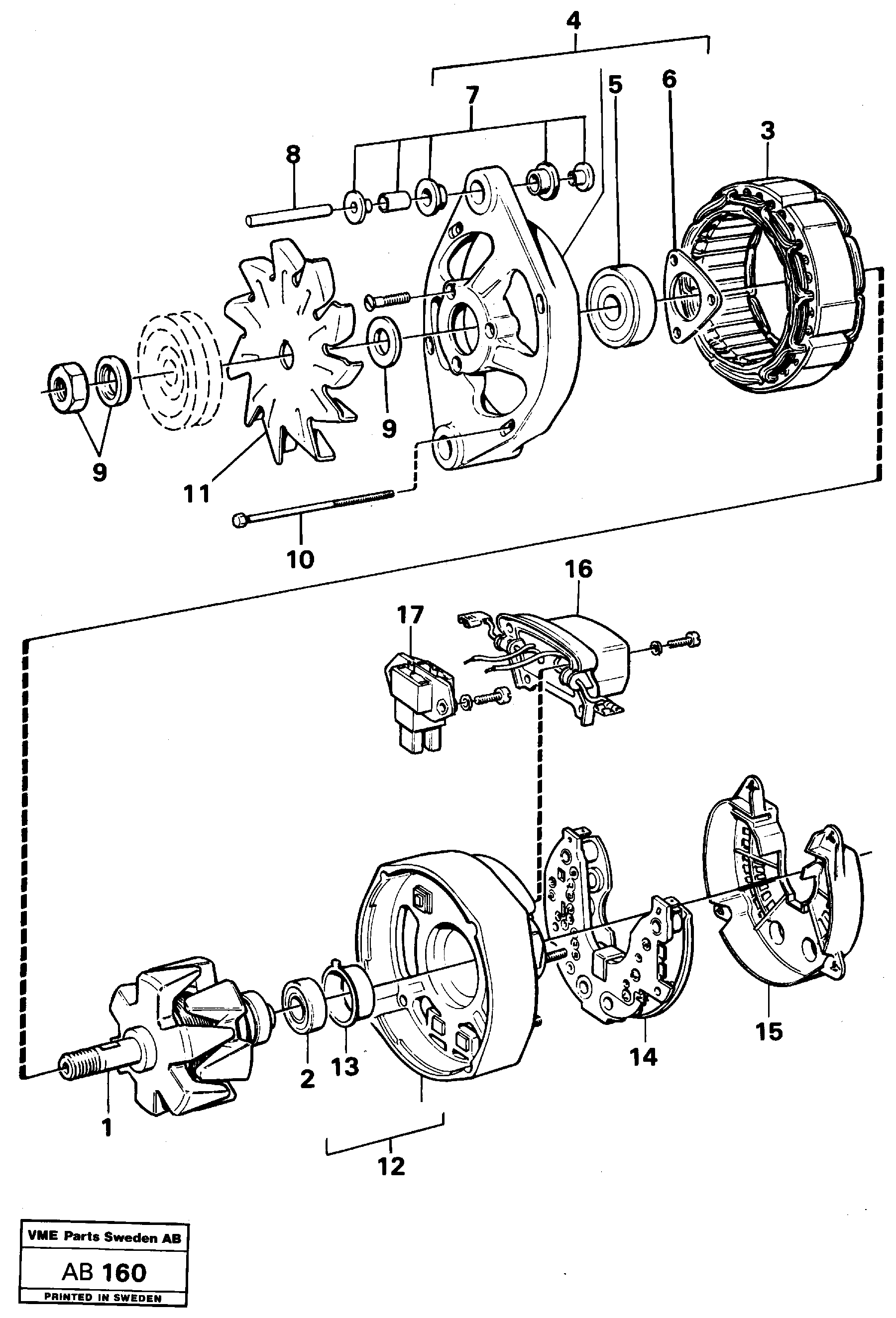
1

VOE 864347

Rotor

(864347)

1шт.

1

VOE 864347

Rotor

(864347)

1шт.

10

VOE 6212852

Комплект винтов

1шт.

10

VOE 6212852

Комплект винтов

1шт.

11

VOE 6212848

Вентилятор

1шт.

11

VOE 6212848

Вентилятор

1шт.

12

VOE 1696942

Картер (корпус)

1шт.

13

VOE 838919

Крышка

1шт.

13

VOE 838919

Крышка

1шт.

14

VOE 873817

Diode Bridge

(1696944)

1шт.

14

VOE 873817

Diode Bridge

(1696944)

1шт.

15

VOE 847712

Крышка

1шт.

15

VOE 847712

Крышка

1шт.

16

VOE 872023

Regulator

1шт.

17

VOE 840632

Brush Retainer

1шт.

17

VOE 840632

Brush Retainer

1шт.

2

VOE 181798

Ball Bearing

1шт.

2

VOE 181798

Ball Bearing

1шт.

3

VOE 864346

Stator

1шт.

3

VOE 864346

Stator

1шт.

4

VOE 1698690

Картер (корпус)

(11994217)

1шт.

5

VOE 864350

Ball Bearing

1шт.

5

VOE 864350

Ball Bearing

1шт.

6

VOE 6212851

Small Parts Kit

1шт.

7

VOE 840634

Vib Damper

1шт.

8

VOE 1610144

Spring Pin

(11994217)

1шт.

8

VOE 1610144

Spring Pin

(11994217)

1шт.

9

VOE 6212847

Nut Set

1шт.

Выбрано товаров: 35