Запчасти Volvo L50 20981 Frame L50 L50 S/N 6401- / 60301- USA

Схема запчастей Volvo L50 - 20981 Frame L50 L50 S/N 6401- / 60301- USA
FIT
1:1
100%

Артикул

Название

Примечание

Количество

VOE 11003750

Front frame

SER NO 7339 -

1шт.

VOE 11003800

Rear frame

SER NO 7339 -

1шт.

VOE 11177036

Transport lock

SER NO 7339 -

1шт.

VOE 11177036

Transport lock

SER NO 7339 -

1шт.

VOE 11019676

Pivot pin

SER NO 7339 -

1шт.

VOE 11019676

Pivot pin

SER NO 7339 -

1шт.

VOE 4932876

Прокладка

THICK=0,15

1шт.

VOE 4932876

Прокладка

THICK=0,15

1шт.

VOE 4932877

Прокладка

THICK=0,5

1шт.

VOE 4932877

Прокладка

THICK=0,5

1шт.

VOE 729803

729803

SER NO 7339 -

1шт.

VOE 4945887

Вставка

THICK=0,15

1шт.

VOE 4945887

Вставка

THICK=0,15

1шт.

VOE 4945888

Вставка

THICK=0,5

1шт.

VOE 4945888

Вставка

THICK=0,5

1шт.

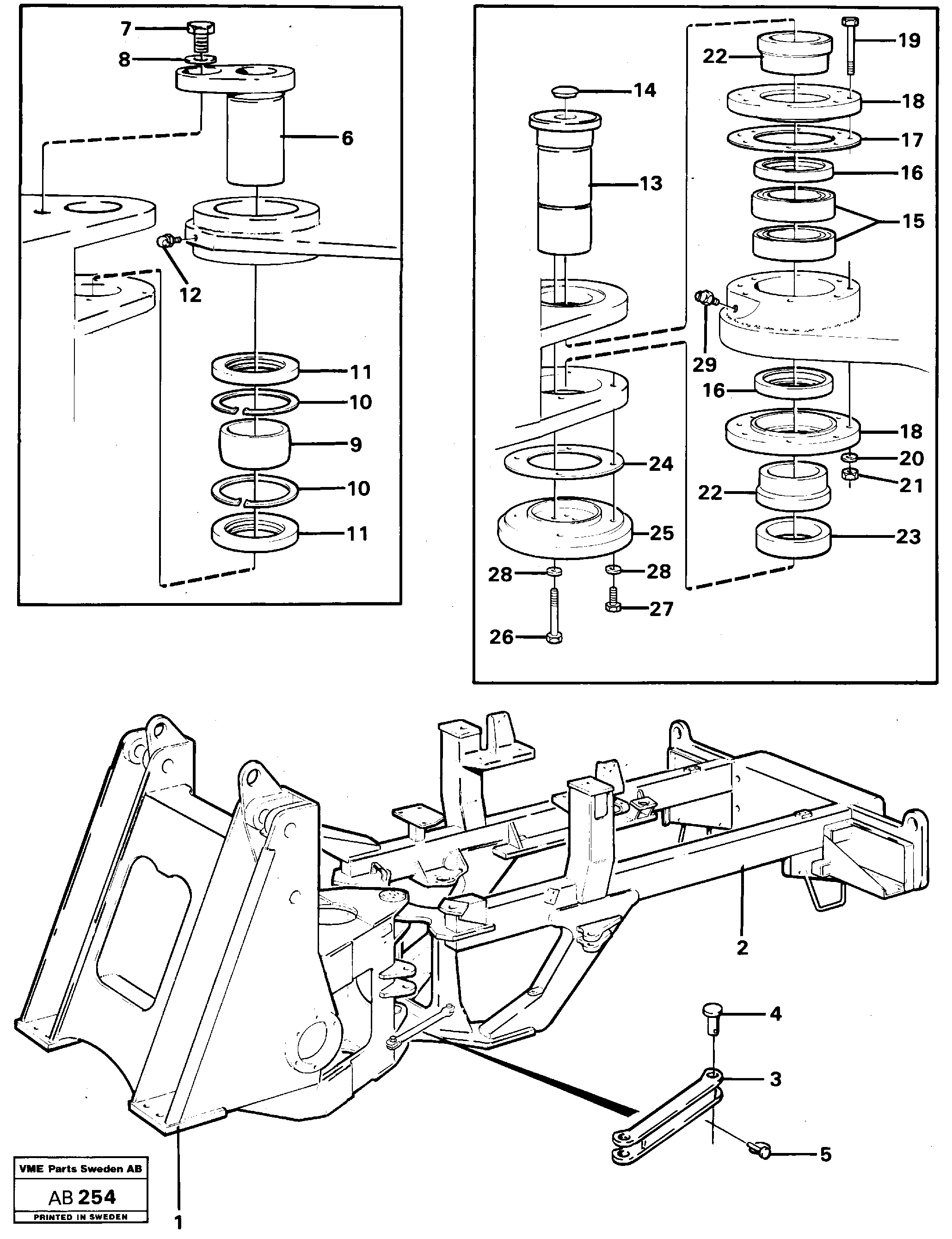
1

VOE 11002850

Front frame

SER NO - 7338

1шт.

10

VOE 951090

Retaining ring

1шт.

10

VOE 951090

Retaining ring

1шт.

11

VOE 4932889

Кольцо уплотнительное

1шт.

12

VOE 914170

Lubricating nipple

1шт.

12

VOE 914170

Lubricating nipple

1шт.

13

VOE 4939926

Палец

1шт.

15

VOE 7011094

Подшипник

1шт.

15

VOE 7011094

Подшипник

1шт.

16

VOE 958747

Кольцо уплотнительное

1шт.

16

VOE 958747

Кольцо уплотнительное

1шт.

17

VOE 4945886

Вставка

THICK=0,1

1шт.

17

VOE 4945886

Вставка

THICK=0,1

1шт.

18

VOE 4945894

Крышка

1шт.

18

VOE 4945894

Cover

1шт.

19

VOE 13970982

Винт шестигранник

1шт.

19

VOE 13970982

Винт шестигранник

1шт.

2

VOE 11002910

Rear frame

SER NO - 7338

1шт.

20

VOE 13955897

Шайба

1шт.

20

VOE 13955897

Шайба

1шт.

21

VOE 13971072

Hexagon nut

1шт.

21

VOE 13971072

Hexagon nut

1шт.

22

VOE 4945893

Втулка

1шт.

22

VOE 4945893

Втулка

1шт.

23

VOE 4939925

Втулка

1шт.

23

VOE 4939925

Втулка

1шт.

24

VOE 4932875

Прокладка

THICK=0,1

1шт.

24

VOE 4932875

Прокладка

THICK=0,1

1шт.

25

VOE 4932882

Attaching washer

1шт.

25

VOE 4932882

Attaching washer

1шт.

26

VOE 13970981

Винт шестигранник

L=90

1шт.

26

VOE 13970981

Винт шестигранник

L=90

1шт.

27

VOE 13970972

Винт шестигранник

L=40

1шт.

27

VOE 13970972

Винт шестигранник

L=40

1шт.

28

VOE 13955897

Шайба

1шт.

28

VOE 13955897

Шайба

1шт.

29

VOE 914167

Lubricating nipple

1шт.

29

VOE 914167

Lubricating nipple

1шт.

3

VOE 4926889

Опора

SER NO - 7338

1шт.

4

VOE 13964903

Clevis pin

SER NO - 7338

1шт.

4

VOE 13964903

Болт

SER NO - 7338

1шт.

5

VOE 4785351

Палец

SER NO - 7338

1шт.

6

VOE 4945890

4945890

1шт.

7

VOE 955362

Винт шестигранник

1шт.

7

VOE 955362

Винт шестигранник

1шт.

8

VOE 13955900

Шайба

1шт.

8

VOE 13955900

Шайба

1шт.

9

VOE 183680

Spherical plain bearing

1шт.

9

VOE 183680

Spherical plain bearing

1шт.

Выбрано товаров: 64