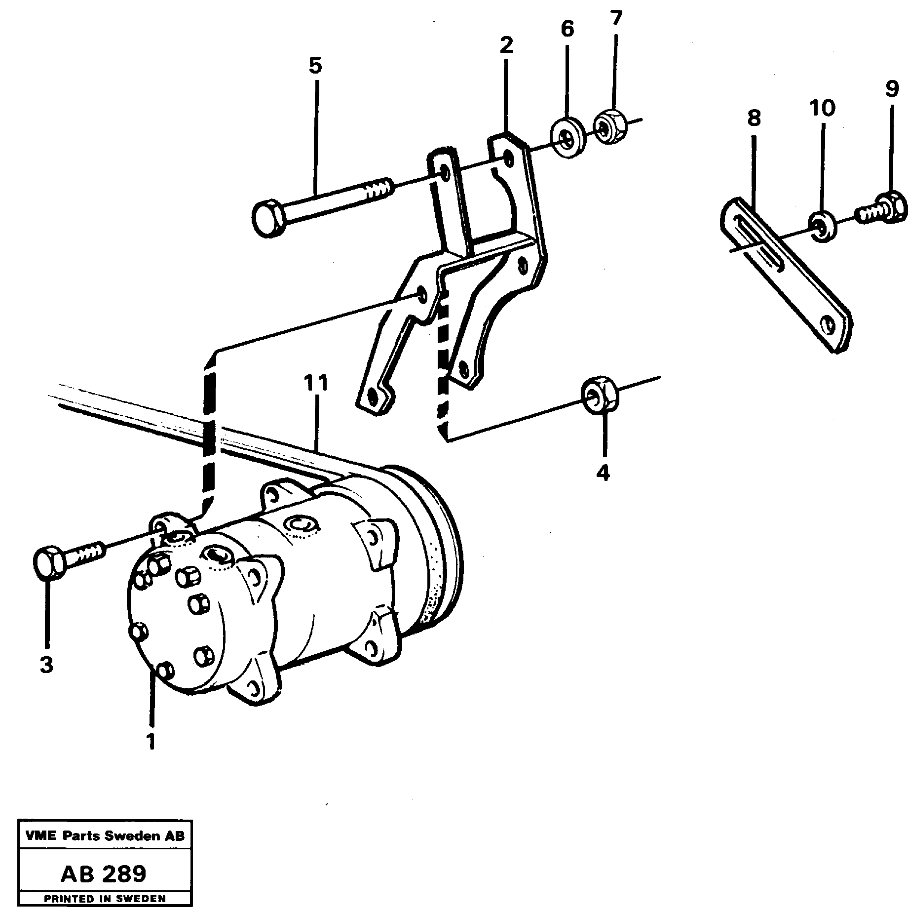
Запчасти Volvo L50 9947 Air-compressor with fitting parts L50 L50 S/N 6401- / 60301- USA

Схема запчастей Volvo L50 - 9947 Air-compressor with fitting parts L50 L50 S/N 6401- / 60301- USA
FIT
1:1
100%

Артикул

Название

Примечание

Количество

VOE 13970950

Винт шестигранник

L=40

1шт.

VOE 13970950

Винт шестигранник

L=40

1шт.

VOE 13971084

Lock nut

1шт.

VOE 13971084

Lock nut

1шт.

10

VOE 13960142

Шайба

1шт.

10

VOE 13960142

Шайба

1шт.

11

VOE 967120

Ремень клиновой (приводной)

1шт.

11

VOE 967120

Ремень клиновой (приводной)

1шт.

2

VOE 4947955

Кронштейн

1шт.

3

VOE 13970949

Винт шестигранник

L=35

1шт.

3

VOE 13970949

Винт шестигранник

L=35

1шт.

4

VOE 13971083

Lock nut

1шт.

4

VOE 13971083

Lock nut

1шт.

5

VOE 13970982

Винт шестигранник

1шт.

5

VOE 13970982

Винт шестигранник

1шт.

6

VOE 13955897

Шайба

1шт.

6

VOE 13955897

Шайба

1шт.

7

VOE 13971072

Hexagon Nut

1шт.

7

VOE 13971072

Hexagon Nut

1шт.

8

VOE 4955103

Tensioner

1шт.

9

VOE 13940162

Болт

1шт.

9

VOE 13940162

Болт

1шт.

Выбрано товаров: 22