Запчасти Volvo L50 100754 Engine heater L50 L50 S/N 6401- / 60301- USA

Схема запчастей Volvo L50 - 100754 Engine heater L50 L50 S/N 6401- / 60301- USA
FIT
1:1
100%

Артикул

Название

Примечание

Количество

VOE 21251194

Cab heater

1шт.

VOE 11043093

Engine heater kit

(USA)

1шт.

VOE 961970

Пробка (заглушка)

1шт.

VOE 961970

Пробка (заглушка)

1шт.

VOE 11043092

Eng Heater Kit

(USA)

1шт.

VOE 4804839

Engine heater

1шт.

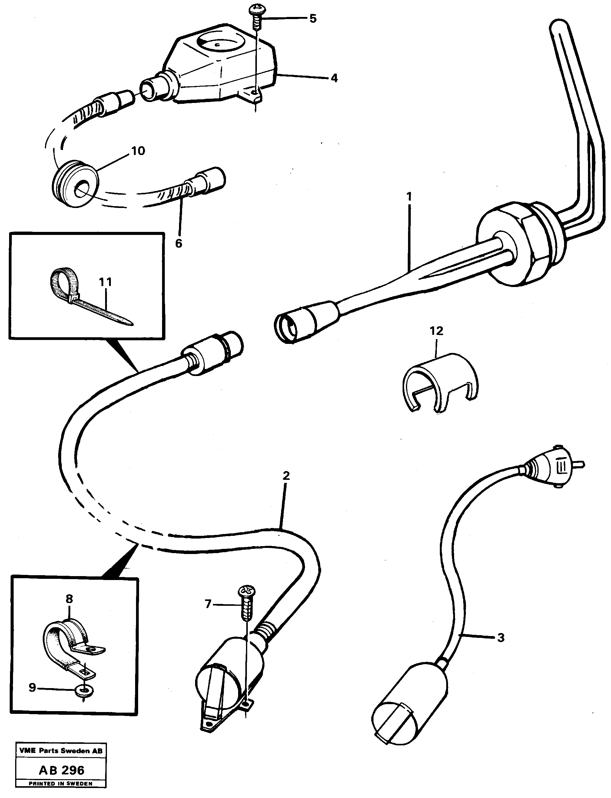
1

VOE 4804840

Heater

1шт.

1

VOE 4804840

Heater

1шт.

10

VOE 941269

Пробка (заглушка)

1шт.

10

VOE 941269

Пробка (заглушка)

1шт.

11

VOE 4881440

Cable tie

1шт.

11

VOE 4881440

Cable tie

1шт.

12

VOE 11004943

Locking device

1шт.

12

VOE 11004943

Locking device

1шт.

2

VOE 4804422

Cable

1шт.

2

VOE 4804422

Cable

1шт.

3

VOE 4804419

Cable

1шт.

3

VOE 4804419

Cable

1шт.

4

VOE 11710754

Heater outlet

1шт.

4

VOE 11710754

Heater outlet

1шт.

5

VOE 955127

Cross recessed screw

1шт.

5

VOE 955127

Cross recessed screw

1шт.

6

VOE 4804477

Cable

1шт.

6

VOE 4804477

Cable

1шт.

7

VOE 955127

Cross recessed screw

1шт.

7

VOE 955127

Cross recessed screw

1шт.

8

VOE 952629

Зажим

1шт.

8

VOE 952629

Зажим

1шт.

9

VOE 13955781

Гайка

1шт.

9

VOE 13955781

Гайка

1шт.

Выбрано товаров: 30