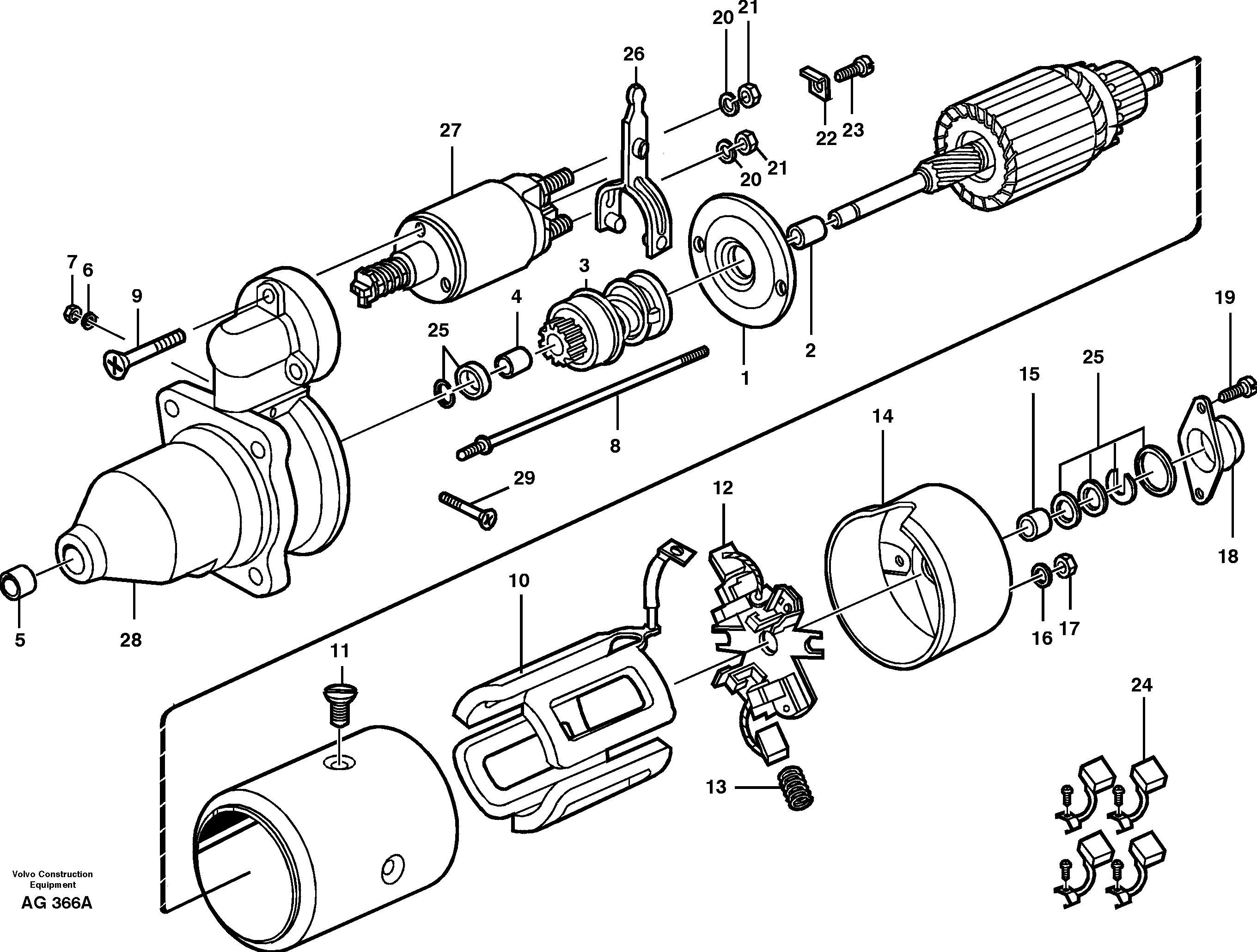
Запчасти Volvo L50B 29989 Starter motor L50B/L50C VOLVO BM VOLVO BM L50B/L50C SER NO - 10966

Схема запчастей Volvo L50B - 29989 Starter motor L50B/L50C VOLVO BM VOLVO BM L50B/L50C SER NO - 10966
FIT
1:1
100%

Артикул

Название

Примечание

Количество

VOE 11702594

Starter motor

ENG U769326B-

1шт.

VOE 11702594

Starter motor

ENG U769326B-

1шт.

1

VOE 6210770

Подшипник промежуточный

1шт.

10

VOE 6210775

Field winding

1шт.

10

VOE 6210775

Field winding

1шт.

11

VOE 11998701

Болт

1шт.

11

VOE 11998701

Болт

1шт.

12

VOE 6210779

Brush retainer

1шт.

12

VOE 6210779

Brush retainer

1шт.

13

VOE 6211488

Пружина

1шт.

13

VOE 6211488

Пружина

1шт.

14

VOE 1257684

Brg Arrangement

1шт.

15

VOE 6210777

Втулка

1шт.

15

VOE 6210777

Втулка

1шт.

16

VOE 6226488

Шайба

1шт.

17

VOE 13955781

Гайка

1шт.

17

VOE 13955781

Гайка

1шт.

18

VOE 829705

Крышка

1шт.

18

VOE 829705

Cover

1шт.

19

VOE 233173

Болт

1шт.

2

VOE 6644949

Втулка

1шт.

2

VOE 6644949

Втулка

1шт.

20

VOE 11702603

Шайба

1шт.

21

VOE 13971080

Hexagon nut

1шт.

21

VOE 13971080

Hexagon nut

1шт.

22

VOE 858689

858689

1шт.

23

VOE 14025320

Болт

1шт.

24

VOE 6210778

Carbon brush

1шт.

24

VOE 6210778

Carbon brush

1шт.

25

VOE 829707

Ремкомплект

1шт.

25

VOE 829707

Ремкомплект

1шт.

26

VOE 1696545

Рукоять

1шт.

26

VOE 1696545

Рукоять

1шт.

27

VOE 11702604

Соленоид (электромагнитный клапан)

1шт.

28

VOE 11702605

Картер (корпус)

1шт.

28

VOE 11702605

End piece

1шт.

29

VOE 11700731

Болт

1шт.

3

VOE 11702601

Starter Pinion

1шт.

4

VOE 6210772

Втулка

1шт.

4

VOE 6210772

Втулка

1шт.

5

VOE 7048109

Втулка

1шт.

5

VOE 7048109

Втулка

1шт.

6

VOE 11702602

Шайба пружинная

1шт.

6

VOE 11702602

Шайба

1шт.

7

VOE 955782

Hexagon nut

1шт.

7

VOE 955782

Hexagon nut

1шт.

8

VOE 11999379

Шпилька

1шт.

8

VOE 11999379

Шпилька

1шт.

9

VOE 1696544

Болт

1шт.

9

VOE 1696544

Болт

1шт.

Выбрано товаров: 50