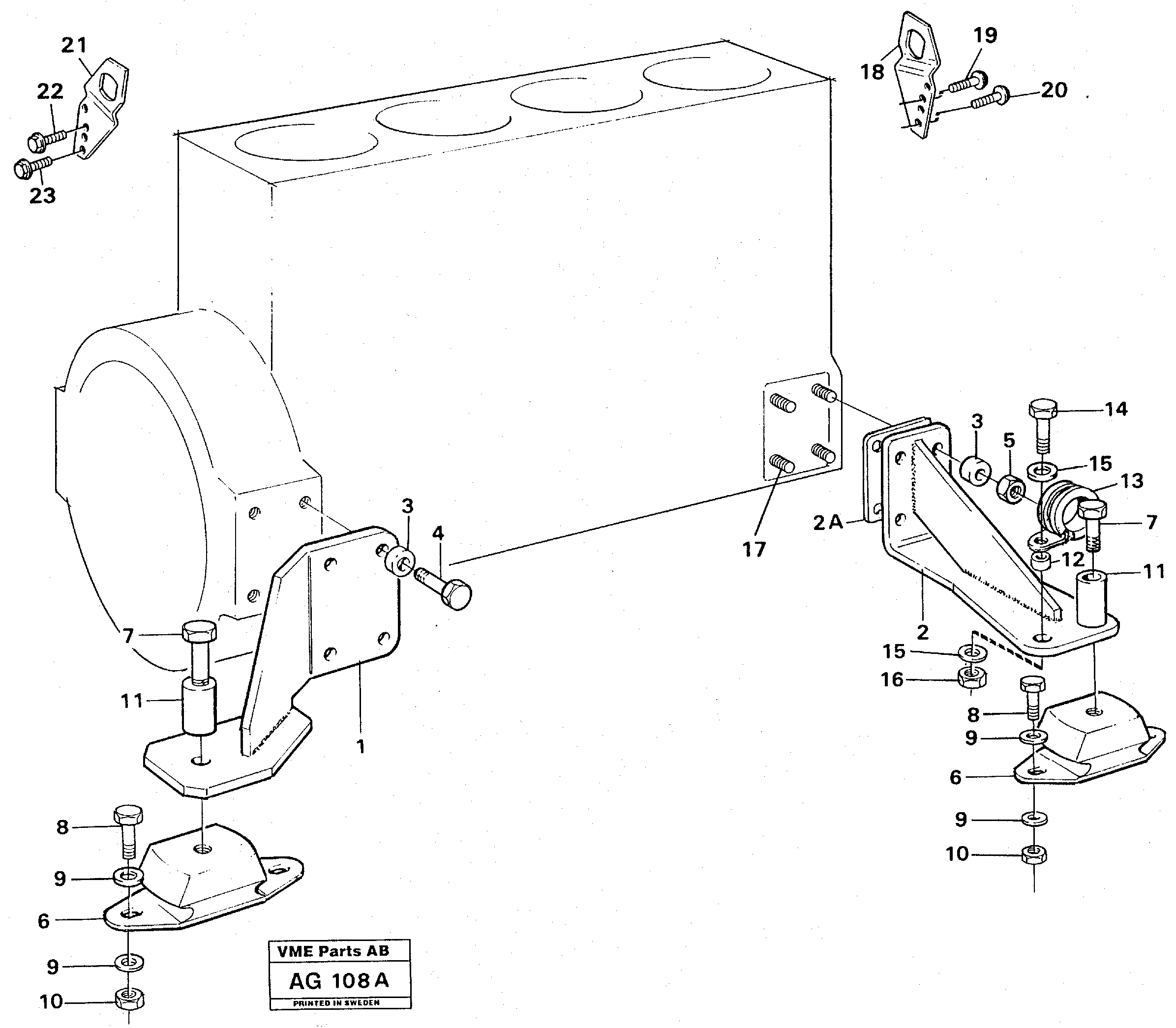
Запчасти Volvo L50C 40929 Установка двигателя L50B/L50C VOLVO BM VOLVO BM L50B/L50C SER NO - 10966

Схема запчастей Volvo L50C - 40929 Установка двигателя L50B/L50C VOLVO BM VOLVO BM L50B/L50C SER NO - 10966
FIT
1:1
100%

Артикул

Название

Примечание

Количество

VOE 11091320

Установка двигателя

LH: SER NO 9090 -

1шт.

VOE 11090588

Установка двигателя

RH

1шт.

VOE 11090952

Установка двигателя

RH, TD 40 KAE

1шт.

VOE 4850822

Вставка

SER NO 9090 -

1шт.

VOE 4850822

Вставка

SER NO 9090 -

1шт.

1

VOE 11090587

Установка двигателя

LH: SER NO - 9089

1шт.

10

VOE 13971084

Lock nut

1шт.

10

VOE 13971084

Lock nut

1шт.

11

VOE 4713119

Spacer Ring

1шт.

11

VOE 4713119

Spacer Ring

1шт.

12

VOE 930445

Spacer Ring

1шт.

12

VOE 930445

Spacer Ring

1шт.

13

VOE 942810

Зажим

1шт.

13

VOE 942810

Зажим

1шт.

14

VOE 940142

Винт шестигранник

1шт.

14

VOE 940142

Винт шестигранник

1шт.

15

VOE 13960143

Шайба

1шт.

15

VOE 13960143

Шайба

1шт.

16

VOE 955782

Hexagon Nut

1шт.

16

VOE 955782

Hexagon Nut

1шт.

17

VOE 11998146

Шпилька

1шт.

18

VOE 11998149

Lifting Plate

1шт.

18

VOE 11998149

Lifting Plate

1шт.

19

VOE 946329

Flange screw

L = 25MM

1шт.

19

VOE 946329

Flange screw

L = 25MM

1шт.

2

VOE 11090952

Установка двигателя

RH, TD 40 GA

1шт.

20

VOE 946472

Flange screw

L = 30MM

1шт.

20

VOE 946472

Flange screw

L = 30MM

1шт.

21

VOE 11998148

Lifting Plate

1шт.

21

VOE 11998148

Lifting Plate

1шт.

22

VOE 946441

Flange screw

L = 20MM

1шт.

22

VOE 946441

Flange screw

L = 20MM

1шт.

23

VOE 946329

Flange screw

L = 25MM

1шт.

23

VOE 946329

Flange screw

L = 25MM

1шт.

2A

VOE 11091319

Вставка

SER NO 9090 -

1шт.

3

VOE 4850822

Вставка

SER NO - 9089

1шт.

3

VOE 4850822

Вставка

SER NO - 9089

1шт.

4

VOE 13970972

Винт шестигранник

1шт.

4

VOE 13970972

Винт шестигранник

1шт.

5

VOE 13971096

Flange nut

1шт.

5

VOE 13971096

Flange nut

1шт.

6

VOE 11090592

Rubber cushion

1шт.

6

VOE 11090592

Rubber cushion

1шт.

7

VOE 13955370

Болт

1шт.

7

VOE 13955370

Болт

1шт.

8

VOE 13970972

Винт шестигранник

1шт.

8

VOE 13970972

Винт шестигранник

1шт.

9

VOE 13960145

Шайба

1шт.

9

VOE 13960145

Шайба

1шт.

Выбрано товаров: 49