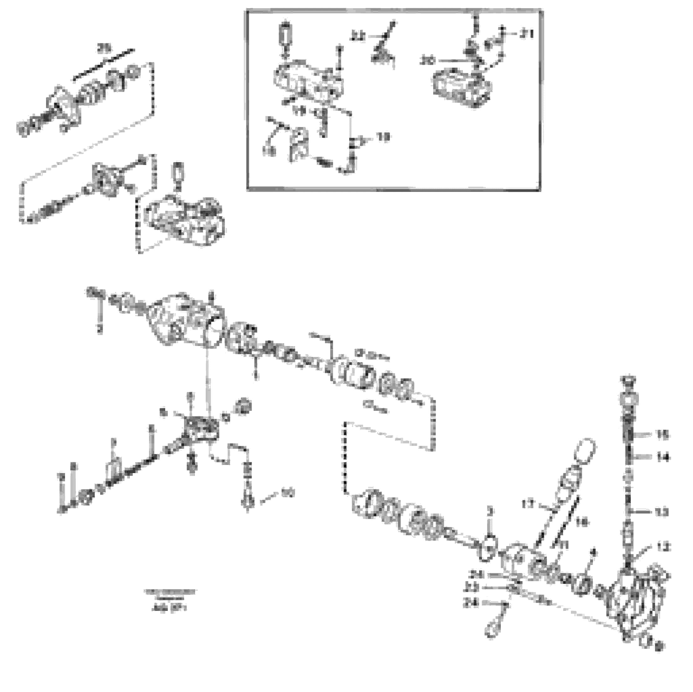
Запчасти Volvo L50C 66377 Насос L50B/L50C VOLVO BM VOLVO BM L50B/L50C SER NO - 10966

Схема запчастей Volvo L50C - 66377 Насос L50B/L50C VOLVO BM VOLVO BM L50B/L50C SER NO - 10966
FIT
1:1
100%

Артикул

Название

Примечание

Количество

VOE 11997912

Насос

1шт.

VOE 7242581

Прокладка

1шт.

VOE 242584

Прокладка

1шт.

1

VOE 11998284

Regulator weight

1шт.

10

VOE 192601

Ball

1шт.

10

VOE 192601

Ball

1шт.

11

VOE 236990

Кольцо уплотнительное (О-кольцо)

1шт.

12

VOE 236494

Return spring

1шт.

13

VOE 242671

Поршень

1шт.

14

VOE 236501

Пружина

1шт.

15

VOE 236498

236498

1шт.

16

VOE 11708341

Соленоид (электромагнитный клапан)

1шт.

16

VOE 11708341

Соленоид (электромагнитный клапан)

1шт.

17

VOE 11703083

Кольцо уплотнительное (О-кольцо)

1шт.

18

VOE 242324

Пружина

1шт.

18

VOE 242324

Пружина

1шт.

19

VOE 236570

Кольцо уплотнительное (О-кольцо)

1шт.

19

VOE 236570

Кольцо уплотнительное (О-кольцо)

1шт.

2

VOE 955925

Шайба пружинная

1шт.

2

VOE 955925

Шайба пружинная

1шт.

20

VOE 11700730

Return spring

1шт.

21

VOE 955946

Toothed washer

1шт.

21

VOE 955946

Toothed washer

1шт.

22

VOE 242399

Lock nut

1шт.

22

VOE 242399

Lock nut

1шт.

23

VOE 11700750

Соединитель

1шт.

24

VOE 11998283

Шайба

1шт.

25

VOE 11703145

Diaphragm

1шт.

3

VOE 236511

Кольцо уплотнительное (О-кольцо)

1шт.

4

VOE 11998268

Centre ring

1шт.

5

VOE 236594

Прокладка

1шт.

6

VOE 242407

Пружина

1шт.

7

VOE 242583

Прокладка

1шт.

8

VOE 242530

Прокладка

1шт.

9

VOE 11998279

Allen Head Screw

1шт.

Выбрано товаров: 35