Запчасти Volvo L50C 26433 Hydraulic valve L50B/L50C VOLVO BM VOLVO BM L50B/L50C SER NO - 10966

Схема запчастей Volvo L50C - 26433 Hydraulic valve L50B/L50C VOLVO BM VOLVO BM L50B/L50C SER NO - 10966
FIT
1:1
100%

Артикул

Название

Примечание

Количество

VOE 11090241

Клапан

SER NO - 9220

1шт.

VOE 11091220

Hydraulic Valve

SER NO 9221 - 10005

1шт.

VOE 11091220

Hydraulic Valve

SER NO 9221 - 10005

1шт.

VOE 11147623

Клапан регулирующий (распределительный)

SER NO 10006 -

1шт.

VOE 11147623

Клапан регулирующий (распределительный)

SER NO 10006 -

1шт.

VOE 13960213

Кольцо уплотнительное (О-кольцо)

1шт.

VOE 13960213

Кольцо уплотнительное (О-кольцо)

1шт.

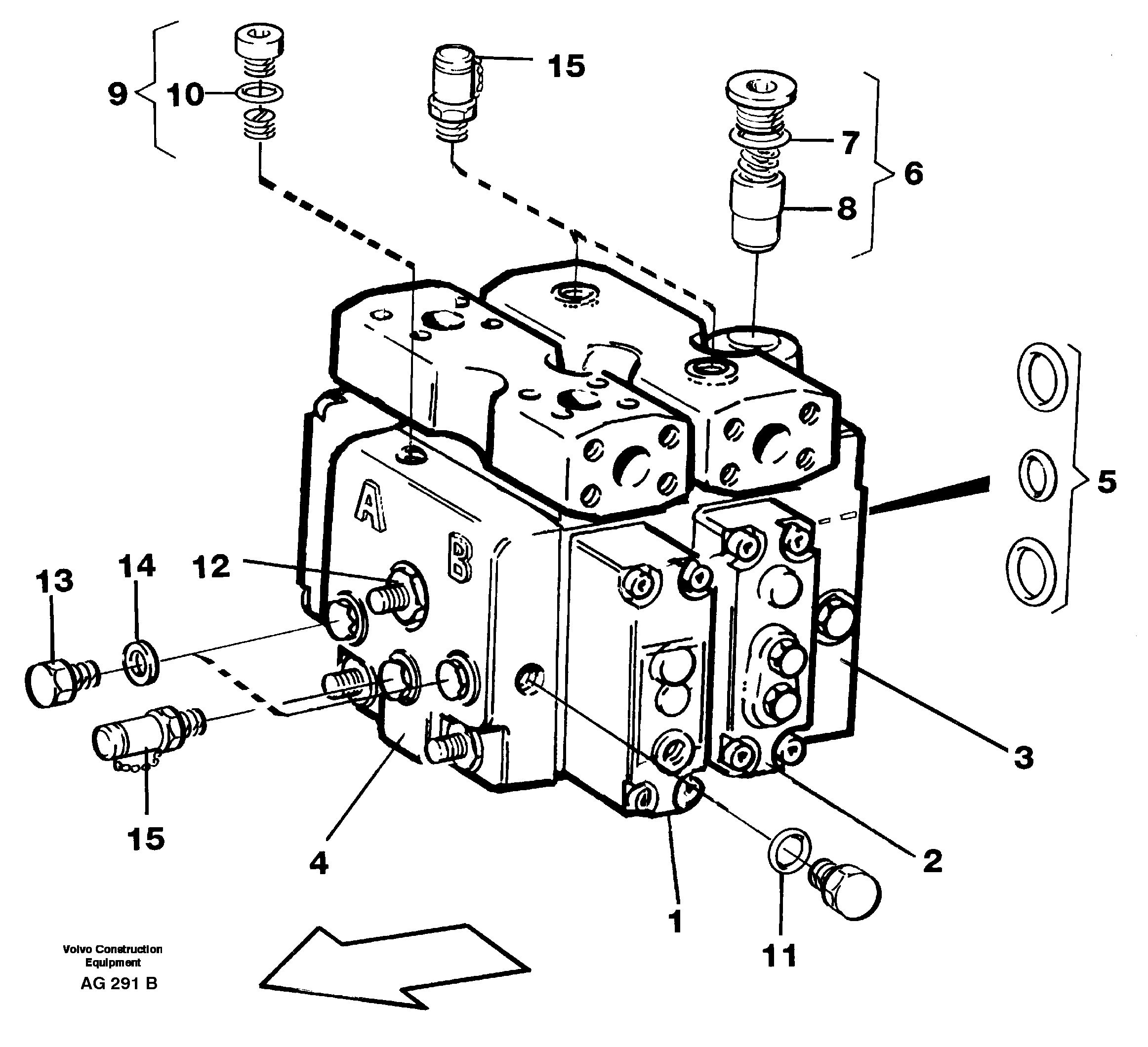
1

VOE 11700770

Клапан

LIFT/LYFTSEKTION

1шт.

1

VOE 11700770

Клапан

LIFT/LYFTSEKTION

1шт.

1

VOE 11998778

Клапан

LIFT-/ LYFTSEKTION

1шт.

10

VOE 11996447

Кольцо уплотнительное (О-кольцо)

1шт.

10

VOE 11996447

Кольцо уплотнительное (О-кольцо)

1шт.

11

VOE 11998254

Кольцо уплотнительное (О-кольцо)

1шт.

11

VOE 11998254

Кольцо уплотнительное (О-кольцо)

1шт.

12

VOE 11999171

Tie Rod Kit

1шт.

12

VOE 11999171

Tie Rod Kit

1шт.

13

VOE 960630

Пробка (заглушка)

1шт.

13

VOE 960630

Пробка (заглушка)

1шт.

14

VOE 13945653

Plane Gasket

1шт.

14

VOE 13945653

Plane Gasket

1шт.

15

VOE 936444

Testing Nipple

1шт.

15

VOE 936444

Testing Nipple

1шт.

2

VOE 11700771

Клапан

TILT/TILTSEKTION

1шт.

2

VOE 11700771

Клапан

TILT/TILTSEKTION

1шт.

2

VOE 11998779

Клапан

TILT- / TILTSEKTION

1шт.

3

VOE 11701722

End plate

1шт.

3

VOE 11701722

End plate

1шт.

5

VOE 11996433

Sealing Kit

Face seal kit

1шт.

5

VOE 11996433

Sealing Kit

Face seal kit

1шт.

6

VOE 11998252

Check valve

1шт.

6

VOE 11998252

Клапан обратный

1шт.

7

VOE 11998256

Кольцо уплотнительное (О-кольцо)

1шт.

7

VOE 11998256

Кольцо уплотнительное (О-кольцо)

1шт.

8

VOE 11703832

Peg

1шт.

8

VOE 11703832

Peg

1шт.

9

VOE 11998253

Restrictor

1шт.

Выбрано товаров: 36