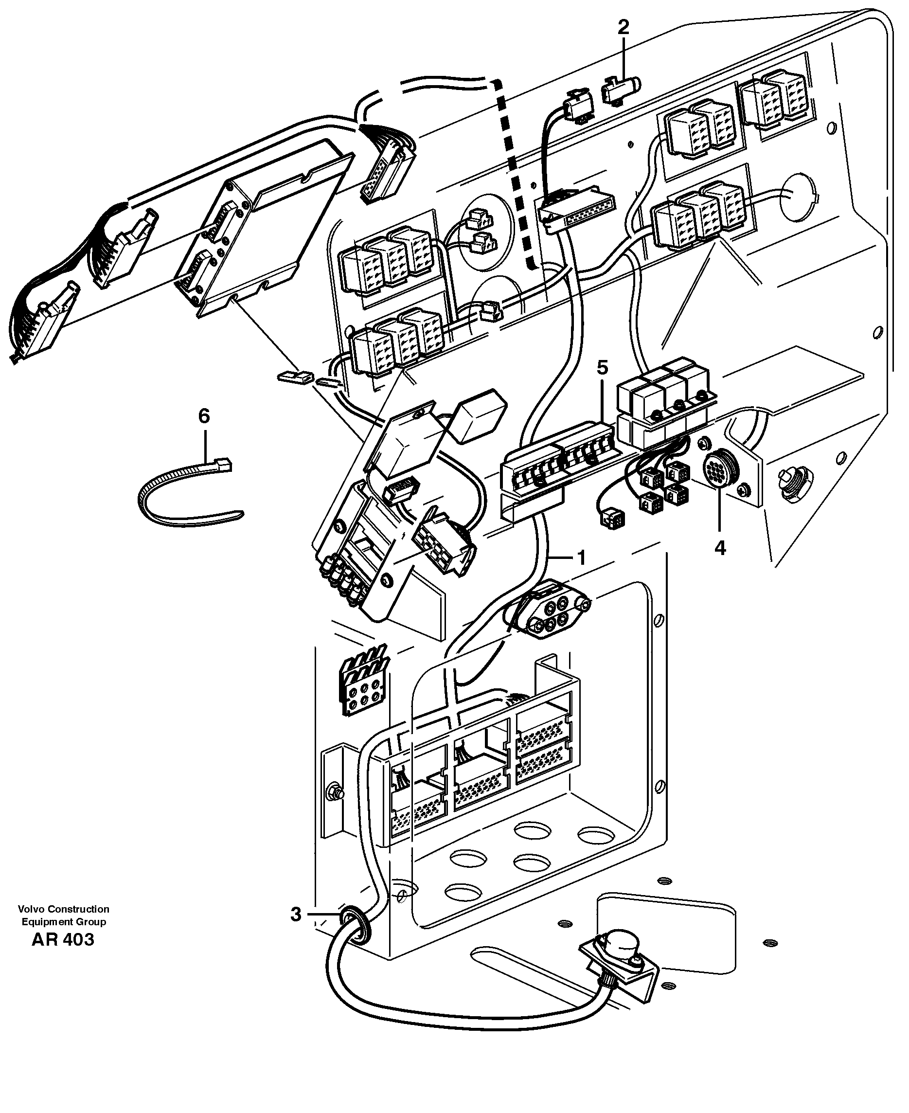
Запчасти Volvo L50C 22381 Electrical distribut.unit and cable harness L50C S/N 10967-, OPEN ROPS S/N 35001-

Схема запчастей Volvo L50C - 22381 Electrical distribut.unit and cable harness L50C S/N 10967-, OPEN ROPS S/N 35001-
FIT
1:1
100%

Артикул

Название

Примечание

Количество

1

VOE 11040575

11040575

1шт.

2

VOE 11041497

Resistor Unit

1шт.

3

VOE 961955

Уплотнительная втулка

1шт.

3

VOE 961955

Уплотнительная втулка

1шт.

4

VOE 14340067

Socket housing

1шт.

4

VOE 14340067

Socket housing

1шт.

5

VOE 11039302

Fuse holder

1шт.

5

VOE 11039302

Fuse holder

1шт.

6

VOE 4881440

Cable tie

1шт.

6

VOE 4881440

Cable tie

1шт.

Выбрано товаров: 10