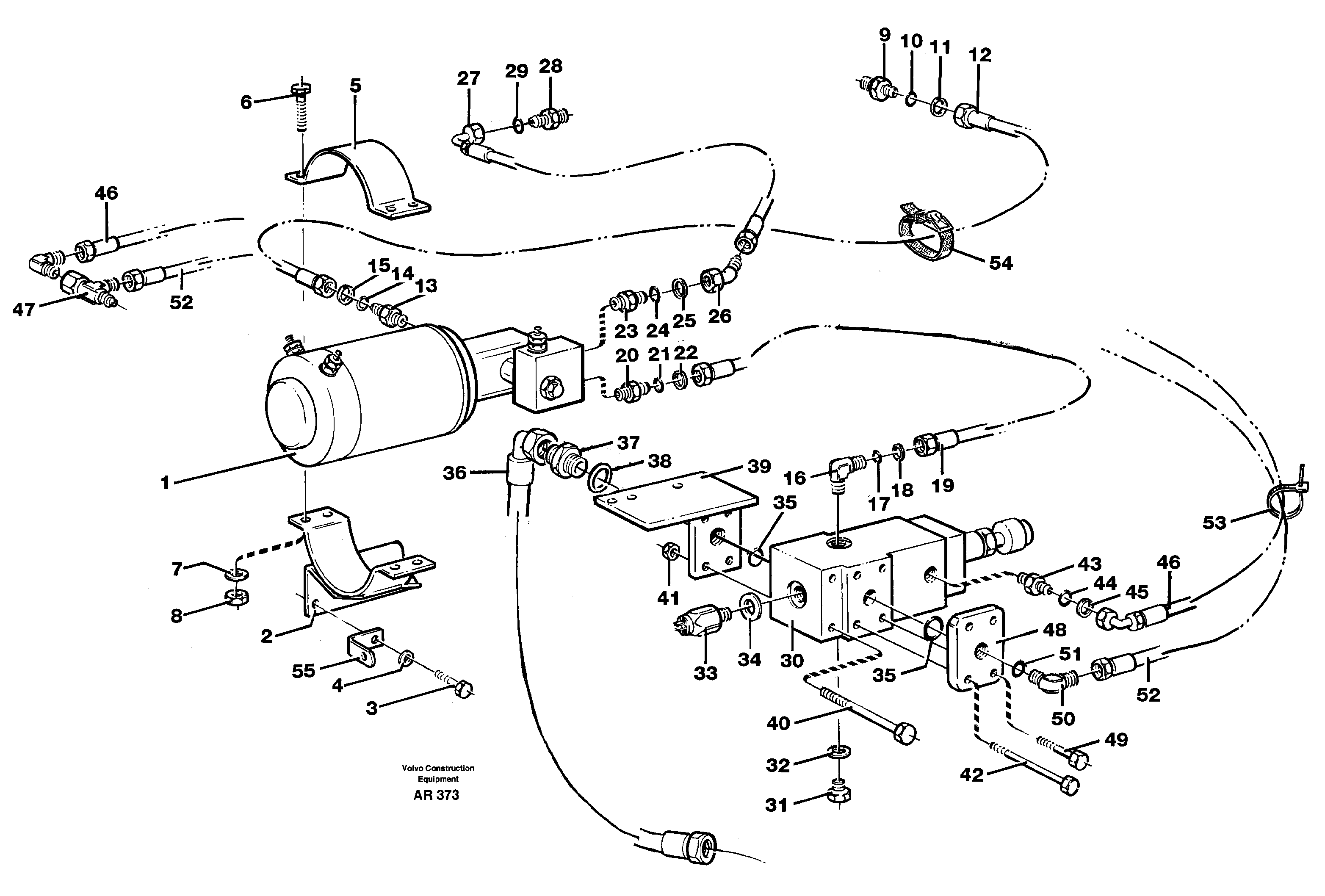
Запчасти Volvo L50C 90904 Auxiliary steering system L50C S/N 10967-, OPEN ROPS S/N 35001-

Схема запчастей Volvo L50C - 90904 Auxiliary steering system L50C S/N 10967-, OPEN ROPS S/N 35001-
FIT
1:1
100%

Артикул

Название

Примечание

Количество

VOE 11702597

Клапан

1шт.

VOE 11702597

Клапан

1шт.

VOE 11702598

Соединитель

1шт.

VOE 11702598

Соединитель

1шт.

VOE 11702596

Насос

1шт.

VOE 11702596

Насос

1шт.

VOE 14013069

Sealing washer

1шт.

VOE 14013069

Прокладка

1шт.

VOE 11709637

Electric motor

1шт.

VOE 11709637

Electric motor

1шт.

VOE 14042936

Sealing washer

1шт.

VOE 14042936

Sealing washer

1шт.

VOE 11702599

Hollow screw

1шт.

VOE 11702599

Hollow screw

1шт.

1

VOE 11027100

Pump unit

1шт.

1

VOE 11027100

Pump unit

1шт.

10

VOE 931211

Кольцо уплотнительное (О-кольцо)

1шт.

10

VOE 931211

Кольцо уплотнительное (О-кольцо)

1шт.

11

VOE 931218

Back-up ring

1шт.

11

VOE 931218

Back-up ring

1шт.

12

VOE 13933518

Hose assembly

1шт.

13

VOE 931227

Nipple

1шт.

13

VOE 931227

Nipple

1шт.

14

VOE 931211

Кольцо уплотнительное (О-кольцо)

1шт.

14

VOE 931211

Кольцо уплотнительное (О-кольцо)

1шт.

15

VOE 931218

Back-up ring

1шт.

15

VOE 931218

Back-up ring

1шт.

16

VOE 931233

Nipple

1шт.

16

VOE 931233

Nipple

1шт.

17

VOE 931210

Кольцо уплотнительное (О-кольцо)

1шт.

17

VOE 931210

Кольцо уплотнительное (О-кольцо)

1шт.

18

VOE 931217

Back-up ring

1шт.

18

VOE 931217

Back-up ring

1шт.

19

VOE 13932943

Hose assembly

1шт.

2

VOE 11100287

Anchorage

1шт.

20

VOE 931226

Nipple

1шт.

20

VOE 931226

Nipple

1шт.

21

VOE 931210

Кольцо уплотнительное (О-кольцо)

1шт.

21

VOE 931210

Кольцо уплотнительное (О-кольцо)

1шт.

22

VOE 931217

Back-up ring

1шт.

22

VOE 931217

Back-up ring

1шт.

23

VOE 931225

Nipple

1шт.

23

VOE 931225

Nipple

1шт.

24

VOE 931209

Кольцо уплотнительное (О-кольцо)

1шт.

24

VOE 931209

Кольцо уплотнительное (О-кольцо)

1шт.

25

VOE 931216

Back-up ring

1шт.

25

VOE 931216

Back-up ring

1шт.

26

VOE 4940202

Clutch

1шт.

27

VOE 13933361

Hose assembly

1шт.

28

VOE 11091798

Clutch

1шт.

29

VOE 11704105

Кольцо уплотнительное (О-кольцо)

1шт.

3

VOE 946472

Flange screw

1шт.

3

VOE 946472

Flange screw

1шт.

31

VOE 944506

Пробка (заглушка)

1шт.

31

VOE 944506

Пробка (заглушка)

1шт.

32

VOE 14042936

Sealing washer

1шт.

32

VOE 14042936

Sealing washer

1шт.

33

VOE 4803590

Pressure monitor

SE 15

1шт.

33

VOE 4803590

Pressure monitor

SE 15

1шт.

34

VOE 14013067

Sealing washer

1шт.

34

VOE 14013067

Sealing washer

1шт.

35

VOE 13948700

Кольцо уплотнительное (О-кольцо)

1шт.

35

VOE 13948700

Кольцо уплотнительное (О-кольцо)

1шт.

36

VOE 13932567

Hose assembly

1шт.

36

VOE 13932567

Hose assembly

1шт.

37

VOE 4881646

Nipple

1шт.

38

VOE 11993538

Кольцо уплотнительное (О-кольцо)

1шт.

38

VOE 11993538

Кольцо уплотнительное (О-кольцо)

1шт.

39

VOE 11101155

Attaching bracket

1шт.

4

VOE 13960143

Шайба

1шт.

4

VOE 13960143

Шайба

1шт.

40

VOE 13965189

Screw

L = 90MM

1шт.

40

VOE 13965189

Болт

L = 90MM

1шт.

41

VOE 13971095

Flange nut

1шт.

41

VOE 13971095

Flange nut

1шт.

42

VOE 970961

Винт шестигранник

L = 110MM

1шт.

42

VOE 970961

Винт шестигранник

L = 110MM

1шт.

43

VOE 931224

Nipple

1шт.

43

VOE 931224

Nipple

1шт.

44

VOE 931209

Кольцо уплотнительное (О-кольцо)

1шт.

44

VOE 931209

Кольцо уплотнительное (О-кольцо)

1шт.

45

VOE 931216

Back-up ring

1шт.

45

VOE 931216

Back-up ring

1шт.

46

VOE 932167

Hose assembly

1шт.

46

VOE 932167

Hose assembly

1шт.

47

VOE 4931462

Clutch

1шт.

48

VOE 11090271

11090271

1шт.

49

VOE 946472

Flange screw

L = 30MM

1шт.

49

VOE 946472

Flange screw

L = 30MM

1шт.

5

VOE 11100288

Зажим

1шт.

5

VOE 11100288

Зажим

1шт.

50

VOE 4881246

Nipple

1шт.

51

VOE 11993538

Кольцо уплотнительное (О-кольцо)

1шт.

51

VOE 11993538

Кольцо уплотнительное (О-кольцо)

1шт.

52

VOE 13933219

Hose assembly

STD

1шт.

52

VOE 13933219

Hose assembly

STD

1шт.

53

VOE 4881440

Cable tie

1шт.

53

VOE 4881440

Cable tie

1шт.

54

VOE 11104606

Retaining strap

1шт.

54

VOE 11104606

Retaining strap

1шт.

55

VOE 11024650

Angle plate

1шт.

55

VOE 11024650

Angle plate

1шт.

6

VOE 13947760

Болт

1шт.

6

VOE 13947760

Screw

1шт.

7

VOE 13955894

Шайба

1шт.

7

VOE 13955894

Шайба

1шт.

8

VOE 13945408

Гайка

1шт.

8

VOE 13945408

Гайка

1шт.

9

VOE 931227

Nipple

1шт.

9

VOE 931227

Nipple

1шт.

Выбрано товаров: 110