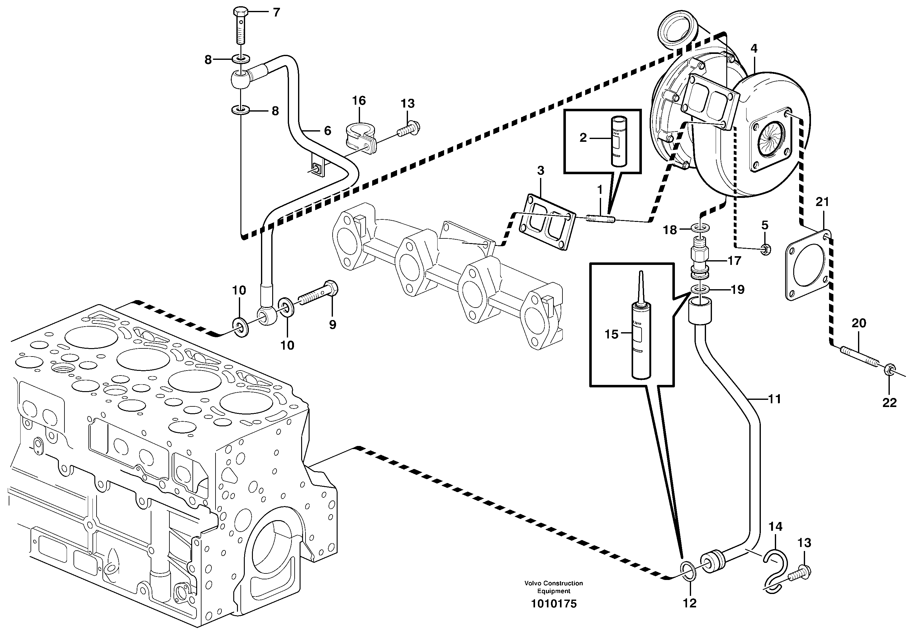
Запчасти Volvo L50E 36959 Турбокомпрессор (турбина) с установочными деталями L50E BRAZIL, S/N 71001 -

Схема запчастей Volvo L50E - 36959 Турбокомпрессор (турбина) с установочными деталями L50E BRAZIL, S/N 71001 -
FIT
1:1
100%

Артикул

Название

Примечание

Количество

VOE 20586845

Return Line

ENG 902523 -

1шт.

1

VOE 20412318

Шпилька

1шт.

1

VOE 20412318

Шпилька

1шт.

10

VOE 13947621

Plane gasket

1шт.

10

VOE 13947621

Plane gasket

1шт.

11

VOE 20586845

Return Line

ENG - 902522

1шт.

12

VOE 20405822

Кольцо уплотнительное

1шт.

12

VOE 20405822

Кольцо уплотнительное

1шт.

13

VOE 20405792

Болт

1шт.

13

VOE 20405792

Болт

1шт.

14

VOE 20405789

Тарелка клапана

1шт.

14

VOE 20405789

Тарелка клапана

1шт.

16

VOE 20450867

Зажим

1шт.

16

VOE 20450867

Зажим

1шт.

17

VOE 20459171

Nipple

1шт.

17

VOE 20459171

Nipple

1шт.

18

VOE 13947622

Plane gasket

1шт.

18

VOE 13947622

Plane gasket

1шт.

19

VOE 20459172

Кольцо уплотнительное

1шт.

19

VOE 20459172

Кольцо уплотнительное

1шт.

20

VOE 20459235

Шпилька

1шт.

20

VOE 20459235

Шпилька

1шт.

21

VOE 20459236

Прокладка

1шт.

21

VOE 20459236

Прокладка

1шт.

22

VOE 20517048

Hexagon nut

1шт.

22

VOE 20517048

Hexagon nut

1шт.

3

VOE 20405590

Прокладка

1шт.

3

VOE 20405590

Прокладка

1шт.

5

VOE 20517048

Hexagon nut

1шт.

5

VOE 20517048

Hexagon nut

1шт.

6

VOE 20704079

Feed Line

1шт.

7

VOE 20460936

Hollow screw

1шт.

7

VOE 20460936

Hollow screw

1шт.

8

VOE 20460061

Кольцо уплотнительное

1шт.

8

VOE 20460061

Сальник

1шт.

9

VOE 7025167

Hollow screw

1шт.

9

VOE 7025167

Hollow screw

1шт.

Выбрано товаров: 37