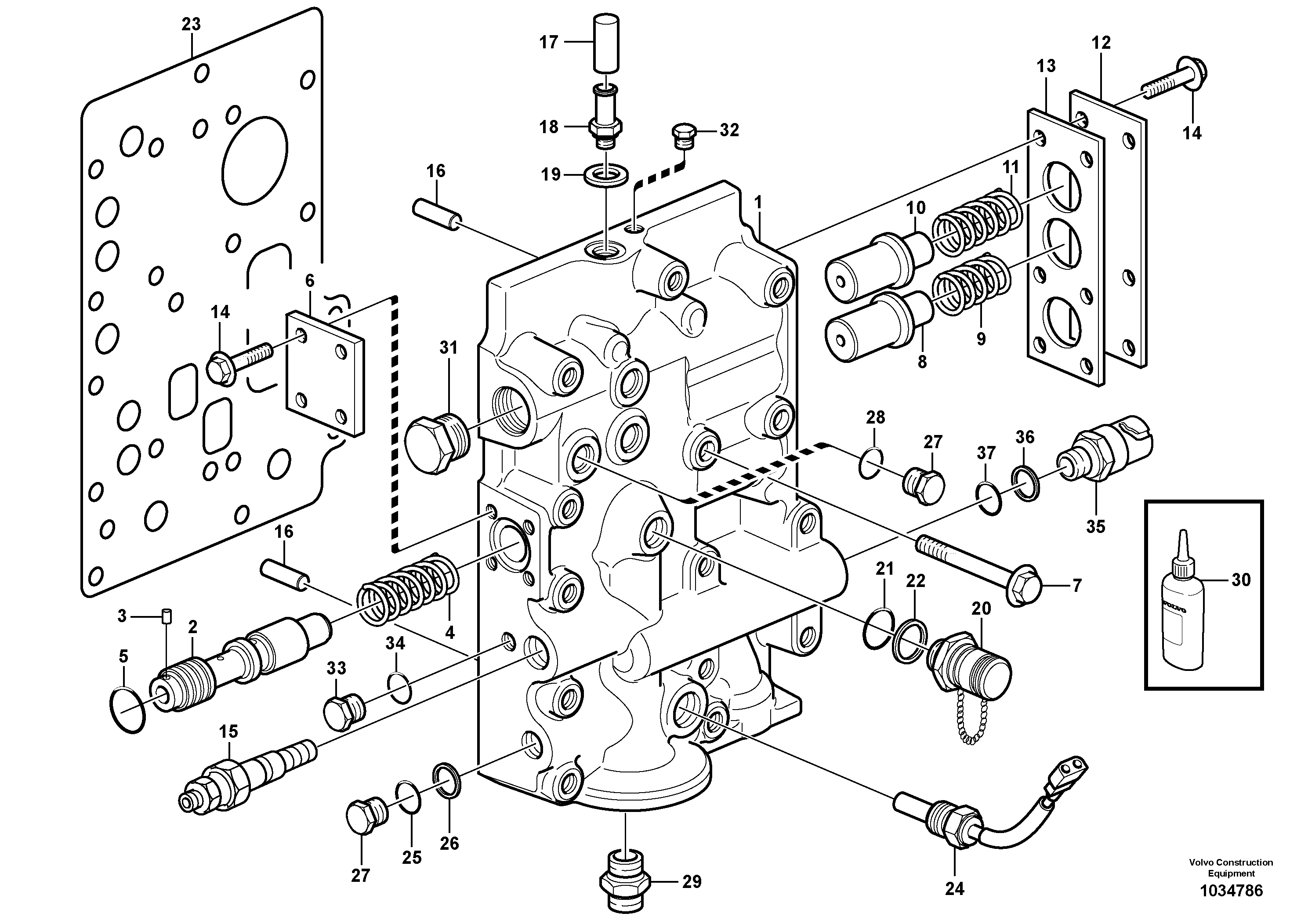
Запчасти Volvo L60F 102116 Pressure limiting valve L60F

Схема запчастей Volvo L60F - 102116 Pressure limiting valve L60F
FIT
1:1
100%

Артикул

Название

Примечание

Количество

VOE 15087602

Pressure limiting valve

1шт.

VOE 11418615

Pressure limiting valve

1шт.

1

VOE 11419266

Valve Housing

1шт.

1

VOE 15086811

Valve Housing

1шт.

10

VOE 4871880

Control plunger

1шт.

10

VOE 4871880

Control plunger

1шт.

11

VOE 4871672

Пружина

1шт.

11

VOE 4871672

Пружина

1шт.

12

VOE 4871307

Крышка

1шт.

13

VOE 11036024

Прокладка

1шт.

13

VOE 11036024

Прокладка

1шт.

14

VOE 13946544

Болт

1шт.

14

VOE 13946544

Screw

1шт.

15

VOE 11705881

Sensor

SE4902

1шт.

16

VOE 950564

Палец

1шт.

17

VOE 943835

Пробка (заглушка)

1шт.

18

VOE 947502

Nipple

1шт.

18

VOE 947502

Nipple

1шт.

19

VOE 13947282

Прокладка

1шт.

19

VOE 13947282

Прокладка

1шт.

2

VOE 11418612

Control plunger

1шт.

20

VOE 936441

Testing nipple

1шт.

20

VOE 936441

Testing nipple

1шт.

21

VOE 983502

Кольцо уплотнительное (О-кольцо)

1шт.

21

VOE 983502

Кольцо уплотнительное (О-кольцо)

1шт.

23

VOE 11419268

Прокладка

1шт.

23

VOE 15135547

Прокладка

1шт.

24

VOE 15153124

Temperature sensor

SE4903

1шт.

25

VOE 931209

Кольцо уплотнительное (О-кольцо)

1шт.

25

VOE 931209

Кольцо уплотнительное (О-кольцо)

1шт.

26

VOE 931216

Back-up ring

1шт.

26

VOE 931216

Back-up ring

1шт.

27

VOE 926370

Пробка (заглушка)

1шт.

27

VOE 926370

Пробка (заглушка)

1шт.

28

VOE 13949574

Кольцо уплотнительное (О-кольцо)

1шт.

28

VOE 13949574

Кольцо уплотнительное (О-кольцо)

1шт.

29

VOE 11419267

Nipple

1шт.

3

VOE 11145381

Spring pin

1шт.

30

VOE 1161053

Locking fluid

1шт.

32

VOE 940284

Пробка (заглушка)

1шт.

32

VOE 940284

Пробка (заглушка)

1шт.

33

VOE 977917

Пробка (заглушка)

1шт.

34

VOE 13944494

Шайба

1шт.

35

VOE 11038813

Pressure sensor

SE4901

1шт.

35

VOE 11039574

Pressure sensor

SE4901

1шт.

35

VOE 11039574

Pressure sensor

SE4901

1шт.

36

VOE 931216

Back-up ring

1шт.

36

VOE 931216

Back-up ring

1шт.

37

VOE 931209

Кольцо уплотнительное (О-кольцо)

1шт.

37

VOE 931209

Кольцо уплотнительное (О-кольцо)

1шт.

4

VOE 11145186

Пружина

1шт.

5

VOE 13949657

Кольцо уплотнительное (О-кольцо)

1шт.

5

VOE 13949657

Кольцо уплотнительное (О-кольцо)

1шт.

6

VOE 4871308

Крышка

1шт.

7

VOE 13965180

Screw

1шт.

7

VOE 13965180

Болт

1шт.

8

VOE 4871880

Control plunger

1шт.

8

VOE 4871880

Control plunger

1шт.

9

VOE 4871305

Пружина

1шт.

9

VOE 4871305

Пружина

1шт.

Выбрано товаров: 60