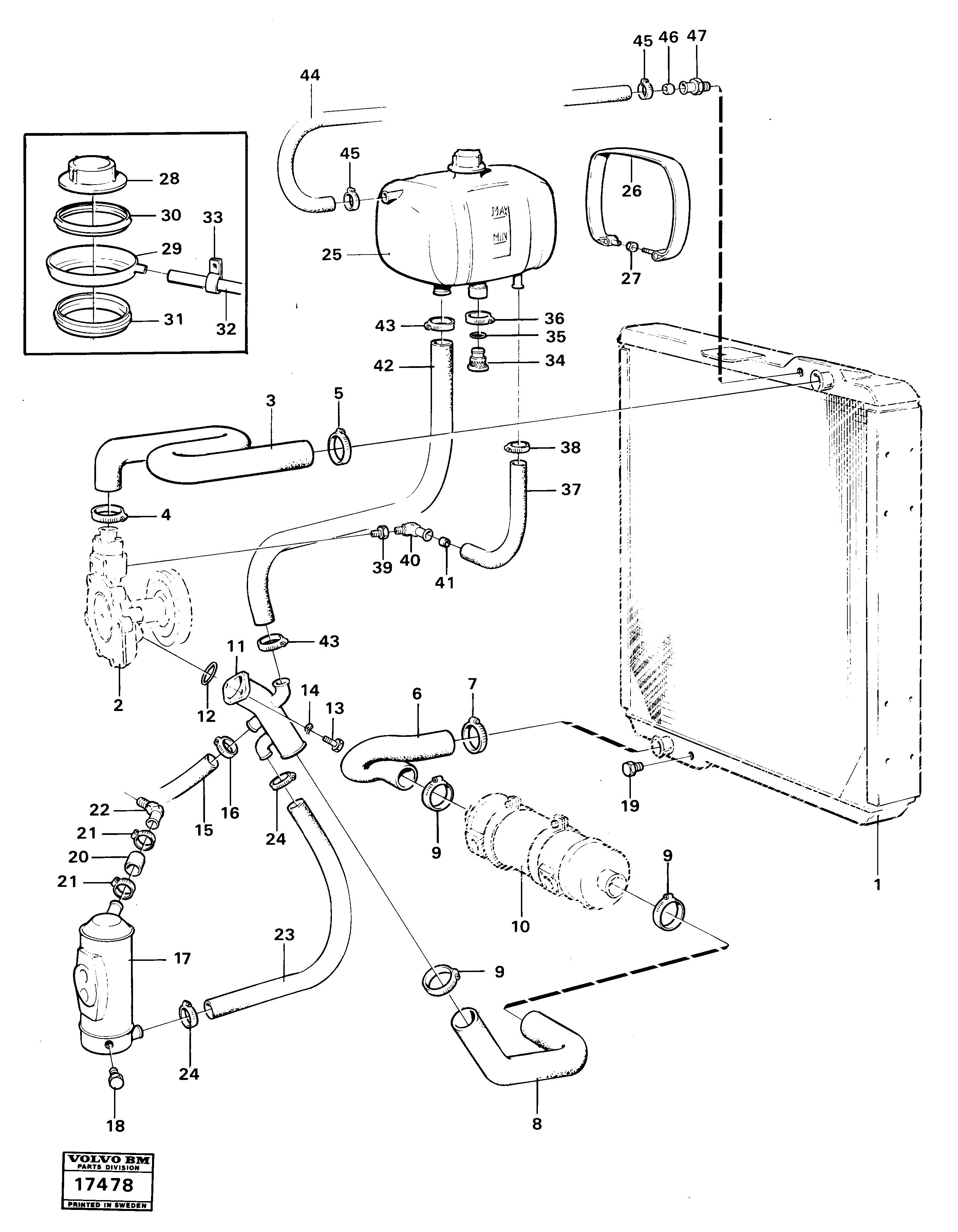
Запчасти Volvo L70 85628 Система охлаждения L70 L70 S/N -7400/ -60500 USA

Схема запчастей Volvo L70 - 85628 Система охлаждения L70 L70 S/N -7400/ -60500 USA
FIT
1:1
100%

Артикул

Название

Примечание

Количество

11

VOE 787792

Connecting pipe

1шт.

12

VOE 925068

Кольцо уплотнительное (О-кольцо)

1шт.

12

VOE 925068

Кольцо уплотнительное (О-кольцо)

1шт.

13

VOE 955525

Винт шестигранник

1шт.

13

VOE 955525

Винт шестигранник

1шт.

14

VOE 13941907

Шайба пружинная

1шт.

14

VOE 13941907

Шайба

1шт.

18

VOE 479955

Пробка (заглушка)

1шт.

19

VOE 479955

Пробка (заглушка)

1шт.

20

VOE 943369

Шланг

L = 45

1шт.

20

VOE 943369

Шланг

L = 45

1шт.

21

VOE 943473

Hose clamp

1шт.

21

VOE 943473

Hose clamp

1шт.

22

VOE 942590

Elbow nipple

1шт.

22

VOE 942590

Elbow nipple

1шт.

23

VOE 943368

Шланг

L = 440

1шт.

23

VOE 943368

Шланг

L = 440

1шт.

24

VOE 13943472

Hose clamp

1шт.

25

VOE 11110211

Бак (бачок) расширительный

1шт.

25

VOE 11110211

Бак (бачок) расширительный

1шт.

26

VOE 4804563

Tensioning band

1шт.

26

VOE 4804563

Tensioning band

1шт.

27

VOE 955780

Hexagon nut

1шт.

27

VOE 955780

Hexagon nut

1шт.

28

VOE 1542591

Cap

1шт.

28

VOE 1542591

Cap

1шт.

29

VOE 4804414

Фланец

1шт.

29

VOE 4804414

Фланец

1шт.

3

VOE 4775379

Radiator hose

1шт.

30

VOE 4804409

Кольцо уплотнительное

1шт.

30

VOE 4804409

Кольцо уплотнительное

1шт.

31

VOE 4804410

Кольцо уплотнительное

1шт.

31

VOE 4804410

Кольцо уплотнительное

1шт.

32

VOE 941363

Шланг

L = 1800

1шт.

32

VOE 941363

Шланг

L = 1800

1шт.

33

VOE 942400

Зажим

1шт.

33

VOE 942400

Зажим

1шт.

34

VOE 4804282

Пробка (заглушка)

1шт.

34

VOE 4804282

Пробка (заглушка)

1шт.

35

VOE 13960164

Кольцо уплотнительное (О-кольцо)

1шт.

35

VOE 13960164

Кольцо уплотнительное (О-кольцо)

1шт.

36

VOE 926244

Hose clamp

1шт.

36

VOE 926244

Hose clamp

1шт.

37

VOE 943367

Шланг

L = 450

1шт.

37

VOE 943367

Шланг

L = 450

1шт.

38

VOE 943471

Hose clamp

1шт.

39

VOE 479954

Nipple

1шт.

39

VOE 479954

Nipple

1шт.

4

VOE 943479

Hose clamp

1шт.

40

VOE 942758

Nipple

1шт.

40

VOE 942758

Nipple

1шт.

41

VOE 11033572

Restrictor

1шт.

42

VOE 13961194

Hydraulic hose

L = 500

1шт.

42

VOE 13961194

Hydraulic hose

L = 500

1шт.

43

VOE 943475

Hose clamp

1шт.

43

VOE 943475

Hose clamp

1шт.

44

VOE 943367

Шланг

L=1100

1шт.

44

VOE 943367

Шланг

L=1100

1шт.

45

VOE 943471

Hose clamp

1шт.

46

VOE 11033572

Restrictor

1шт.

47

VOE 192555

Nipple

1шт.

47

VOE 192555

Nipple

1шт.

5

VOE 943478

Hose clamp

1шт.

5

VOE 943478

Hose clamp

1шт.

6

VOE 4775305

Radiator hose

1шт.

7

VOE 943478

Hose clamp

1шт.

7

VOE 943478

Hose clamp

1шт.

8

VOE 11033085

Radiator hose

1шт.

9

VOE 943479

Hose clamp

1шт.

Выбрано товаров: 69