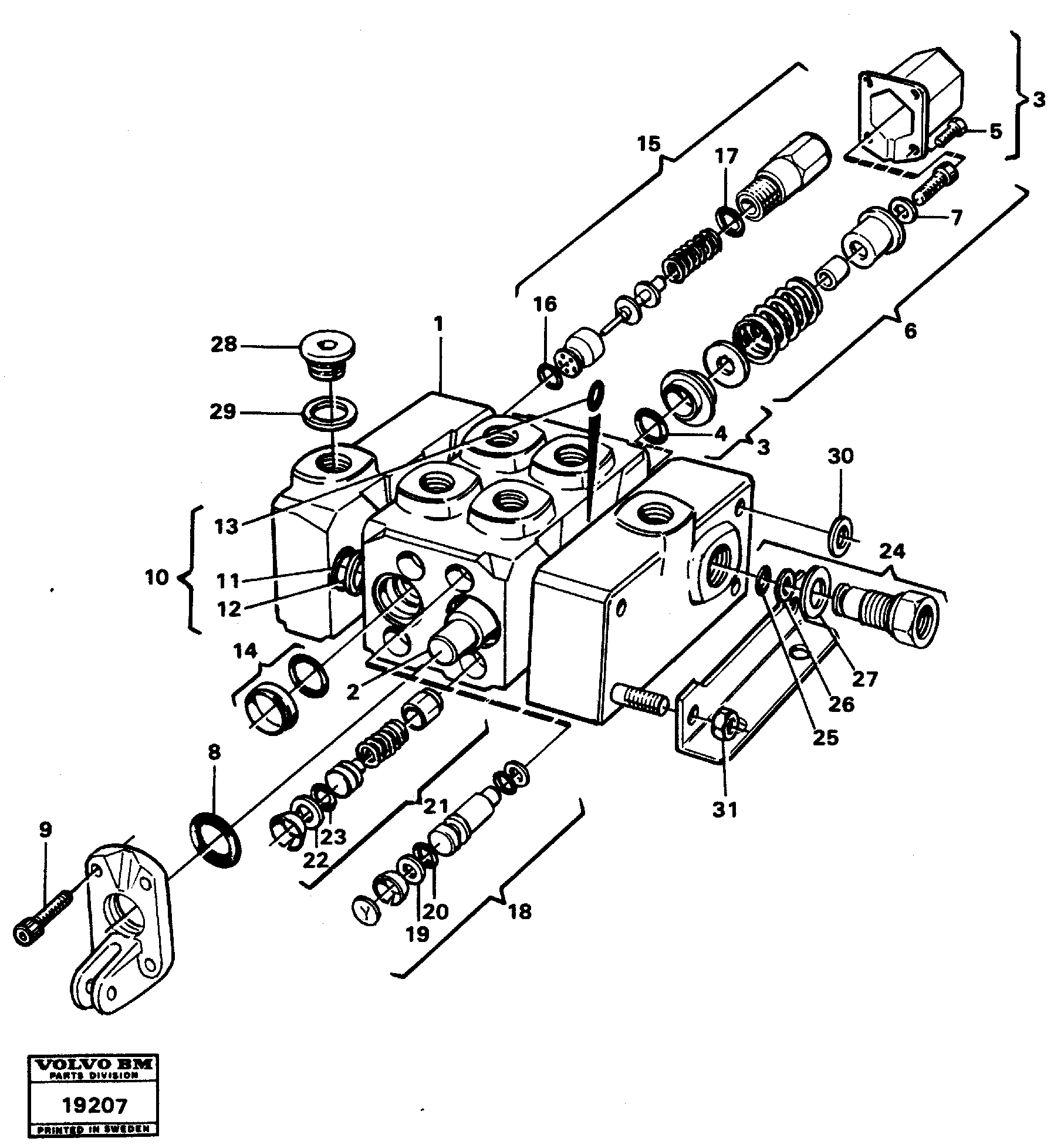
Запчасти Volvo L70 1253 Control valve L70 L70 S/N -7400/ -60500 USA

Схема запчастей Volvo L70 - 1253 Control valve L70 L70 S/N -7400/ -60500 USA
FIT
1:1
100%

Артикул

Название

Примечание

Количество

VOE 13960165

Кольцо уплотнительное (О-кольцо)

D=14,3

1шт.

VOE 13960165

Кольцо уплотнительное (О-кольцо)

D=14,3

1шт.

VOE 4881384

Hydraulic Valve

1шт.

VOE 4881384

Hydraulic Valve

1шт.

10

VOE 11991501

Sealing Kit

1шт.

11

VOE 6621919

Кольцо уплотнительное (О-кольцо)

1шт.

12

VOE 13962544

Back-up ring

1шт.

12

VOE 13962544

Back-up ring

1шт.

13

VOE 13960162

Кольцо уплотнительное (О-кольцо)

D=11,3

1шт.

13

VOE 13960162

Кольцо уплотнительное (О-кольцо)

D=11,3

1шт.

14

VOE 11991502

Sealing Kit

1шт.

15

VOE 11991497

Pr Limit Valve

1шт.

16

VOE 960210

Кольцо уплотнительное (О-кольцо)

1шт.

17

VOE 925056

Кольцо уплотнительное (О-кольцо)

1шт.

17

VOE 925056

Кольцо уплотнительное (О-кольцо)

1шт.

18

VOE 11991498

Пробка (заглушка)

1шт.

19

VOE 13962534

Back-up ring

1шт.

19

VOE 13962534

Back-up ring

1шт.

20

VOE 13960160

Кольцо уплотнительное (О-кольцо)

1шт.

20

VOE 13960160

Кольцо уплотнительное (О-кольцо)

1шт.

21

VOE 11991499

Клапан обратный

1шт.

22

VOE 13962533

Кольцо уплотнительное (О-кольцо)

1шт.

23

VOE 13955973

Кольцо уплотнительное (О-кольцо)

1шт.

23

VOE 13955973

Кольцо уплотнительное (О-кольцо)

1шт.

24

VOE 11991500

Nipple

1шт.

25

VOE 955975

Кольцо уплотнительное (О-кольцо)

1шт.

25

VOE 955975

Кольцо уплотнительное (О-кольцо)

1шт.

26

VOE 13962537

Back-up ring

1шт.

26

VOE 13962537

Back-up ring

1шт.

27

VOE 14013069

Gasket

1шт.

27

VOE 14013069

Прокладка

1шт.

28

VOE 944507

Пробка (заглушка)

1шт.

28

VOE 944507

Пробка (заглушка)

1шт.

29

VOE 14013069

Gasket

1шт.

29

VOE 14013069

Прокладка

1шт.

3

VOE 11991504

Casing

1шт.

30

VOE 13955894

Шайба

1шт.

30

VOE 13955894

Шайба

1шт.

31

VOE 955782

Hexagon Nut

1шт.

31

VOE 955782

Hexagon Nut

1шт.

4

VOE 925057

Кольцо уплотнительное (О-кольцо)

1шт.

4

VOE 925057

Кольцо уплотнительное (О-кольцо)

1шт.

5

VOE 961236

Allen Hd Screw

1шт.

6

VOE 11991503

Пружина

1шт.

7

VOE 955892

Шайба

1шт.

7

VOE 955892

Шайба

1шт.

8

VOE 925057

Кольцо уплотнительное (О-кольцо)

1шт.

8

VOE 925057

Кольцо уплотнительное (О-кольцо)

1шт.

9

VOE 959189

Allen Hd Screw

1шт.

Выбрано товаров: 49