Запчасти Volvo L70 43642 Pressure limiting valve L70 L70 S/N -7400/ -60500 USA

Схема запчастей Volvo L70 - 43642 Pressure limiting valve L70 L70 S/N -7400/ -60500 USA
FIT
1:1
100%

Артикул

Название

Примечание

Количество

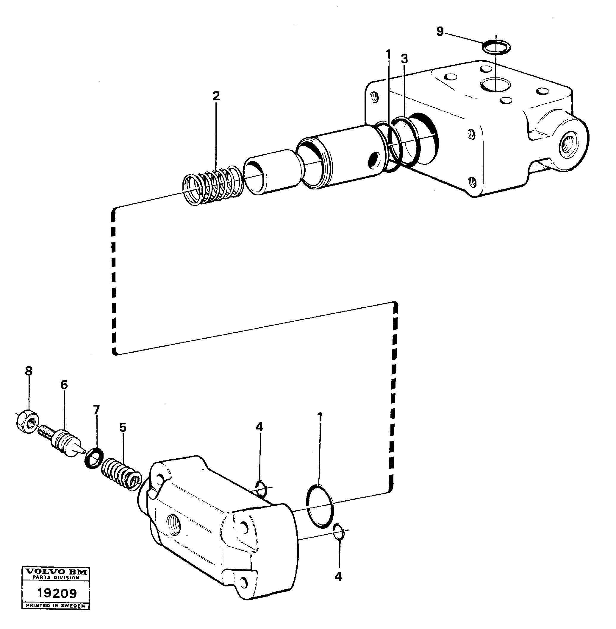
VOE 4881322

Pressure limiting valve

1шт.

1

VOE 6212736

Кольцо уплотнительное (О-кольцо)

1шт.

1

VOE 6212736

Кольцо уплотнительное (О-кольцо)

1шт.

2

VOE 6213624

Пружина

1шт.

2

VOE 6213624

Пружина

1шт.

3

VOE 6212739

Кольцо уплотнительное (О-кольцо)

1шт.

3

VOE 6212739

Кольцо уплотнительное (О-кольцо)

1шт.

4

VOE 6212740

Кольцо уплотнительное (О-кольцо)

1шт.

4

VOE 6212740

Кольцо уплотнительное (О-кольцо)

1шт.

5

VOE 6213628

Пружина

1шт.

6

VOE 11991542

Поршень

1шт.

7

VOE 6213627

Кольцо уплотнительное (О-кольцо)

1шт.

8

VOE 11991543

Cap nut

1шт.

9

VOE 13948700

Кольцо уплотнительное (О-кольцо)

1шт.

9

VOE 13948700

Кольцо уплотнительное (О-кольцо)

1шт.

Выбрано товаров: 15